Sistema trifase
Moderatori:
g.schgor,
IsidoroKZ
27 messaggi
• Pagina 3 di 3 • 1, 2, 3
0
voti
[21] Re: Sistema trifase
mi trovo valori un poì inferiori...però penso dipenda dalla calcolatrice...comunque grazie di tutta la pazienza =)
0
voti
[22] Re: Sistema trifase
nilla92 ha scritto:comunque grazie di tutta la pazienza
Di nulla figurati.
nilla92 ha scritto:mi trovo valori un poì inferiori
Se sei nell'ordine di grandezza dei risultati penso dipenda dalle approssimazioni che hai fatto nei calcoli e credo tu possa considerare corretto lo svolgimento dell'esercizio.
-

nunziato
4.291 3 9 12 - Master EY

- Messaggi: 531
- Iscritto il: 14 dic 2012, 23:14
- Località: Acri (CS) - Polistena (RC)
0
voti
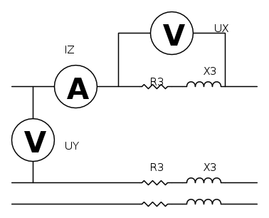
[23] Re: Sistema trifase
questa è la parte finale di un sistema trifase...ora devo calcolare la corrente
e la tensione
...e ho calcolato UX La potenza di R3 e qulla di Q 3 ma non riesco a capire come calcolare IZ e UY...mi potreste aiutare per cortesia?1
voti
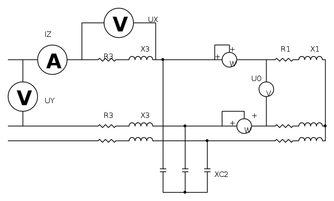
[25] Re: Sistema trifase
questo è il sistema completo
questi sono i dati
e mi chiede di calcolare i wattmetri, il power factor del carico 12 UX UY e IZ
quindi calcolo la tensione stellata
con l'inserzione Aron calcolo la potenza

ora il testo mi dice che il power factor è 0.906 ma penso sia un errore di stampa.
poi calcolo la corrente I3

ma se calcolo la corrente come hai detto tu non mi trovo perché mi devo trovare
questi sono i dati

e mi chiede di calcolare i wattmetri, il power factor del carico 12 UX UY e IZ
quindi calcolo la tensione stellata

con l'inserzione Aron calcolo la potenza


ora il testo mi dice che il power factor è 0.906 ma penso sia un errore di stampa.poi calcolo la corrente I3


ma se calcolo la corrente come hai detto tu non mi trovo perché mi devo trovare

1
voti
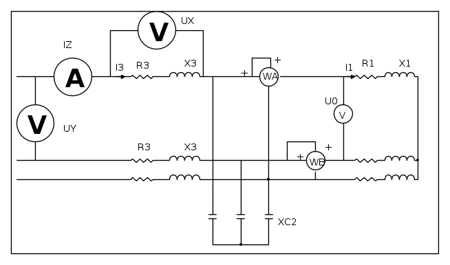
[26] Re: Sistema trifase
1- fp=0,906 non è un errore di stampa. Tu hai sbagliato a calcolare la potenza reattiva totale.
2-la tua
è di conseguenza errata ed
non si calcola moltiplicando la sola resistenza per la corrente.
Tu avevi detto di aver calcolato
ed io ti ho scritto come calcolare
conoscendo
. In realtà prima calcoli
e poi 
3- Gli schemi poi vanno disegnati in modo corretto con una simbologia completa. Ai tuoi wattmetri manca il collegamento delle voltmetriche.
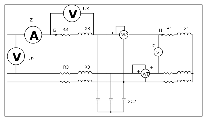
Quando si posta un esercizio si scrive il testo con di dati e si disegna correttamente lo schema relativo con la simbologia. Quindi si postano il procedimento ed i calcoli effettuati. Allora puoi avere la speranza che qualcuno ti aiuti volentieri. Il tuo modo di postare pezzi di esercizio, pezzi di calcoli, o risultati di calcoli ignoti come se fossero dati, farebbe perdere la pazienza anche a Giobbe.
Ad ogni modo, ecco una revisione del tuo esercizio











2-la tua
è di conseguenza errata ed
non si calcola moltiplicando la sola resistenza per la corrente.Tu avevi detto di aver calcolato
ed io ti ho scritto come calcolare
conoscendo
. In realtà prima calcoli
e poi 
3- Gli schemi poi vanno disegnati in modo corretto con una simbologia completa. Ai tuoi wattmetri manca il collegamento delle voltmetriche.
Quando si posta un esercizio si scrive il testo con di dati e si disegna correttamente lo schema relativo con la simbologia. Quindi si postano il procedimento ed i calcoli effettuati. Allora puoi avere la speranza che qualcuno ti aiuti volentieri. Il tuo modo di postare pezzi di esercizio, pezzi di calcoli, o risultati di calcoli ignoti come se fossero dati, farebbe perdere la pazienza anche a Giobbe.
Ad ogni modo, ecco una revisione del tuo esercizio











0
voti
[27] Re: Sistema trifase
Scusami mi dispiace per tutti gli inconvenienti...cercherò di non farli più
ma poi
si può calcolare ?
Ma poi mi chiede di calcolare la caduta di tensione sulla linea
e quindi devo fare
ma io nella pratica calcolando questa caduta di tensione cosa sto facendo?
ma poi
si può calcolare ?Ma poi mi chiede di calcolare la caduta di tensione sulla linea
e quindi devo fare
ma io nella pratica calcolando questa caduta di tensione cosa sto facendo?
27 messaggi
• Pagina 3 di 3 • 1, 2, 3
Torna a Elettrotecnica generale
Chi c’è in linea
Visitano il forum: Nessuno e 110 ospiti

Elettrotecnica e non solo (admin)
Un gatto tra gli elettroni (IsidoroKZ)
Esperienza e simulazioni (g.schgor)
Moleskine di un idraulico (RenzoDF)
Il Blog di ElectroYou (webmaster)
Idee microcontrollate (TardoFreak)
PICcoli grandi PICMicro (Paolino)
Il blog elettrico di carloc (carloc)
DirtEYblooog (dirtydeeds)
Di tutto... un po' (jordan20)
AK47 (lillo)
Esperienze elettroniche (marco438)
Telecomunicazioni musicali (clavicordo)
Automazione ed Elettronica (gustavo)
Direttive per la sicurezza (ErnestoCappelletti)
EYnfo dall'Alaska (mir)
Apriamo il quadro! (attilio)
H7-25 (asdf)
Passione Elettrica (massimob)
Elettroni a spasso (guidob)
Bloguerra (guerra)


, se lo schema è come lo hai disegnato, e se i dati sono solo quelli che hai riportato, non si può calcolare


