Dopo aver fatto un giusto ragionamento ci metti un NAND?
Così il Reset è permanente....
Devi monostabilizzare il fronte d'onda negativo
(come è stato fatto nel duplicatore di frequenza).
Ecco come:
Spero ora sia chiaro.
Giri al secondo di un motore con uso di un display
Moderatori:
carloc,
g.schgor,
BrunoValente,
IsidoroKZ
0
voti
Che c'è di difficile da capire?
Non è altro che la metà dello schema utilizzato
per il raddoppiamento della frequenza.
Se mandi all'ingresso un impulso (IN), al termine di questo
(fronte d'onda negativo) si ha un breve impulso in uscita (OUT)
Nella nostra applicazione allora il primo impulso (clock ogni secondo)
serve al trasferimento ed il secondo (generato in questo modo)
serve al reset del conteggio.
Non è altro che la metà dello schema utilizzato
per il raddoppiamento della frequenza.
Se mandi all'ingresso un impulso (IN), al termine di questo
(fronte d'onda negativo) si ha un breve impulso in uscita (OUT)
Nella nostra applicazione allora il primo impulso (clock ogni secondo)
serve al trasferimento ed il secondo (generato in questo modo)
serve al reset del conteggio.
0
voti
non capisco perché all'uscita della seconda NAND l'onda non dovrebbe essere già invertita? Stavo cercando di capire i vari stati che assume l'onda all'interno del circuito
0
voti
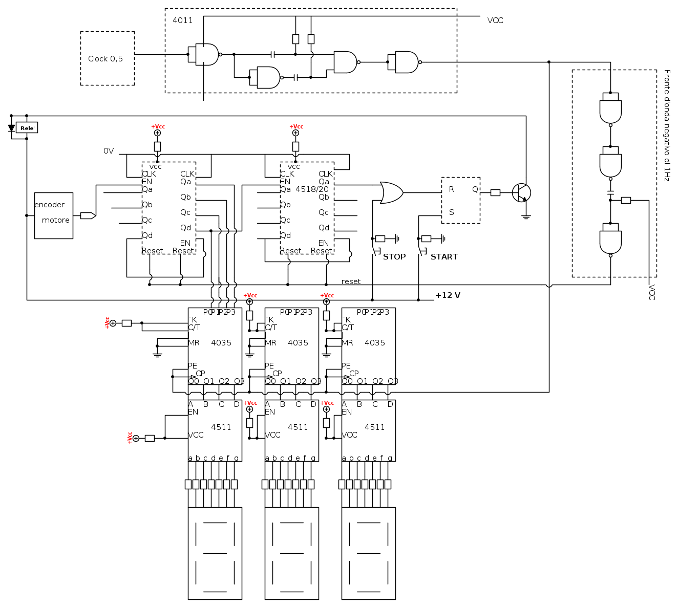
Non ho collegato i bcd per carenza di spazio.... missione compiuta?
1
voti
Sì, direi che finalmente ci siamo.
Segnalo tuttavia alcune anomalie di minor conto:
- perché chiami l'alimentazione alcune volte Vcc ed altre +12V?
(è sempre la stessa unica alimentazione usando CMOC4000)
-perché metti una resistenza in serie all'alimentazione degli integrati?
(non ci vuole)
-perché hai aggiunto un terzo display? (se la velocità dovesse
arrivare ai 100g/s viene dato il comando d'arresto, quindi
non serve visualizzare il 100)
- Il relè che comanda inserzione ed arresto del motore
è messo in modo strano. Sarebbe bene presentare i
suoi contatti che agiscono sull'alimentazione del motore
(che non è la stessa del circuito)
Comunque ti faccio i miei complimenti per la tenacia
dimostrata nel portare a termine il progetto.
Segnalo tuttavia alcune anomalie di minor conto:
- perché chiami l'alimentazione alcune volte Vcc ed altre +12V?
(è sempre la stessa unica alimentazione usando CMOC4000)
-perché metti una resistenza in serie all'alimentazione degli integrati?
(non ci vuole)
-perché hai aggiunto un terzo display? (se la velocità dovesse
arrivare ai 100g/s viene dato il comando d'arresto, quindi
non serve visualizzare il 100)
- Il relè che comanda inserzione ed arresto del motore
è messo in modo strano. Sarebbe bene presentare i
suoi contatti che agiscono sull'alimentazione del motore
(che non è la stessa del circuito)
Comunque ti faccio i miei complimenti per la tenacia
dimostrata nel portare a termine il progetto.
0
voti
- Distrazione
- Inserendo Vcc sono generico sul tensione quindi metto una resistenza per non far bruciare l'integrato. Che simbolo mi consigli di usare?
- Ok
- Non ho capito
Ti ringrazio, ma i complimenti vanno tutti a te per avermi aiutato ma soprattutto sopportato! A volte mi rendo conto di essere na chiavica
Grazie ancora! Ad ogni esercizio apprendo cose nuove e soprattutto grazie a questo forum.
- Inserendo Vcc sono generico sul tensione quindi metto una resistenza per non far bruciare l'integrato. Che simbolo mi consigli di usare?
- Ok
- Non ho capito
Ti ringrazio, ma i complimenti vanno tutti a te per avermi aiutato ma soprattutto sopportato! A volte mi rendo conto di essere na chiavica
Grazie ancora! Ad ogni esercizio apprendo cose nuove e soprattutto grazie a questo forum.
1
voti
Linrush ha scritto:metto una resistenza per non far bruciare l'integrato
Linrush ha scritto: Non ho capito
bisognerebbe entrare nei dettagli di come è alimentato
il motore (a che tensione? a quale potenza?).
Genericamente supponiamo che sia un piccolo motore
in continua la cui alimentazione sia commutabile
direttamente con i contatti del relè.
Chi c’è in linea
Visitano il forum: Nessuno e 123 ospiti

Elettrotecnica e non solo (admin)
Un gatto tra gli elettroni (IsidoroKZ)
Esperienza e simulazioni (g.schgor)
Moleskine di un idraulico (RenzoDF)
Il Blog di ElectroYou (webmaster)
Idee microcontrollate (TardoFreak)
PICcoli grandi PICMicro (Paolino)
Il blog elettrico di carloc (carloc)
DirtEYblooog (dirtydeeds)
Di tutto... un po' (jordan20)
AK47 (lillo)
Esperienze elettroniche (marco438)
Telecomunicazioni musicali (clavicordo)
Automazione ed Elettronica (gustavo)
Direttive per la sicurezza (ErnestoCappelletti)
EYnfo dall'Alaska (mir)
Apriamo il quadro! (attilio)
H7-25 (asdf)
Passione Elettrica (massimob)
Elettroni a spasso (guidob)
Bloguerra (guerra)



