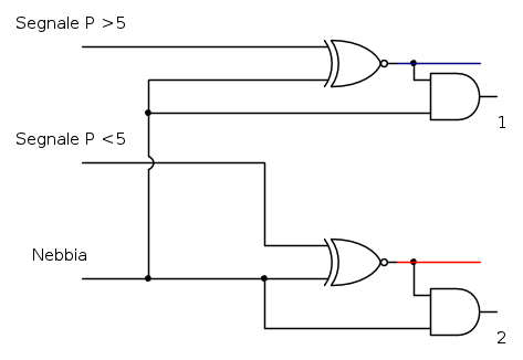
Per la logica mi manca il dato 0, tuttavia ho provato a bozzare qualcosa:
Se il segnale di pioggia >5 e quello di nebbia sono a 1 o a 0 la porta XNOR in blu darà 1 in uscita, quindi sappiamo che entrambi o sono 1 o sono 0. A questo punto collego lo stesso segnale di nebbia all'uscita della XNOR blu tramite una AND che nel caso 1 1 da in uscita 1 che vorrà dire che c'e la presenza di nebbia con >5 litri al metro quadro, se invece la AND da 0 significherà che non c'e nebbia e non c'e pioggia per >5.
Stesso ragionamento per la XNOR rossa. La AND indicherà con:
1 => Nebbia e <5
0 => No Nebbia e no <5
Ma ancora devo fare i conti con lo zero
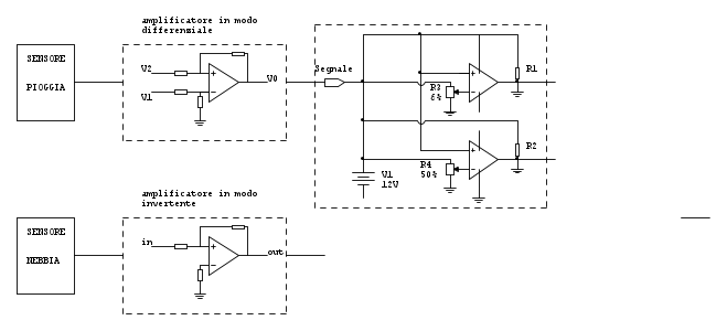
Display di velocità dipendente da sensori di nebbia e acqua
Moderatori:
carloc,
g.schgor,
BrunoValente,
IsidoroKZ
2
voti
Linrush ha scritto:su r4 ed r5 non dovrebbe esserci un partitore?
un potenziometro collegato in quel modo è un partitore.
Linrush ha scritto:6% e 50% di cosa?
Del segnale massimo generato dal sensore di pioggia (per semplicità
nella simulazione si è preso Vcc)
Linrush ha scritto:come vengono impostate le soglie?
semplicemente agendo sui rispettivi potenziometri.
Linrush ha scritto:Al punto 4 e 6 c'e una freccia, cosa indica?
E' il cursore del potenziometro. La sua posizione (virtuale) dipende
dal valore % indicato accanto, cioè la tensione in quel punto è
quel % della tensione applicata al potenziometro.
Linrush ha scritto:er la logica mi manca il dato 0
Non serve: se i 2 segnali (che ho chiamato Pd e Pf. pioggia
debole o forte) sono a "0" indicano che non c'è pioggia.
Una nota: per "spegnere" il display BCD (caso di assenza
di pioggia e nebbia) basta applicare agli ingressi del driver
una combinazione >9.
E una osservazione di carattere metodologico:
per ricavare una configurazione logica che trasformi i 3
segnali Pd,Pf e N. in corrispondenti valori BCD
è opportuno compilare una tabella di verità
con queste "colonne":
Pd | Pf | N || 8 | 4 | 2 | 1
Da questa tabella si ricava facilmente una configurazione
minimizzata dei singoli circuiti che controllano
gli ingressi del driver
Vuoi provarci?
0
voti
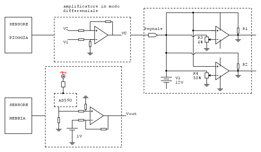
Mentre disegnavo il circuito mi sono chiesto il perché della doppia batteria V1 12V. Se il potenziometro si rifà al segnale è un errore togliere le batterie e collegare direttamente all'ingresso del segnale?
Inoltre se in ingresso arriva una tensione differente anche le soglie cambieranno quando invece devono restare fisse. Forse per questo usiamo la batteria? Per avere una tensione di riferimento fissa? In tal caso non bastava mettere solo 12V?
Impostando il 50% R4 una soglia è 6V, non dovrebbe essere circa 41,6%?
Procedo con la tabella di verità
PF PD N | 8 4 2 1
-0--0--0--L-L-L-H
-0--1--0--L-L-H-L
-1--0--0--L-L-H-H
-0--0--1--L-H-L-L
-0--1--1--L-H-L-H
-1--0--1--L-H-H-L
Inoltre se in ingresso arriva una tensione differente anche le soglie cambieranno quando invece devono restare fisse. Forse per questo usiamo la batteria? Per avere una tensione di riferimento fissa? In tal caso non bastava mettere solo 12V?
Impostando il 50% R4 una soglia è 6V, non dovrebbe essere circa 41,6%?
Procedo con la tabella di verità
PF PD N | 8 4 2 1
-0--0--0--L-L-L-H
-0--1--0--L-L-H-L
-1--0--0--L-L-H-H
-0--0--1--L-H-L-L
-0--1--1--L-H-L-H
-1--0--1--L-H-H-L
0
voti
Spero di non aver pasticciato.
Utilizzo il sensore integrato AD590 che converte la corrente in tensione, ma essendo in uA calcolando le giuste resistenza spero di ottenere un guadagno di 10 per amplificarlo e stabilisco la soglia di 1 V.
Forse non so neanche io che ho fatto.
0
voti
Una conversione di questo tipo corrente/tensione e poi amplifico la tensione e su questa applico la soglia. Meglio?
2
voti
Attenzione ai collegamenti dei comparatori:
Circa il segnale, non è chiaro cosa esce dai sensori,
ma immagino che possa essere convertito in tensione
ed amplificato in modo da far corrispondere il massimo valore
con l'alimentazione stessa (12V)
(attenzione anche ai segni degli ingressi: negli amplificatori
hai fatto una retroazione positiva!)
Circa la tavola di verità, le "combinazioni" sono 8
e devi considerarle tutte (anche se alcune sono
"fisicamente impossibili", se mai indichi con x
lo stato indifferente)
Ma soprattutto non devi numerarle :
gli stati delle uscite devono corrispondere
in BCD alle decine del limite di velocità
che devi visualizzare per ciascuna combinazione.
Circa il segnale, non è chiaro cosa esce dai sensori,
ma immagino che possa essere convertito in tensione
ed amplificato in modo da far corrispondere il massimo valore
con l'alimentazione stessa (12V)
(attenzione anche ai segni degli ingressi: negli amplificatori
hai fatto una retroazione positiva!)
Circa la tavola di verità, le "combinazioni" sono 8
e devi considerarle tutte (anche se alcune sono
"fisicamente impossibili", se mai indichi con x
lo stato indifferente)
Ma soprattutto non devi numerarle :
gli stati delle uscite devono corrispondere
in BCD alle decine del limite di velocità
che devi visualizzare per ciascuna combinazione.
1
voti
Devi darmi il tempo per rispondere prima di cambiare disegno.
Per amplificare il segnale bisogna prima conoscerne le caratteristiche
e inoltre osservo che se vuoi fare inversioni di segno, devi usare
alimentazioni duali (che invece cercavo di evitare)
Per amplificare il segnale bisogna prima conoscerne le caratteristiche
e inoltre osservo che se vuoi fare inversioni di segno, devi usare
alimentazioni duali (che invece cercavo di evitare)
0
voti
Pensavo non avessi ancora visto, scusami.
ehehehe mi mandi nel pallone. Quale dei due grafici è più corretto per il segnale di nebbia? Cosa ho sbagliato?
Per la combinazione
PF PD N | 8 4 2 1
-0--0--0--L-L-L-H
-0--1--0--L-L-H-L
-1--0--0--L-L-H-H
-0--0--1--L-H-L-L
-0--1--1--L-H-L-H
-1--0--1--L-H-H-L
Mancano queste due?
-1--x--1--L-L-L-L
-x--1--0--L-L-L-L
In che modo posso farle corrispondere in BCD? Come li collego?
ehehehe mi mandi nel pallone. Quale dei due grafici è più corretto per il segnale di nebbia? Cosa ho sbagliato?
Per la combinazione
PF PD N | 8 4 2 1
-0--0--0--L-L-L-H
-0--1--0--L-L-H-L
-1--0--0--L-L-H-H
-0--0--1--L-H-L-L
-0--1--1--L-H-L-H
-1--0--1--L-H-H-L
Mancano queste due?
-1--x--1--L-L-L-L
-x--1--0--L-L-L-L
In che modo posso farle corrispondere in BCD? Come li collego?
1
voti
Linrush ha scritto:In che modo posso farle corrispondere in BCD?
Se quando c'è solo pioggia debole vuoi che appaia 90 (km/h),
trascurando lo 0 che non cambia mai, devi codificare 9 in BCD
(cioè alla combinazione di ingresso 100 deve corrispondere
l'uscita 1001). E così per tutte le altre possibili combinazioni.
E' chiaro adesso?
Chi c’è in linea
Visitano il forum: Nessuno e 85 ospiti

Elettrotecnica e non solo (admin)
Un gatto tra gli elettroni (IsidoroKZ)
Esperienza e simulazioni (g.schgor)
Moleskine di un idraulico (RenzoDF)
Il Blog di ElectroYou (webmaster)
Idee microcontrollate (TardoFreak)
PICcoli grandi PICMicro (Paolino)
Il blog elettrico di carloc (carloc)
DirtEYblooog (dirtydeeds)
Di tutto... un po' (jordan20)
AK47 (lillo)
Esperienze elettroniche (marco438)
Telecomunicazioni musicali (clavicordo)
Automazione ed Elettronica (gustavo)
Direttive per la sicurezza (ErnestoCappelletti)
EYnfo dall'Alaska (mir)
Apriamo il quadro! (attilio)
H7-25 (asdf)
Passione Elettrica (massimob)
Elettroni a spasso (guidob)
Bloguerra (guerra)







