Ciao floppinoo, l'argomento che poni offre spunti per estendere il proposito di "protezione" del sistema di rilevamento ma, cercando di limitare il tentativo di una risposta al quesito specifico, io prenderei in considerazione parte di quanto ti ha già indicato, per esempio, GuidoB al [6]: in particolare il criterio 7) e 8).
Punterei "tutto" sull'isolamento galvanico (elettrico): a prescindere dal fatto che una linea sia input o output cercherei di separare la schedina esterna dotata di IR dall'elettronica che costituisce il "sistema interno". Per quanto sopra, predisporrei quindi una alimentazione dedicata, autonoma ed indipendente (per il ricevitore esterno) magari considerando l'impiego di una batteria (ti svincoli dalla rete). Sarei propenso quindi all'impiego di optoisolatori e/o relè.
Saluti
Separare elettronicamente due circuiti contro il sabotaggio
Moderatori:
carloc,
g.schgor,
BrunoValente,
IsidoroKZ
0
voti
... ho omesso ... se le tue preoccupazioni sono ragionevolmente fondate o meglio, se ritieni che il ricevitore IR sia un punto o "il punto" più vulnerabile e delicato del tuo perimetro valuterei anche la possibilità di installare un sensore di rilevamento presenze (ben dissimulato) in grado di "sorvegliare" l'area di prossimità aggiungendo quindi il suo segnale a quelli esistenti.
Saluti
Saluti
-

WALTERmwp
30,2k 4 8 13 - G.Master EY

- Messaggi: 8986
- Iscritto il: 17 lug 2010, 18:42
- Località: le 4 del mattino
0
voti
No un attimo il sensore ir dello schema da me postato non è usato come rilevatore
o per i segnali di allarme, ma mi serve per comandare e sbloccare l'allarme
con un telecomando.
Naturalmente per disindserire l'allame col telecomando occore un codice da 5 cifre che blocca
il sistema di inserimento dopo il terzo tentativo.
Inoltre questo telecomando lo uso per accendere una luce esterna e in futuro vorrei usarlo per altri scopi non inerenti all'allarme stesso.
Per le presenze uso un rilevatore a doppia tecnologia che è situato all'interno dell'appartamento e non esternamente, anche se il circuito prevede già la possibilita di inserire un secondo rilevatore esterno
con linea separata.
comunque l'idea di separae il circuito anche a livello di alimentazione è una buonissima idea
cosi posso eliminare due conessioni interno/esterno (delicate) che possono essere sabotate
a questo punto risolverei tutto con un opto
ora cerco di disegnare uno schema cosi almeno abbiamo qualcosa alla mano sia da postare che da costruire
ehehe
Grazie delle soluzioni su questo post mi avete dato un sacco di info con cui ragionare e
studiare
imparando da una problema cosi semplice tante cose di elettronica che prima non conoscevo
ora cerco di disegnare un circuito che potrebbe andare cosi poi magari mi potete aiutare a perfezionarlo
o a dirmi se vada bene
o per i segnali di allarme, ma mi serve per comandare e sbloccare l'allarme
con un telecomando.
Naturalmente per disindserire l'allame col telecomando occore un codice da 5 cifre che blocca
il sistema di inserimento dopo il terzo tentativo.
Inoltre questo telecomando lo uso per accendere una luce esterna e in futuro vorrei usarlo per altri scopi non inerenti all'allarme stesso.
Per le presenze uso un rilevatore a doppia tecnologia che è situato all'interno dell'appartamento e non esternamente, anche se il circuito prevede già la possibilita di inserire un secondo rilevatore esterno
con linea separata.
comunque l'idea di separae il circuito anche a livello di alimentazione è una buonissima idea
cosi posso eliminare due conessioni interno/esterno (delicate) che possono essere sabotate
a questo punto risolverei tutto con un opto

ora cerco di disegnare uno schema cosi almeno abbiamo qualcosa alla mano sia da postare che da costruire
Grazie delle soluzioni su questo post mi avete dato un sacco di info con cui ragionare e
studiare
imparando da una problema cosi semplice tante cose di elettronica che prima non conoscevo ora cerco di disegnare un circuito che potrebbe andare cosi poi magari mi potete aiutare a perfezionarlo
o a dirmi se vada bene
0
voti
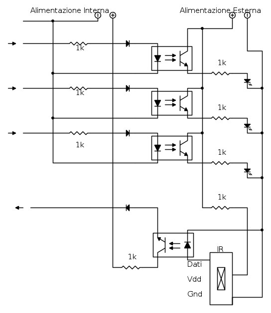
Ok penso che cosi fatto il circuito esterno sia ben isolato da eventuali sabotaggi
il circuito che per ora cosidero già sodisfacente è questo, ho usato un opto e un alimentazione
esterna e dei semplici diodi radrizzatori
se ci sono altre idee sono ben accette, penso che aggiungee anche dei transil sia inutile a questo punto
il circuito che per ora cosidero già sodisfacente è questo, ho usato un opto e un alimentazione
esterna e dei semplici diodi radrizzatori
se ci sono altre idee sono ben accette, penso che aggiungee anche dei transil sia inutile a questo punto
0
voti
Ciao floppinoo, che l'IR ti servisse per veicolare il codice al sistema di controllo mi era chiaro; io ho fatto riferimento all'adozione di un altro e diverso tipo di sensore, funzionale alla rilevazione di una presenza "indesiderata". Per quanto riguarda il tuo schema, in linea di principio, dal mio punto di vista dovresti esserci. Faccio solo qualche considerazione:
1) Per le uscite del micro, utili al pilotaggio dei leds, potrebbero non essere indispensabili quei diodi in serie agli optoisolatori; saranno circa 0.7Vcc di caduta di tensione, quindi poca roba, però valuta tu gli eventuali benefici.
2) Per gli optoisolatori (sempre per i leds) non occorre un particolare riguardo (livello di isolamento a parte) e, magari, nemmeno per quello associato all'IR anche se ci presterei comunque un po' più di attenzione. In tal caso infatti deve garantirti (l'opto) una velocità di "commutazione" sufficiente a far "passare" il segnale chiaro e leggibile come se l'IR fosse collegato direttamente al micro. Il suggerimento che mi permetto di darti è quello di provare a "banco", prima di andare a montare il tutto (... probabilmente ci avevi già pensato).
Saluti
1) Per le uscite del micro, utili al pilotaggio dei leds, potrebbero non essere indispensabili quei diodi in serie agli optoisolatori; saranno circa 0.7Vcc di caduta di tensione, quindi poca roba, però valuta tu gli eventuali benefici.
2) Per gli optoisolatori (sempre per i leds) non occorre un particolare riguardo (livello di isolamento a parte) e, magari, nemmeno per quello associato all'IR anche se ci presterei comunque un po' più di attenzione. In tal caso infatti deve garantirti (l'opto) una velocità di "commutazione" sufficiente a far "passare" il segnale chiaro e leggibile come se l'IR fosse collegato direttamente al micro. Il suggerimento che mi permetto di darti è quello di provare a "banco", prima di andare a montare il tutto (... probabilmente ci avevi già pensato).
Saluti
-

WALTERmwp
30,2k 4 8 13 - G.Master EY

- Messaggi: 8986
- Iscritto il: 17 lug 2010, 18:42
- Località: le 4 del mattino
-1
voti
Fai attenzione
floppinoo che i fotoaccoppiatori non reggono la scarica di un accendino piezoelettrico, usato dai malintenzionati proprio a questo scopo. La soluzione è buona, ma deve essere integrata con degli scaricatori a gas preceduti da un opportuno induttore.
-

Heavy
565 1 5 - Utente disattivato per decisione dell'amministrazione proprietaria del sito
- Messaggi: 260
- Iscritto il: 28 dic 2013, 0:39
- Località: Conegliano Veneto
0
voti
infatti WALTERmwp oggi dopo cena provo se Ir funziona ugualmente o se c'è perdita di segnale
Heavy per me anche se opto si rompe a me non mi importa
tanto comunque lo sostituirei con 2 euro di spesa, importante per me che il PIC sofrastante all'opto che gestisce il controllo continui a funzionare ... ripeto non mi interessa salvare led ir e opto importante e che tutto quello che c'è sopra sia sano e funzionante anche dopo un tentativo di sabotaggio
tu dici che con accendino o altro si riesce a dannegiare sia opto e ne puo risentirne anche il PIC interno di controllo ?
Gli scaricatori a gas esistono da 5 volt ?
Inoltre vorrei montare la scheda dell opto su una scheda elttronica esterna e intermediaria tra il circuito interno ed esterno
in modo da isolarlo eventuali danni ancora maggiormente
Heavy per me anche se opto si rompe a me non mi importa
tanto comunque lo sostituirei con 2 euro di spesa, importante per me che il PIC sofrastante all'opto che gestisce il controllo continui a funzionare ... ripeto non mi interessa salvare led ir e opto importante e che tutto quello che c'è sopra sia sano e funzionante anche dopo un tentativo di sabotaggio
tu dici che con accendino o altro si riesce a dannegiare sia opto e ne puo risentirne anche il PIC interno di controllo ?
Gli scaricatori a gas esistono da 5 volt ?
Inoltre vorrei montare la scheda dell opto su una scheda elttronica esterna e intermediaria tra il circuito interno ed esterno
in modo da isolarlo eventuali danni ancora maggiormente
0
voti
purtoppo ho appena provato la soluzione sia con gli opto che con i nand
eliminando anche il diodo, ma sembra che il segnale ir viene rallentato e questo distorce troppo
il protocollo di comunicazione con il PIC...
Per i led nessun problema, ma il problema si presenta per il ricevitore ir
che risulta distubato , quindi a questo punto l'unica soluzione è inserire un transil o un
scaricatore a gas come diceva havy
ma non saprei come colleagarli al circuito ...
c'è qualche schema utile ed efficace da usare ?
In pratica mi resta solo da isolare la line dei dati dell'ir che va al PIC ..
eliminando anche il diodo, ma sembra che il segnale ir viene rallentato e questo distorce troppo
il protocollo di comunicazione con il PIC...
Per i led nessun problema, ma il problema si presenta per il ricevitore ir
che risulta distubato , quindi a questo punto l'unica soluzione è inserire un transil o un
scaricatore a gas come diceva havy
ma non saprei come colleagarli al circuito ...
c'è qualche schema utile ed efficace da usare ?
In pratica mi resta solo da isolare la line dei dati dell'ir che va al PIC ..
0
voti
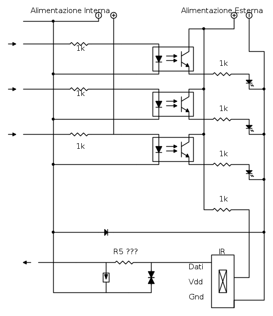
Ho trovato su internet che il modo migliore per isolare una linea è usare sia il transil che lo scaricatore a gas contemporaneamente.
Nei vari schemi che usano entrambi i componenti interpongono una resistenza tra i due
pero ora non so come calcolare quella resistenza e non so che tipo di scaricatore a gas andrebbe bene nel mio caso per il transil ho trovato solo questo modello a vendere su ebay da 5 volt
Dettagli su Diode 1N5908 5V 200A 1500W Transil :
per ora lo schema parziale è questo ma ripeto non so ne il tipo di scaricatore a gas usare ne
che resitenza --> R5 mettere tra il transil e lo scaricatore a gas
Nei vari schemi che usano entrambi i componenti interpongono una resistenza tra i due
pero ora non so come calcolare quella resistenza e non so che tipo di scaricatore a gas andrebbe bene nel mio caso per il transil ho trovato solo questo modello a vendere su ebay da 5 volt
Dettagli su Diode 1N5908 5V 200A 1500W Transil :
per ora lo schema parziale è questo ma ripeto non so ne il tipo di scaricatore a gas usare ne
che resitenza --> R5 mettere tra il transil e lo scaricatore a gas
0
voti
Ciao floppinoo, il problema che hai riscontrato è proprio quello al quale facevo riferimento nella considerazione 2) del [15] come possibile inconveniente. Non è detto però che non possa funzionare: intanto potresti provare a togliere il diodo che si trova in serie all'emettitore dell'opto (ammesso che tu l'abbia inserito) quindi proverei di nuovo. Poi, o contestualmente, valuterei l'impiego di un altro tipo di opto rispetto a quello con cui hai provato (immagino sia lo stesso impiegato per pilotare i leds) utilizzandone uno più "rapido" nelle commutazioni. Presumo non sia possibile abbassare la velocità di trasmissione del telecomando ma questa dovrebbe essere una delle ultime "carte" da giocare. Lo ripeto, io farei ancora dei tentativi insistendo su questa soluzione: non la escluderei perché non ha dato un esito positivo al primo approccio. Non voglio allargare la discussione alla modalità di acquisizione dei codici implementata sul micro altrimenti entrerebbero in gioco altre variabili per cui, lo ripeto, prova ancora prima di scartare definitivamente questa modalità d'interfaccia.
Saluti e buon lavoro.
P.S.
Ho visto adesso lo schema nel [19]: il diodo sopra la R5 è un refuso (è intenzionale) ?
Saluti e buon lavoro.
P.S.
Ho visto adesso lo schema nel [19]: il diodo sopra la R5 è un refuso (è intenzionale) ?
-

WALTERmwp
30,2k 4 8 13 - G.Master EY

- Messaggi: 8986
- Iscritto il: 17 lug 2010, 18:42
- Località: le 4 del mattino
Chi c’è in linea
Visitano il forum: Nessuno e 62 ospiti

Elettrotecnica e non solo (admin)
Un gatto tra gli elettroni (IsidoroKZ)
Esperienza e simulazioni (g.schgor)
Moleskine di un idraulico (RenzoDF)
Il Blog di ElectroYou (webmaster)
Idee microcontrollate (TardoFreak)
PICcoli grandi PICMicro (Paolino)
Il blog elettrico di carloc (carloc)
DirtEYblooog (dirtydeeds)
Di tutto... un po' (jordan20)
AK47 (lillo)
Esperienze elettroniche (marco438)
Telecomunicazioni musicali (clavicordo)
Automazione ed Elettronica (gustavo)
Direttive per la sicurezza (ErnestoCappelletti)
EYnfo dall'Alaska (mir)
Apriamo il quadro! (attilio)
H7-25 (asdf)
Passione Elettrica (massimob)
Elettroni a spasso (guidob)
Bloguerra (guerra)


