... ancora un'altra ... , potresti togliere anche la resistenza (intanto, per verificare la funzionalità) da 1K (mi riferisco sempre allo schema in [14]) presente sull'emettitore dell'opto dell'IR, posizionandone invece una di pull-up, sempre sulla stessa linea di ingresso al micro (ammesso che non ci sia già). Come leggi, dal mio punto di vista ci sarebbe ancora qualcosa da approfondire.
Saluti
Separare elettronicamente due circuiti contro il sabotaggio
Moderatori:
carloc,
g.schgor,
BrunoValente,
IsidoroKZ
1
voti
Ciò che intendevo era usare gli optoisolatori E gli scaricatori. La scarica di un accenditore piezoelettrico può attraversare il fotoaccoppiatore e raggiungere il circuito a valle. Se hai problemi di velocità scegli il componente giusto, non cambiare idea, che è la strada giusta. Ciò che non va bene è il riferimento in comune. I due circuiti devono essere completamente separati.
-

Heavy
565 1 5 - Utente disattivato per decisione dell'amministrazione proprietaria del sito
- Messaggi: 260
- Iscritto il: 28 dic 2013, 0:39
- Località: Conegliano Veneto
0
voti
si ho provato a togliere le resitenze e i diodi
in pratica prima ho provato a togliere il diodo
poi ho tolto le resitenze
ma non funziona ... opto usato è un cny74-4
non so se ce ne sono di più veloci e di che modelli
penso che per poter funzionare dovrei trovare un opto che riesce a commutare in meno di 560 usec.
vissto che è intervallo più piccolo che rappresenta lo 0 logico del protocollo nec con cui comunica il telecomando
il diodo su R5 lo inserito intenzionalmente ... è inutile ?
o.o non sapevo che un accendino piezoelettrico passasse pure un opto
ma per quale motivo elettrico ? non dovrebbe esere isolato
il led dal fototrasistor ??
Se essite quest'evenienza come devo inserire lo scaricatore a gas, il transil è inutile ?
in pratica prima ho provato a togliere il diodo
poi ho tolto le resitenze
ma non funziona ... opto usato è un cny74-4
non so se ce ne sono di più veloci e di che modelli
penso che per poter funzionare dovrei trovare un opto che riesce a commutare in meno di 560 usec.
vissto che è intervallo più piccolo che rappresenta lo 0 logico del protocollo nec con cui comunica il telecomando
il diodo su R5 lo inserito intenzionalmente ... è inutile ?
o.o non sapevo che un accendino piezoelettrico passasse pure un opto
ma per quale motivo elettrico ? non dovrebbe esere isolato
il led dal fototrasistor ??
Se essite quest'evenienza come devo inserire lo scaricatore a gas, il transil è inutile ?
0
voti
Un accenditore piezoelettrico raggiunge facilmente le decine di kV di picco. Vedi ad esempio questi da 14 kV (o più). Nessun fotoaccoppiatore standard regge queste scariche e lascia passare la corrente dal diodo al transistor. L'energia è minima ma più che sufficiente a distruggere qualunque pad di un microcontrollore.
-

Heavy
565 1 5 - Utente disattivato per decisione dell'amministrazione proprietaria del sito
- Messaggi: 260
- Iscritto il: 28 dic 2013, 0:39
- Località: Conegliano Veneto
0
voti
Quindi dovrei mettere uno scaricatore a gas su ogni ingressso/uscita al PIC, di che tipo, me ne diresti un modello che va bene nel mio caso ?
Una curiosita ma se inserisco un diodo o un fusibile questa scarica non viene nemeno fermata ?
Una curiosita ma se inserisco un diodo o un fusibile questa scarica non viene nemeno fermata ?
1
voti
Lo scaricatore devi metterlo prima del fotoaccoppiatore, non dopo. I fusibili non fanno nulla, i diodi si danneggiano lasciando passare la scarica. Più o meno qualsiasi scaricatore può andare bene per questa funzione. Adesso te ne trovo uno.
Questo per esempio.
Questo per esempio.
-

Heavy
565 1 5 - Utente disattivato per decisione dell'amministrazione proprietaria del sito
- Messaggi: 260
- Iscritto il: 28 dic 2013, 0:39
- Località: Conegliano Veneto
0
voti
Sei stato gentilisismissimo
mi hai trovato anche degli scaricatori economici
devo ora risolvere solo il problema della linea dati dell'ir e ho finito
devo ora risolvere solo il problema della linea dati dell'ir e ho finito
0
voti
Ciao floppinoo, sarebbe d'aiuto disporre di qualche dato certo in merito alla velocità di trasmissione del segnale diretto verso l'IR ed il criterio di monitoraggio della linea di ingresso al micro. Dando per scontato che il processo di acquisizione non sia "debole" (pur funzionando, potrebbe già "lavorare" in una condizione limite nella configurazione originale cioè in assenza dell'opto) allora potresti fare riferimento per esempio a quest'altro tipo di optoisolatori: ACSL-6210 della Avago Technologies. Ovviamente puoi anche proseguire nella ricerca di un altro prodotto altrettanto valido: l'importante è che ti garantisca un segnale di uscita (quello che va verso il micro) il più fedele possibile rispetto a quello che l'opto riceve in ingresso.
Saluti e buona notte
Saluti e buona notte
-

WALTERmwp
30,2k 4 8 13 - G.Master EY

- Messaggi: 8989
- Iscritto il: 17 lug 2010, 18:42
- Località: le 4 del mattino
0
voti
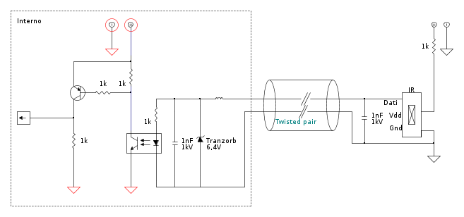
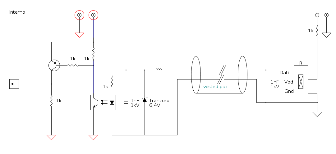
Floppinoo, è questo il circuito che hai provato ad usare per la comunicazione IR?
Se sì..un po' di cose:
1- La comunicazione è monodirezionale VERSO il PIC?
2- Manca la R di spegnimento del fotoaccoppiatore...senza altro che lento, non ci parli nemmeno in morse attraverso :)
3- perché prelevare l'uscita dall'emettitore del fotoaccoppiatore?
4- nessuno ti ha parlato dei cavi di connessione fra esterno e interno. Utilizza delle twisted pairs, così elimini il problema dell'accoppiamento magnetico.
5- A che velocità va la comunicazione?
Prova così, per la L serve sapere la velocità della trasmissione. Ovviamente, non vale se la comuinicazione deve essere bidirezionale.
il PNP serve a cambiare la polarità, nell'ipotesi che tu avessi prelevato il segnale dall'emettitore del fotoaccoppiatore perché lo volevi in fase con l'ingresso. Se non ti serve, puoi toglierlo e prendere il segnale direttamente sul collettore del fotoaccoppiatore.
Se sì..un po' di cose:
1- La comunicazione è monodirezionale VERSO il PIC?
2- Manca la R di spegnimento del fotoaccoppiatore...senza altro che lento, non ci parli nemmeno in morse attraverso :)
3- perché prelevare l'uscita dall'emettitore del fotoaccoppiatore?
4- nessuno ti ha parlato dei cavi di connessione fra esterno e interno. Utilizza delle twisted pairs, così elimini il problema dell'accoppiamento magnetico.
5- A che velocità va la comunicazione?
Prova così, per la L serve sapere la velocità della trasmissione. Ovviamente, non vale se la comuinicazione deve essere bidirezionale.
il PNP serve a cambiare la polarità, nell'ipotesi che tu avessi prelevato il segnale dall'emettitore del fotoaccoppiatore perché lo volevi in fase con l'ingresso. Se non ti serve, puoi toglierlo e prendere il segnale direttamente sul collettore del fotoaccoppiatore.
_______________________________________________________
Gli oscillatori non oscillano mai, gli amplificatori invece sempre
Io HO i poteri della supermucca, e ne vado fiero!
Gli oscillatori non oscillano mai, gli amplificatori invece sempre
Io HO i poteri della supermucca, e ne vado fiero!
4
voti
mmmm non mi sembra che sia necessario il PNP per invertire/raddrizzare la logica
Basta semplicemente prendere l'uscita (e mettere la resistenza di carico) su C o E seconda dei casi
Se proprio si volesse usare un BJT io lo metterei dal lato LED per amplificare l'uscita del ricevitore IR. Il data sheet è piuttosto poco chiaro e non mi pare riporti la caratteristica di uscita e la massima corrente e tra l'altro non mi pare troppo chiaro neanche se sia una open collector (parla di una Voh ma poi nell'applicativo consiglia un pull-up
).
Comunque anche se l'uscita non avesse problemi, con 1k serie la corrente nel LED sarebbe dalle parti di 2-3mA
che mi paiono un po' scarsini per pilotare l'opto efficacemente.
Per non abbassare troppo la r serie (che è molto buona cosa per la "robustezza" specialmente se splittata in due mezze resistenze ciascuna su una linea
) si potrebbe invece alimentare la parte esterna a tensione più elevata che so, 12V o anche 24 V, e realizzare un sistema con "impedenza caratteristica" più elevata
.
Infine per le protezioni valuterei bene in base anche al collegamento o meno a terra delle due alimentazioni (quella interna e quella esterna) se inserire anche qualcosa in modo comune...
P.S. ti è fuggita un resistenza da 1k in serie all'alimentazione del ricevitore
Se proprio si volesse usare un BJT io lo metterei dal lato LED per amplificare l'uscita del ricevitore IR. Il data sheet è piuttosto poco chiaro e non mi pare riporti la caratteristica di uscita e la massima corrente e tra l'altro non mi pare troppo chiaro neanche se sia una open collector (parla di una Voh ma poi nell'applicativo consiglia un pull-up
Comunque anche se l'uscita non avesse problemi, con 1k serie la corrente nel LED sarebbe dalle parti di 2-3mA
Per non abbassare troppo la r serie (che è molto buona cosa per la "robustezza" specialmente se splittata in due mezze resistenze ciascuna su una linea
Infine per le protezioni valuterei bene in base anche al collegamento o meno a terra delle due alimentazioni (quella interna e quella esterna) se inserire anche qualcosa in modo comune...
P.S. ti è fuggita un resistenza da 1k in serie all'alimentazione del ricevitore
Se ti serve il valore di beta: hai sbagliato il progetto!
Chi c’è in linea
Visitano il forum: Nessuno e 124 ospiti

Elettrotecnica e non solo (admin)
Un gatto tra gli elettroni (IsidoroKZ)
Esperienza e simulazioni (g.schgor)
Moleskine di un idraulico (RenzoDF)
Il Blog di ElectroYou (webmaster)
Idee microcontrollate (TardoFreak)
PICcoli grandi PICMicro (Paolino)
Il blog elettrico di carloc (carloc)
DirtEYblooog (dirtydeeds)
Di tutto... un po' (jordan20)
AK47 (lillo)
Esperienze elettroniche (marco438)
Telecomunicazioni musicali (clavicordo)
Automazione ed Elettronica (gustavo)
Direttive per la sicurezza (ErnestoCappelletti)
EYnfo dall'Alaska (mir)
Apriamo il quadro! (attilio)
H7-25 (asdf)
Passione Elettrica (massimob)
Elettroni a spasso (guidob)
Bloguerra (guerra)





