Le soglie sono fisse, ma le % sono riferite al 12V.
A causa dell'offset di 50mV, il segnale non è proporzionale
ma, come già detto, va da 50mV a 110mV e le soglie sono
5.5V (45% di 12V) e
10V (83% di 12V)
Display di velocità dipendente da sensori di nebbia e acqua
Moderatori:
carloc,
g.schgor,
BrunoValente,
IsidoroKZ
0
voti
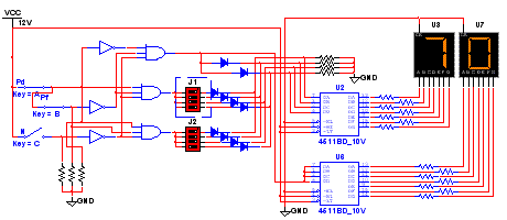
Ecco una variante del progetto, con possibilità di
impostazione manuale dei valori di velocità
corrispondenti alle varie condizioni.
Lo schema è limitato a soli 2 dip-switch, ma si intende esteso
alle 5 condizioni previste (aggiungendo AND, dip-switch
e diodi relativi).
impostazione manuale dei valori di velocità
corrispondenti alle varie condizioni.
Lo schema è limitato a soli 2 dip-switch, ma si intende esteso
alle 5 condizioni previste (aggiungendo AND, dip-switch
e diodi relativi).
0
voti
Linrush ha scritto:pensavo a una soluzione totalmente diversa
Sarebbe bello discuterne.
Linrush ha scritto:Ma per il sensore di nebbia?
Penso tu debba realizzare un circuito come questo:
0
voti
Dunque... Vediamo se ho capito.
Il diodo percepisce la luce e abilita il pin 2, il pin 3 ha 0,09 è collegato alla batteria di 9 volt e il pin 6 è un segnale di tensione? o ancora di corrente? R2, il transistor,r1, r3.... Non ci sto capendo nulla
Il diodo percepisce la luce e abilita il pin 2, il pin 3 ha 0,09 è collegato alla batteria di 9 volt e il pin 6 è un segnale di tensione? o ancora di corrente? R2, il transistor,r1, r3.... Non ci sto capendo nulla
0
voti
IC1 è un comparatore con una soglia stabilita da VR.
Se il fotodiodo è illuminato T1 conduce (ed il LED si accende).
Se l'illuminazione del fotodiodo scende sotto la soglia,
il transistor si interdice (e il LED si spegne)
La tensione del collettore di T1 può essere quindi usata
come segnale di nebbia.
Se il fotodiodo è illuminato T1 conduce (ed il LED si accende).
Se l'illuminazione del fotodiodo scende sotto la soglia,
il transistor si interdice (e il LED si spegne)
La tensione del collettore di T1 può essere quindi usata
come segnale di nebbia.
0
voti
ma stiamo assumendo che il sensore ci di aun segnale in tensione, mentre abbiamo una corrente. Il comparatore non ci aiuta o no? Non dovremmo potenziare il segnale poi?
0
voti
La maggior corrente (inversa) del fotodiodo fa
aumentare la tensione di R1 e mantiene a (ca.) 0V
l'uscita del comparatore
Se manca la corrente del fotodiodo, l'uscita del comparatore
va al massimo valore positivo.
aumentare la tensione di R1 e mantiene a (ca.) 0V
l'uscita del comparatore
Se manca la corrente del fotodiodo, l'uscita del comparatore
va al massimo valore positivo.
Chi c’è in linea
Visitano il forum: Nessuno e 52 ospiti

Elettrotecnica e non solo (admin)
Un gatto tra gli elettroni (IsidoroKZ)
Esperienza e simulazioni (g.schgor)
Moleskine di un idraulico (RenzoDF)
Il Blog di ElectroYou (webmaster)
Idee microcontrollate (TardoFreak)
PICcoli grandi PICMicro (Paolino)
Il blog elettrico di carloc (carloc)
DirtEYblooog (dirtydeeds)
Di tutto... un po' (jordan20)
AK47 (lillo)
Esperienze elettroniche (marco438)
Telecomunicazioni musicali (clavicordo)
Automazione ed Elettronica (gustavo)
Direttive per la sicurezza (ErnestoCappelletti)
EYnfo dall'Alaska (mir)
Apriamo il quadro! (attilio)
H7-25 (asdf)
Passione Elettrica (massimob)
Elettroni a spasso (guidob)
Bloguerra (guerra)


