Cos'è ElectroYou | Login Iscriviti

ElectroYou - la comunità dei professionisti del mondo elettrico

Incrocio gestito da semafori per via di sensori di movimento

Elettronica lineare e digitale: didattica ed applicazioni

Moderatori: Foto Utentecarloc, Foto Utenteg.schgor, Foto UtenteBrunoValente, Foto UtenteIsidoroKZ

0
voti

[11] Re: Incrocio gestito da semafori per via di sensori di movim

Messaggioda Foto Utenteg.schgor » 10 feb 2014, 8:03

Mi sembra tu non consideri la "simmetria" del semaforo:
ovviamente il comportamento nei 2 sensi è inverso
(quando uno e verde l'altro è rosso , e viceversa)
Quindi le uscite (Q e \overline{Q}) di un FF
sono ideali per realizzare questa inversione ad ogni Reset
del contatore (cioè ogni 30s).
Avatar utente
Foto Utenteg.schgor
57,8k 9 12 13
G.Master EY
G.Master EY
 
Messaggi: 16971
Iscritto il: 25 ott 2005, 9:58
Località: MILANO

0
voti

[12] Re: Incrocio gestito da semafori per via di sensori di movim

Messaggioda Foto UtenteLinrush » 10 feb 2014, 10:58

Ma il FF dove dici di posizionarlo? Fuori dal semaforo di modo da poter attivare due semafori, uno che inizia a verde e l'altro a rosso?
Attualmente come fa il semaforo a restare 30s a rosso? Dopo i primi 30 s di verde, viene resettato e ricomincia dal verde dopo 1s di rosso.

Perdonami ma nn ti seguo.
Avatar utente
Foto UtenteLinrush
119 1 6
Frequentatore
Frequentatore
 
Messaggi: 165
Iscritto il: 22 gen 2014, 13:49

0
voti

[13] Re: Incrocio gestito da semafori per via di sensori di movim

Messaggioda Foto Utenteg.schgor » 10 feb 2014, 12:09

Linrush ha scritto: Fuori dal semaforo ...

:?: Ma ad un incrocio la centralina semaforica è una sola (che poi comanda
a 2 a 2, le lampade poste sui 4 lati).
In definitiva non dobbiamo fare altro che contare il tempo
(di verde in un senso, quindi rosso dall'altra), poi invertire
l'accensione delle rispettive lampade e così via.
Avatar utente
Foto Utenteg.schgor
57,8k 9 12 13
G.Master EY
G.Master EY
 
Messaggi: 16971
Iscritto il: 25 ott 2005, 9:58
Località: MILANO

0
voti

[14] Re: Incrocio gestito da semafori per via di sensori di movim

Messaggioda Foto UtenteLinrush » 10 feb 2014, 12:18

Sto per essere silurato...



Dici questo x caso? No vero?
Avatar utente
Foto UtenteLinrush
119 1 6
Frequentatore
Frequentatore
 
Messaggi: 165
Iscritto il: 22 gen 2014, 13:49

0
voti

[15] Re: Incrocio gestito da semafori per via di sensori di movim

Messaggioda Foto Utenteg.schgor » 10 feb 2014, 12:33

Dovresti fare meno schemi e riflettere di più su quello
che devi ottenere.
Il FF va messo dopo il contatore (ho già detto che deve
commutare ogni 30s e comandare le varie lampade).

Prova a disegnare 4 lampade (rosso e verde per ogni verso di marcia,
lasciamo stare per il momento il giallo) e immagina di doverle
comandare alternativamente. Come faresti?
Avatar utente
Foto Utenteg.schgor
57,8k 9 12 13
G.Master EY
G.Master EY
 
Messaggi: 16971
Iscritto il: 25 ott 2005, 9:58
Località: MILANO

0
voti

[16] Re: Incrocio gestito da semafori per via di sensori di movim

Messaggioda Foto UtenteLinrush » 10 feb 2014, 12:49

Avatar utente
Foto UtenteLinrush
119 1 6
Frequentatore
Frequentatore
 
Messaggi: 165
Iscritto il: 22 gen 2014, 13:49

0
voti

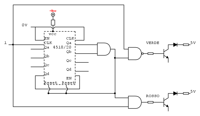
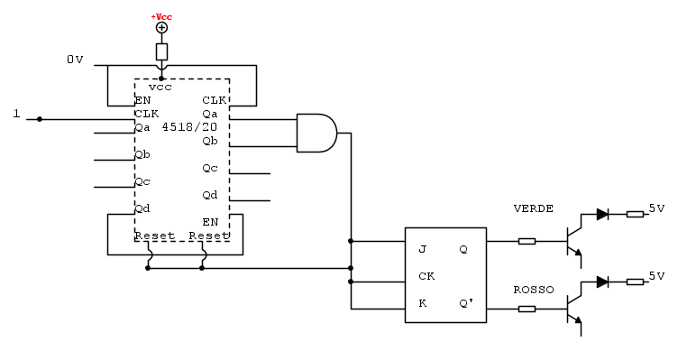
[17] Re: Incrocio gestito da semafori per via di sensori di movim

Messaggioda Foto Utenteg.schgor » 10 feb 2014, 13:53

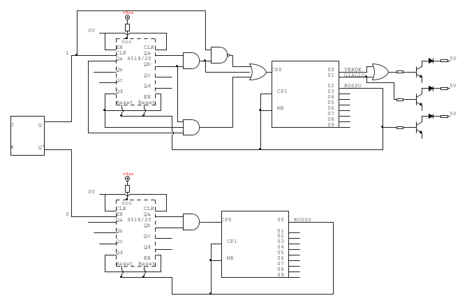
A parte l'inversione dei LED (pilotati dai transistor).
mi spieghi come dovrebbe funzionare il tuo circuito?
Il CLK del contatore è sempre a "1" (quindi non conta
nessun impulso), ma se anche contasse, i comandi
di uscita verso i transistor sarebbero un impulso di
pochi us (quello di Reset contatori) per cui in pratica
verde sempre acceso e rosso sempre spento...
E' proprio qui che devi inserire il FF. Non ti pare?
Avatar utente
Foto Utenteg.schgor
57,8k 9 12 13
G.Master EY
G.Master EY
 
Messaggi: 16971
Iscritto il: 25 ott 2005, 9:58
Località: MILANO

0
voti

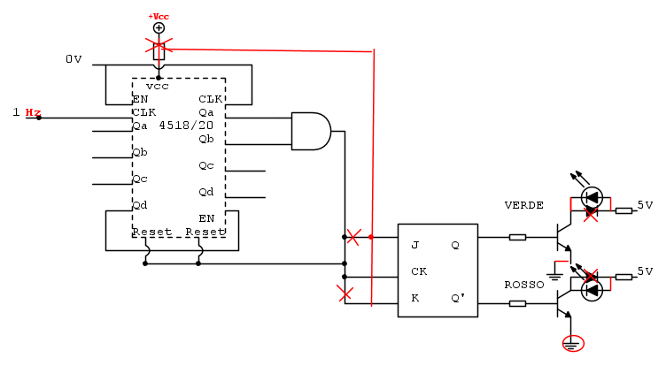
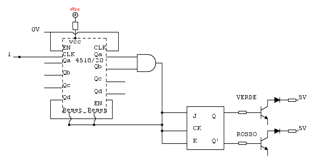
[18] Re: Incrocio gestito da semafori per via di sensori di movim

Messaggioda Foto UtenteLinrush » 10 feb 2014, 14:19

1 per dire 1Hz, un impulso ogni secondo. In effetti a 30 il rosso rimane spento :twisted:



anche questo non funziona. Inizialmente il FF in uscita ha 0 e tutto spento, dopo 30s uno si accende e uno si spegne e nei successivi 30s di alterna. Non mi convince
Avatar utente
Foto UtenteLinrush
119 1 6
Frequentatore
Frequentatore
 
Messaggi: 165
Iscritto il: 22 gen 2014, 13:49

0
voti

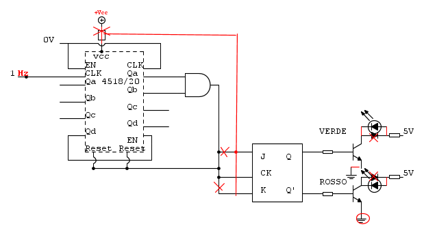
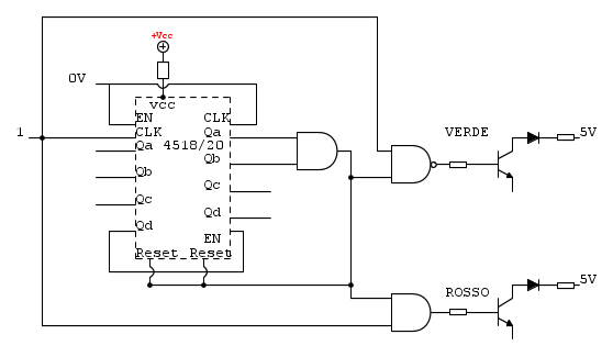
[19] Re: Incrocio gestito da semafori per via di sensori di movim

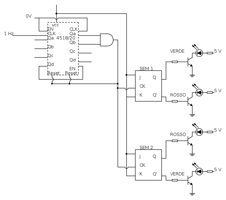
Messaggioda Foto Utenteg.schgor » 10 feb 2014, 15:47

Ora va bene (con qualche correzione)


Questo vale per un senso di marcia (quando è acceso il rosso,
il verde è spento e viceversa)
Mettendo in parallelo a questi altri a colori invertiti.
puoi comandare tutti i semafori dell'incrocio ed
ogni 30s i Led si scambiano accensione.
Avatar utente
Foto Utenteg.schgor
57,8k 9 12 13
G.Master EY
G.Master EY
 
Messaggi: 16971
Iscritto il: 25 ott 2005, 9:58
Località: MILANO

0
voti

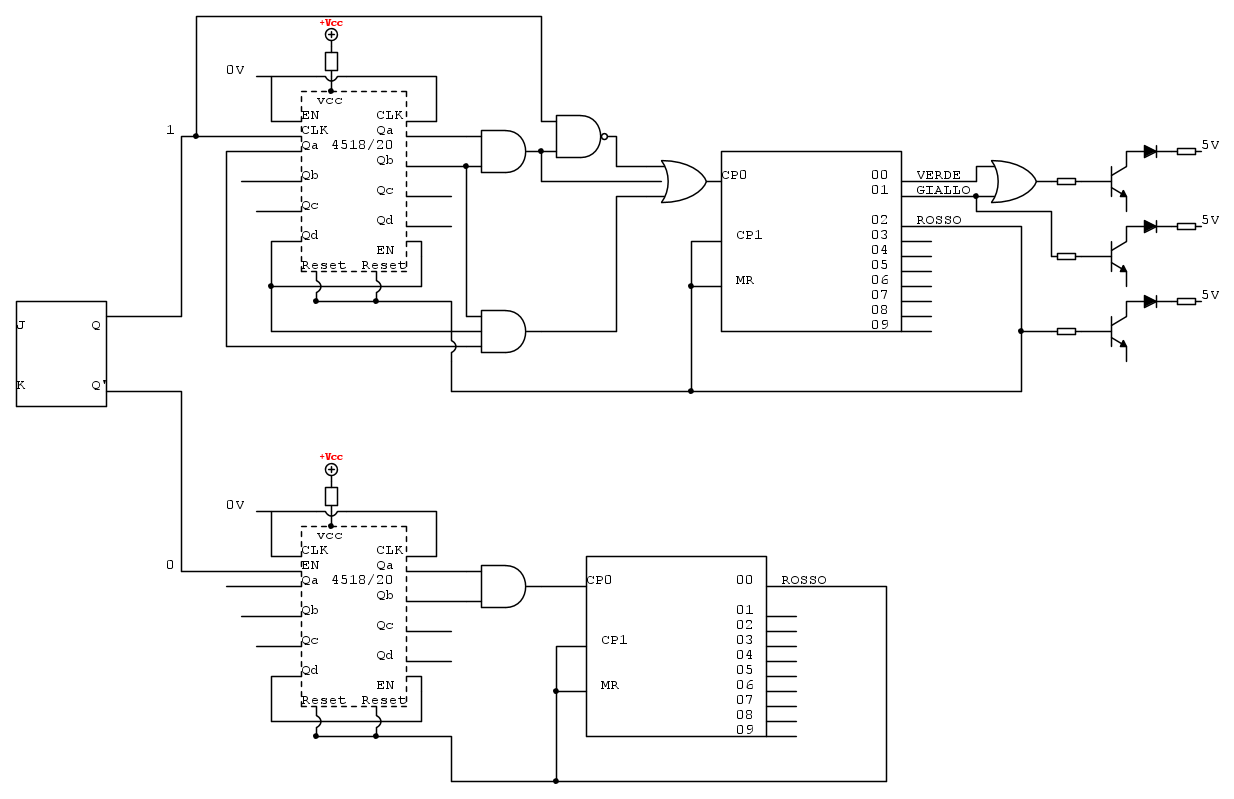
[20] Re: Incrocio gestito da semafori per via di sensori di movim

Messaggioda Foto UtenteLinrush » 10 feb 2014, 16:53

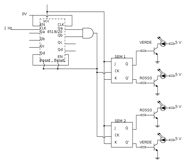
Il dubbio era dovuto al fatto che per i primi 30 secondi di partenza del contatore tutti i semafori erano spenti. Nei successivi 30s poi ciclicamente tutto funziona.



Stavo pensando di inserire il giallo, ma ho problemi a cpaire come fare nell'inversione. un altro FF? che gestisce solo il giallo per i due?
Avatar utente
Foto UtenteLinrush
119 1 6
Frequentatore
Frequentatore
 
Messaggi: 165
Iscritto il: 22 gen 2014, 13:49

PrecedenteProssimo

Torna a Elettronica generale

Chi c’è in linea

Visitano il forum: Google [Bot] e 58 ospiti