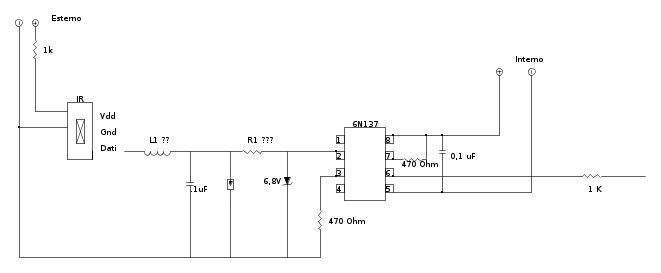
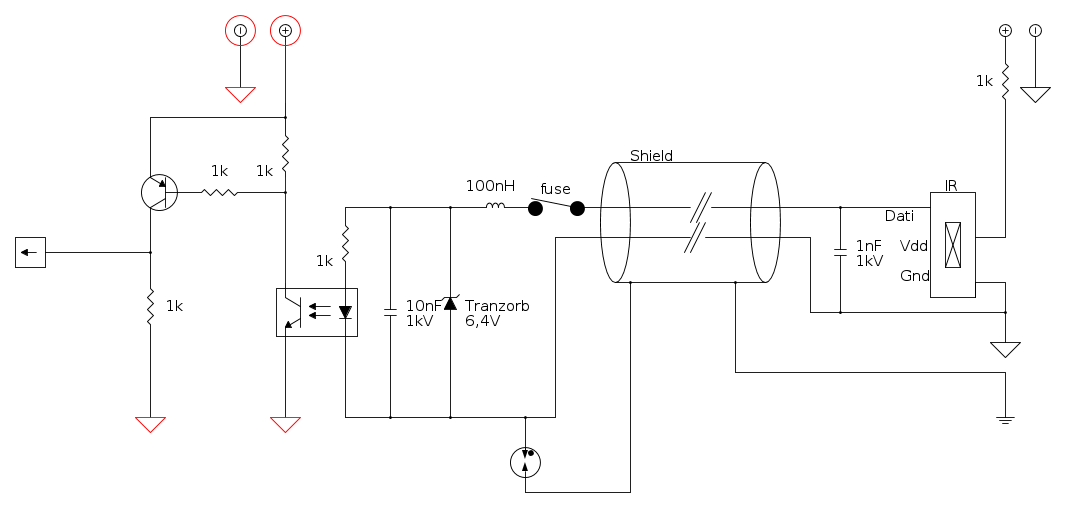
ho usato i vostri suggerimenti e il circuito di obiuan e i suggerimenti di Candy
(sperando pero di averli capiti ... chiedo scusa se ho commesso errori)
inoltre ho usato il circuito presente su datasheet dell' Opto
che trovate qui --> https://www.fairchildsemi.com/ds/6N/6N137.pdf
ho inserito anche lo scaricatore a gas prima del transil da 6,8
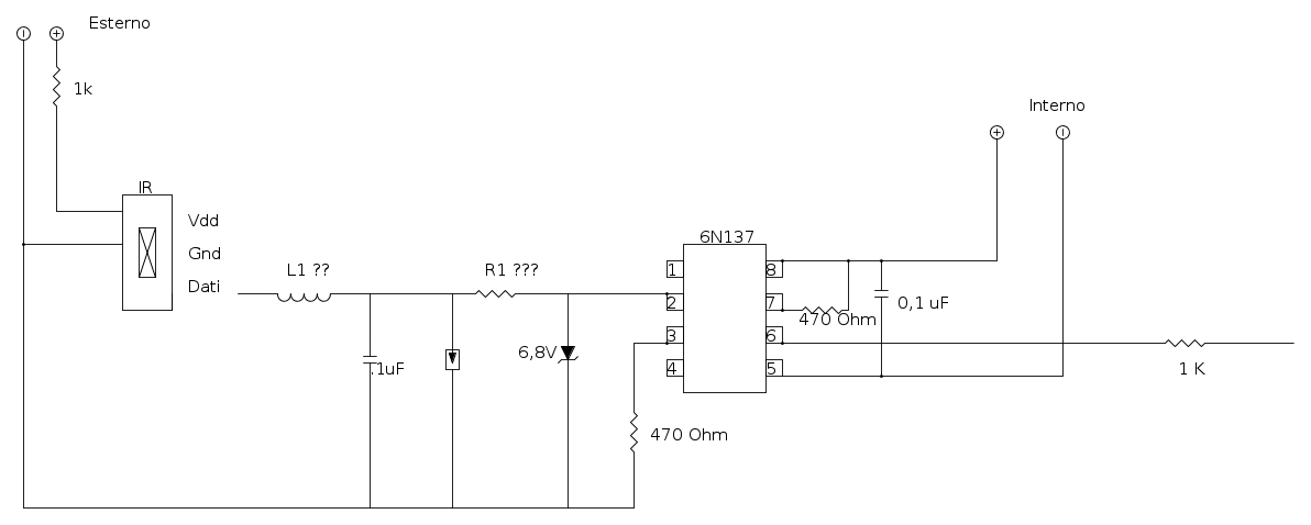
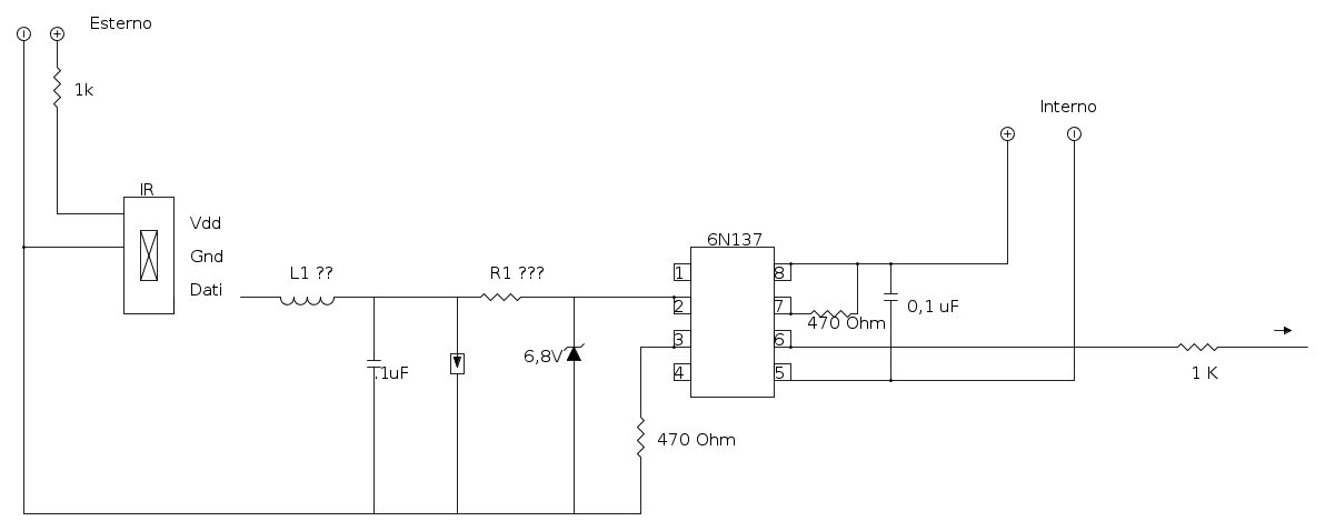
insomma quello che ne viene fuori sarebbe questo :
L'unica cosa è che non so calcolare il valore di L1 e R1
R1 lo inserita perche ho ripereso il circuito trovato in questa dispensa
--> http://www.phoenixcontact.it/technologi ... _67220.htm
ma arrivato alla formula non ho capito come calcolarla
Magari lo posto cosi vediamo se salta qualche errore
o magari qualche suggerimento per calcolare L1 e R1
*ps WALTERmwp tranqui penso che la prossima settimana
(verso fine settimana, quando mi arriveranno i componeti) proverò
il circuito su piastra sperimentale. Penso proprio
che cambieranno le cose. Passare da un opto che
commuta in 1 mS a un opto che commuta nell ordine di pochi nanosecondi ne passa tanta di differenza
in termini di veloicita

Elettrotecnica e non solo (admin)
Un gatto tra gli elettroni (IsidoroKZ)
Esperienza e simulazioni (g.schgor)
Moleskine di un idraulico (RenzoDF)
Il Blog di ElectroYou (webmaster)
Idee microcontrollate (TardoFreak)
PICcoli grandi PICMicro (Paolino)
Il blog elettrico di carloc (carloc)
DirtEYblooog (dirtydeeds)
Di tutto... un po' (jordan20)
AK47 (lillo)
Esperienze elettroniche (marco438)
Telecomunicazioni musicali (clavicordo)
Automazione ed Elettronica (gustavo)
Direttive per la sicurezza (ErnestoCappelletti)
EYnfo dall'Alaska (mir)
Apriamo il quadro! (attilio)
H7-25 (asdf)
Passione Elettrica (massimob)
Elettroni a spasso (guidob)
Bloguerra (guerra)






non pensare alle mie induttanze 
