Flip-flop JK: problemi di temporizzazione
Moderatori:
carloc,
g.schgor,
BrunoValente,
IsidoroKZ
31 messaggi
• Pagina 3 di 4 • 1, 2, 3, 4
0
voti
Booo, io queste cose non le ho mai studiate a scuola e con i nomi mi confondo, se mi fai vedere lo schema ti dico come funziona.
-

BrunoValente
39,6k 7 11 13 - G.Master EY

- Messaggi: 7796
- Iscritto il: 8 mag 2007, 14:48
2
voti
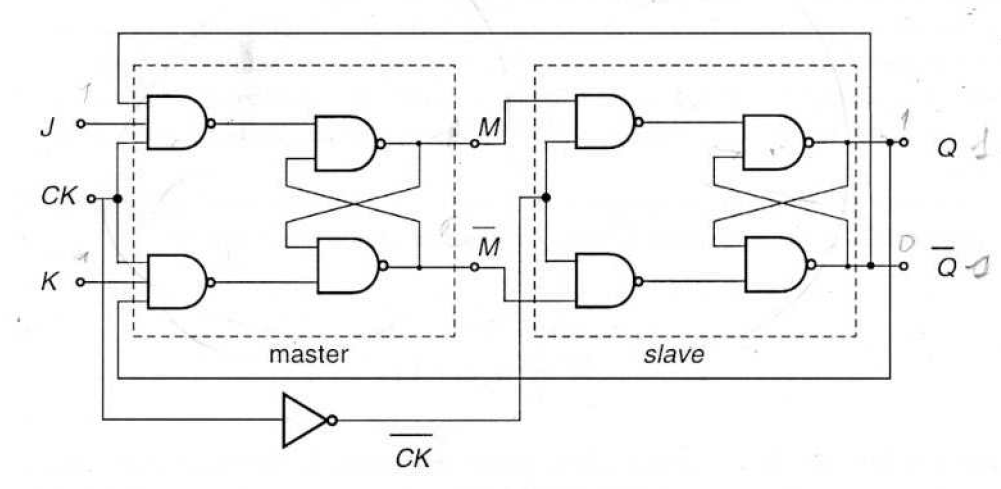
In questo caso il clock può rimanere alto o basso quanto si vuole, lo stato delle uscite può variare soltanto durante il fronte di discesa del clock.
Se J e K sono alti allora le uscite si invertono ad ogni fronte di discesa del clock.
Quando il clock va alto succede che M diventa come Qnegato e Mnegato diventa come Q, quando poi il clock va basso Q diventa come M e Qnegato diventa come Mnegato, quindi le uscite si invertono ogni volta che il clock va basso.
Se J e K sono alti allora le uscite si invertono ad ogni fronte di discesa del clock.
Quando il clock va alto succede che M diventa come Qnegato e Mnegato diventa come Q, quando poi il clock va basso Q diventa come M e Qnegato diventa come Mnegato, quindi le uscite si invertono ogni volta che il clock va basso.
-

BrunoValente
39,6k 7 11 13 - G.Master EY

- Messaggi: 7796
- Iscritto il: 8 mag 2007, 14:48
0
voti
Durante il fronte di discesa del clock le uscite variano proprio perché l invertitore pone il clock in ingresso al circuitito SLAVE come un 1 giusto ? per cui il primo circuito risulta disabilitato ed il circuito diventa a sè pilotato dagli ingressi M e Mnegato , ma il secondo circuito non essendo reazionato è paragonabile ad un semplice flip flop SR con porte nand quindi un latch sincronizzato ?
0
voti
pero' nel latch sr con porta nand nella situazione in cui entrambi gli ingressi sono bassi si verifica la metastabilita' , perché se questo è paragonabile cio' non si verifica ?
0
voti
Perché in questo caso mi pare non sia possibile che vadano entrambi gli ingressi a 0
-

BrunoValente
39,6k 7 11 13 - G.Master EY

- Messaggi: 7796
- Iscritto il: 8 mag 2007, 14:48
0
voti
Se le uscite Q e Qnegato sono sempre complementari, ti pare possibile che le uscite nelle porte Nand a tre ingressi possano essere entrambe basse?
-

BrunoValente
39,6k 7 11 13 - G.Master EY

- Messaggi: 7796
- Iscritto il: 8 mag 2007, 14:48
0
voti
Chiaro , perdonami, l'avevo considerato in tutti i sensi un latch SR quindi staccato completamente dal circuito di master, errore mio .
Ti ringrazio ancora molte per la disponibilita' .
Ti ringrazio ancora molte per la disponibilita' .
31 messaggi
• Pagina 3 di 4 • 1, 2, 3, 4
Chi c’è in linea
Visitano il forum: Nessuno e 149 ospiti

Elettrotecnica e non solo (admin)
Un gatto tra gli elettroni (IsidoroKZ)
Esperienza e simulazioni (g.schgor)
Moleskine di un idraulico (RenzoDF)
Il Blog di ElectroYou (webmaster)
Idee microcontrollate (TardoFreak)
PICcoli grandi PICMicro (Paolino)
Il blog elettrico di carloc (carloc)
DirtEYblooog (dirtydeeds)
Di tutto... un po' (jordan20)
AK47 (lillo)
Esperienze elettroniche (marco438)
Telecomunicazioni musicali (clavicordo)
Automazione ed Elettronica (gustavo)
Direttive per la sicurezza (ErnestoCappelletti)
EYnfo dall'Alaska (mir)
Apriamo il quadro! (attilio)
H7-25 (asdf)
Passione Elettrica (massimob)
Elettroni a spasso (guidob)
Bloguerra (guerra)
