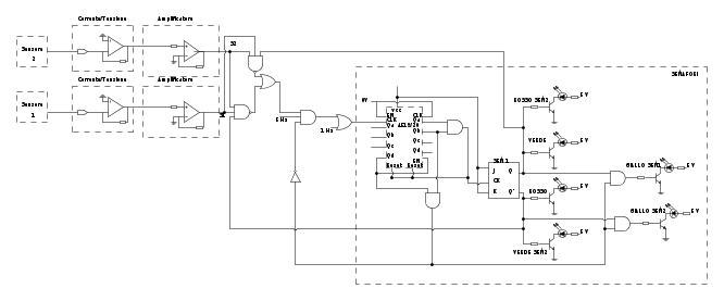
Linrush ha scritto: gli ingressi della and che fanno? e la OR che scopo ha?
A questo punto non dirmi che non capisci le funzioni di AND e OR
Normalmente il CLK è alimentato da 1Hz, ma quando il circuito
dei sensori si attiva (auto in attesa al semaforo rosso e nessun traffico
nel senso del verde) si aggiunge una frequenza d'impulsi (5Hz),
fino a raggiungere il conteggio di 28 (cioè fino al comando del giallo)
Linrush ha scritto:Nel nostro caso a 1 Hz D è 0,5?
il duty-cycle è normalmente espresso in %,quindi un'onda quadra
è al 50%, ma questo bloccherebbe l'azione dei 5 Hz ogni mezzo secondo.
Bisogna ridurre questo ad 1/10s.

Elettrotecnica e non solo (admin)
Un gatto tra gli elettroni (IsidoroKZ)
Esperienza e simulazioni (g.schgor)
Moleskine di un idraulico (RenzoDF)
Il Blog di ElectroYou (webmaster)
Idee microcontrollate (TardoFreak)
PICcoli grandi PICMicro (Paolino)
Il blog elettrico di carloc (carloc)
DirtEYblooog (dirtydeeds)
Di tutto... un po' (jordan20)
AK47 (lillo)
Esperienze elettroniche (marco438)
Telecomunicazioni musicali (clavicordo)
Automazione ed Elettronica (gustavo)
Direttive per la sicurezza (ErnestoCappelletti)
EYnfo dall'Alaska (mir)
Apriamo il quadro! (attilio)
H7-25 (asdf)
Passione Elettrica (massimob)
Elettroni a spasso (guidob)
Bloguerra (guerra)



