Il programma è decisamente impegnativo! In bocca al lupo...
Per i sensori, se l'uscita è in corrente, occorre inviarla su una resistenza
e rilevare il livello di tensione con un comparatore (es. 339)
Se hai altri dubbi, chiedi pure.
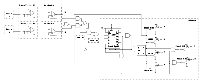
Incrocio gestito da semafori per via di sensori di movimento
Moderatori:
carloc,
g.schgor,
BrunoValente,
IsidoroKZ
0
voti
Crepi il lupo :)
Grazie grazie grazie e grazie!!!
Toglimi un dubbio sul convertitore corrente/tensione, vorrei potergli scrivere eventualmente il funzionamento se nel compito lo dovessi usare.
La configurazione circuitale presenta resistenze d'ingreso e di uscita entrambe pari a zero. Nella resistenza d'ingresso essendo nulla la corrente scorre sul ramo di reazione che incontra la resistenza di carico anchessa nulla, quindi la corrente entra dentro l'operazionale nell'ingresso invertente che incontra resistenza zero e si chiude a massa.
Domanda:
in uscita non avremmo una tensione negativa?
Il testo avendo dato un solo clock a frequenza pari 1 Hz non si doveva usare un duplicatore di frequenza x 5 per ottenere il clock a 5Hz?
Il clock non deve essere alimentato?
0
voti
Gli amplificatori operazionali nel tuo schema non hanno senso
per i seguenti motivi:
-se i segnali dei sensori sono in corrente devi chiuderli su resistenze
(verso massa) in modo da trasformarli in tensioni e poi applicare un
comparatore.
-se mandi un segnale sull'ingresso invertente (-), l'uscita dell'amplificatore
sarà negativa (se l'amplificatore è alimentato con tensione duale,
altrimenti sarà ca. zero)
Devi quindi sostituire gli amplificatori con comparatori (come fatto
nel caso dei sensori di pioggia)
per i seguenti motivi:
-se i segnali dei sensori sono in corrente devi chiuderli su resistenze
(verso massa) in modo da trasformarli in tensioni e poi applicare un
comparatore.
-se mandi un segnale sull'ingresso invertente (-), l'uscita dell'amplificatore
sarà negativa (se l'amplificatore è alimentato con tensione duale,
altrimenti sarà ca. zero)
Devi quindi sostituire gli amplificatori con comparatori (come fatto
nel caso dei sensori di pioggia)
0
voti
In questo modo avendo Rs e R2 nulle avrò una tensione in uscita. Correttamente tu dici di dover aggiungere un comparatore dopo questo no? Prima dovrei inserire LM358 per amplificarlo. Vediamo se questo è giusto:
Nell' LM339 come tensione di riferimento cosa metto? So che se il sensore fornisce una corrente di 10 uA significa che vi è la presenza di un'auto. Dovrei stabilire una soglia a quel valore. Ma in tensione come lo quantifico?
1
voti
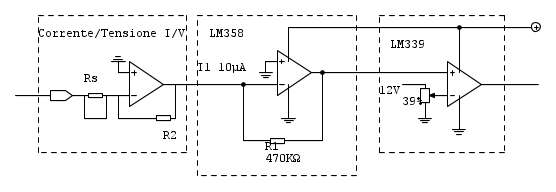
Se devi amplificare la corrente del sensore allora sì
occorre anche un opamp (es. 358).
Ma attenzione alle polarità: le uscite devono risultare positive
(prevedendo un'alimentazione singola, non duale) e poi vanno
specificati i valori dei componenti .
Ecco una simulazione in Multisim:
10uA vengono convertiti in 4.7V e confrontati in un comparatore.
Fissando il l livello di soglia a questo valore (39% di 12V) si ha
un'uscita "1" per i valori superiori.
occorre anche un opamp (es. 358).
Ma attenzione alle polarità: le uscite devono risultare positive
(prevedendo un'alimentazione singola, non duale) e poi vanno
specificati i valori dei componenti .
Ecco una simulazione in Multisim:
10uA vengono convertiti in 4.7V e confrontati in un comparatore.
Fissando il l livello di soglia a questo valore (39% di 12V) si ha
un'uscita "1" per i valori superiori.
0
voti
Volendo calcolare manualmente i valori come faccio?
La resistenza R1=470 come la ottengo?
La tensione amplificata che ti risulta 4,7V la ottengo con la sovrapposizione degli effetti? Se non conosco questa non posso stabilire una % al potenziometro
0
voti
Non capisco cos'è il blocco "corrente /tensione£. E' il sensore?
(industrialmente parlando un sensore con uscita 10uA
è comunque un'assurdità).
Il calcolo è quello normale degli amplificatori operazionali:
poiché per l'equilibrio deve essere V+=V- e nella resistenza
di retroazione circola la corrente d'ingresso, la tensione d'uscita
è facilmente ricavabile.(vedi comunque la lettura del voltmetro
nella simulazione)
(industrialmente parlando un sensore con uscita 10uA
è comunque un'assurdità).
Il calcolo è quello normale degli amplificatori operazionali:
poiché per l'equilibrio deve essere V+=V- e nella resistenza
di retroazione circola la corrente d'ingresso, la tensione d'uscita
è facilmente ricavabile.(vedi comunque la lettura del voltmetro
nella simulazione)
0
voti
Sono stonato
Dunque, quel blocco in uscita da tensione, quindi l'amplificatore che c'e dopo è un amplificatore di tensione non di corrente come ho indicato. Però non occorre utilizzando il 358 giusto?
Per la tensione sempre la solita legge di ohm. Si, si chiaro adesso.
Dunque, quel blocco in uscita da tensione, quindi l'amplificatore che c'e dopo è un amplificatore di tensione non di corrente come ho indicato. Però non occorre utilizzando il 358 giusto?
Per la tensione sempre la solita legge di ohm. Si, si chiaro adesso.
0
voti
Un'altra domanda:
Potevo ad esempio mettere una resistenza di 500KOhm? avrei avuto in uscita una tensione di 5V e sul potenziometro avrei avuto 41.6%.
questa cosa si poteva fare?
Potevo ad esempio mettere una resistenza di 500KOhm? avrei avuto in uscita una tensione di 5V e sul potenziometro avrei avuto 41.6%.
questa cosa si poteva fare?
Chi c’è in linea
Visitano il forum: Nessuno e 36 ospiti

Elettrotecnica e non solo (admin)
Un gatto tra gli elettroni (IsidoroKZ)
Esperienza e simulazioni (g.schgor)
Moleskine di un idraulico (RenzoDF)
Il Blog di ElectroYou (webmaster)
Idee microcontrollate (TardoFreak)
PICcoli grandi PICMicro (Paolino)
Il blog elettrico di carloc (carloc)
DirtEYblooog (dirtydeeds)
Di tutto... un po' (jordan20)
AK47 (lillo)
Esperienze elettroniche (marco438)
Telecomunicazioni musicali (clavicordo)
Automazione ed Elettronica (gustavo)
Direttive per la sicurezza (ErnestoCappelletti)
EYnfo dall'Alaska (mir)
Apriamo il quadro! (attilio)
H7-25 (asdf)
Passione Elettrica (massimob)
Elettroni a spasso (guidob)
Bloguerra (guerra)






