Salve a tutti
il motore in questione è il classico motore a induzione a due velocità, solo che ha una morsettiera con 7 contatti (esclusa la terra che ha un morsetto sulla carcassa). Tuttavia i dati di targa sono del tutto simili a due altri motori che possiedo con morsettiera a 5 fili.
Qualcuno mi può postare uno schema per i collegamenti da effettuare?
Non riesco assolutamente a capire gli altri due contatti in più a cosa servono, ho pensato che andassero direttamente al condensatore ma non sono affatto sicuro.
Grazie in anticipo
Alessandro
Cablaggio motore lavatrice a 7 fili SOLE
Moderatori:
SandroCalligaro,
mario_maggi,
fpalone
27 messaggi
• Pagina 1 di 3 • 1, 2, 3
0
voti
-

alessandro87
774 2 5 9 - Utente disattivato su sua richiesta
- Messaggi: 652
- Iscritto il: 1 gen 2013, 23:38
2
voti
Non hai dato sufficienti informazioni: dovresti indicare i colori dei fili, e la resistenza in ohm che trovi tra loro.Qualcuno mi può postare uno schema per i collegamenti da fare?
-

StefanoSunda
2.880 3 6 10 - Master

- Messaggi: 1962
- Iscritto il: 16 set 2010, 19:29
0
voti
I dati di targa sono i seguenti:
- motore SOLE type 20571 .256 Cl.F
- 1,5 A, 55 W e 300 rpm per la bassa velocità
- 3,5 A, 170 W e 2800 rpm per l'alta velocità
- capacità condensatore 16 uF
Dunque, la morsettiera ha 7 fili, nell'ordine blu (B), grigio (G), marrone chiaro (MC), marrone scuro (MS), nero (N), rosso (R) e rosso - bianco (RB)
Misurando tra B e RB ho trovato 10.4 Ohm, quindi presumo si tratti dell'avvolgimento di lavoro di alta velocità.
Di tutte le misure di resistenza riporto le seguenti (che ritengo significative):
- resistenza RB - B = 10.4 Ohm
- resistenza RB - G = 58.5 Ohm
- resistenza RB - MC = 30.3 Ohm
- resistenza RB - MS = 59.5 Ohm
- resistenza RB - N = infinito
- resistenza RB - R = infinito
La resistenza tra nero e qualsiasi altro conduttore (tranne il rosso) è infinito.
La resistenza tra rosso e qualsiasi altro conduttore (tranne il nero) è infinito.
Nero e rosso quindi "segnano solo tra loro", con una resistenza di 18.1 Ohm
Quello che ho concluso è questo:
- Blu = avvolgimento alta velocità (lavoro)
- Grigio = avvolgimento bassa velocità (lavoro / spunto)
- Marrone chiaro = avvolgimento alta velocità (spunto)
- Marrone scuro = avvolgimento bassa velocità (spunto / lavoro)
- Nero =
- Rosso =
- Rosso - bianco = comune
Con i collegamenti sopra riportati, ho fatto delle prove, in effetti alla bassa velocità ho un consumo in linea con i dati di targa (circa 2 A), con l'alta velocità ho 1A o 3A in base al senso di marcia.
Rimane un punto interrogativo su cosa siano i due fili nero e rosso
- motore SOLE type 20571 .256 Cl.F
- 1,5 A, 55 W e 300 rpm per la bassa velocità
- 3,5 A, 170 W e 2800 rpm per l'alta velocità
- capacità condensatore 16 uF
Dunque, la morsettiera ha 7 fili, nell'ordine blu (B), grigio (G), marrone chiaro (MC), marrone scuro (MS), nero (N), rosso (R) e rosso - bianco (RB)
Misurando tra B e RB ho trovato 10.4 Ohm, quindi presumo si tratti dell'avvolgimento di lavoro di alta velocità.
Di tutte le misure di resistenza riporto le seguenti (che ritengo significative):
- resistenza RB - B = 10.4 Ohm
- resistenza RB - G = 58.5 Ohm
- resistenza RB - MC = 30.3 Ohm
- resistenza RB - MS = 59.5 Ohm
- resistenza RB - N = infinito
- resistenza RB - R = infinito
La resistenza tra nero e qualsiasi altro conduttore (tranne il rosso) è infinito.
La resistenza tra rosso e qualsiasi altro conduttore (tranne il nero) è infinito.
Nero e rosso quindi "segnano solo tra loro", con una resistenza di 18.1 Ohm
Quello che ho concluso è questo:
- Blu = avvolgimento alta velocità (lavoro)
- Grigio = avvolgimento bassa velocità (lavoro / spunto)
- Marrone chiaro = avvolgimento alta velocità (spunto)
- Marrone scuro = avvolgimento bassa velocità (spunto / lavoro)
- Nero =
- Rosso =
- Rosso - bianco = comune
Con i collegamenti sopra riportati, ho fatto delle prove, in effetti alla bassa velocità ho un consumo in linea con i dati di targa (circa 2 A), con l'alta velocità ho 1A o 3A in base al senso di marcia.
Rimane un punto interrogativo su cosa siano i due fili nero e rosso
-

alessandro87
774 2 5 9 - Utente disattivato su sua richiesta
- Messaggi: 652
- Iscritto il: 1 gen 2013, 23:38
3
voti
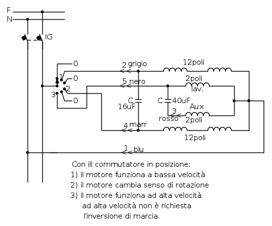
In effetti, i conti non tornano. L’alta velocità ha un solo senso di marcia che è la centrifuga. Dovresti provare il blu con gli altri fili, penso che sia il comune. Posto uno schema di un motore di lavatrice, ti potrà servire per orientarti meglio, però non ti posso assicurare che sia il tuo motore.Con i collegamenti sopra riportati, ho fatto delle prove, in effetti alla bassa velocità ho un consumo in linea con i dati di targa (circa 2 A), con l'alta velocità ho 1A o 3A in base al senso di marcia.
PS) i due poli = alta velocità; 12 poli = bassa velocità.
-

StefanoSunda
2.880 3 6 10 - Master

- Messaggi: 1962
- Iscritto il: 16 set 2010, 19:29
0
voti
adesso non ho con me il foglio, però ho provato a misurare le resistenze tra blu e gli altri fili, e venivano alcuni valori maggiori di 60 Ohm...
in realtà l'inversione di marcia per l'alta velocità l'ho ottenuta a partire dalla configurazione per l'alta velocità deviando il filo proveniente dalla presa sull'altro capo del condensatore (in pratica scambiando i poli al condensatore).
ripensando al fatto che gli avvolgimenti di spunto e di lavoro ad alta velocità hanno resistenze diverse, trovo sensato che invertendo il senso di marcia si passi da 1 A a 3 A, in effetti 3 A sono in linea con i dati di targa, mentre allora invertendo il senso di marcia, un assorbimento di 1 A indica che sto utilizzando l'avvolgimento a resistenza maggiore e quindi il senso di marcia sbagliato...
insomma questi due fili rosso e nero rimangono ancora un mistero...
comunque poco fa misurando la tensione (alternata) tra rosso e nero ho rilevato i seguenti valori:
- 44 V quando il motore gira a bassa velocità in entrambi i sensi di marcia
- 0 V quando il motore gira ad alta velocità in entrambi i sensi di marcia
tuttavia non sono riuscito ad interpretare tali valori... inizialmente mi era venuto in mente che potesse trattarsi di un qualche sensore (es. tachimetrico) che dava un segnale in tensione proporzionale alla velocità però a quanto pare non è così...
in realtà l'inversione di marcia per l'alta velocità l'ho ottenuta a partire dalla configurazione per l'alta velocità deviando il filo proveniente dalla presa sull'altro capo del condensatore (in pratica scambiando i poli al condensatore).
ripensando al fatto che gli avvolgimenti di spunto e di lavoro ad alta velocità hanno resistenze diverse, trovo sensato che invertendo il senso di marcia si passi da 1 A a 3 A, in effetti 3 A sono in linea con i dati di targa, mentre allora invertendo il senso di marcia, un assorbimento di 1 A indica che sto utilizzando l'avvolgimento a resistenza maggiore e quindi il senso di marcia sbagliato...
insomma questi due fili rosso e nero rimangono ancora un mistero...
comunque poco fa misurando la tensione (alternata) tra rosso e nero ho rilevato i seguenti valori:
- 44 V quando il motore gira a bassa velocità in entrambi i sensi di marcia
- 0 V quando il motore gira ad alta velocità in entrambi i sensi di marcia
tuttavia non sono riuscito ad interpretare tali valori... inizialmente mi era venuto in mente che potesse trattarsi di un qualche sensore (es. tachimetrico) che dava un segnale in tensione proporzionale alla velocità però a quanto pare non è così...
-

alessandro87
774 2 5 9 - Utente disattivato su sua richiesta
- Messaggi: 652
- Iscritto il: 1 gen 2013, 23:38
1
voti
Ci sono motori per lavatrici a tre velocità: lavoro, centrifuga lenta, centrifuga veloce.
Il motore deve partire in centrifuga lenta e commutare istantaneamente in centrifuga veloce, regime per il quale non ha avvolgimento ausiliario.
Dovrei avere nel mio parco giochi un motore simile ma non è raggiungibile in questo momento.
Lunedì sera forse potrò fornire qualche informazione in più.
Il motore deve partire in centrifuga lenta e commutare istantaneamente in centrifuga veloce, regime per il quale non ha avvolgimento ausiliario.
Dovrei avere nel mio parco giochi un motore simile ma non è raggiungibile in questo momento.
Lunedì sera forse potrò fornire qualche informazione in più.
0
voti
ciao gianni, adesso cerco il manuale su internet, mi pare che la lavatrice sia una Rex, cercherò di capire se c'è un'eventuale terza velocità, anche se non capisco allora perché i fili rosso e nero segnano solo tra loro... che sia un avvolgimento di qualche velocità tenderei a escluderlo...
comunque fammi sapere allora appena puoi
Buona serata
Alessandro
comunque fammi sapere allora appena puoi
Buona serata
Alessandro
-

alessandro87
774 2 5 9 - Utente disattivato su sua richiesta
- Messaggi: 652
- Iscritto il: 1 gen 2013, 23:38
1
voti
Può essere la protezione termica interno al motore. In tal caso il nero dovrebbe essere ingresso linea.anche se non capisco allora perché i fili rosso e nero segnano solo tra loro... che sia un avvolgimento di qualche velocità tenderei a escluderlo...
-

StefanoSunda
2.880 3 6 10 - Master

- Messaggi: 1962
- Iscritto il: 16 set 2010, 19:29
0
voti
ma se quell'avvolgimento fosse una terza velocità non dovrebbe avere uno dei due fili a comune? Ad ogni modo i dati di targa parlano solo di due velocità... riguardo al modello di lavatrice non ho trovato nulla che mi aiuti
forse è più probabile che si tratta di una protezione termica, magari i due fili facevano capo a un circuito dotato di fusibile... poi non so, ci sta che mi sbagli...
forse è più probabile che si tratta di una protezione termica, magari i due fili facevano capo a un circuito dotato di fusibile... poi non so, ci sta che mi sbagli...
-

alessandro87
774 2 5 9 - Utente disattivato su sua richiesta
- Messaggi: 652
- Iscritto il: 1 gen 2013, 23:38
27 messaggi
• Pagina 1 di 3 • 1, 2, 3
Chi c’è in linea
Visitano il forum: Nessuno e 5 ospiti

Elettrotecnica e non solo (admin)
Un gatto tra gli elettroni (IsidoroKZ)
Esperienza e simulazioni (g.schgor)
Moleskine di un idraulico (RenzoDF)
Il Blog di ElectroYou (webmaster)
Idee microcontrollate (TardoFreak)
PICcoli grandi PICMicro (Paolino)
Il blog elettrico di carloc (carloc)
DirtEYblooog (dirtydeeds)
Di tutto... un po' (jordan20)
AK47 (lillo)
Esperienze elettroniche (marco438)
Telecomunicazioni musicali (clavicordo)
Automazione ed Elettronica (gustavo)
Direttive per la sicurezza (ErnestoCappelletti)
EYnfo dall'Alaska (mir)
Apriamo il quadro! (attilio)
H7-25 (asdf)
Passione Elettrica (massimob)
Elettroni a spasso (guidob)
Bloguerra (guerra)

