Lo vediamo insieme, dandomi delle dritte su come impostare?
Mi chiede il calcolo della potenza sul generatore E.
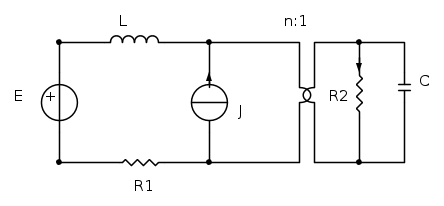
Ecco il circuito ed i dati:
R1= 300Ω
R2= 1000Ω
C= -j1000
L= +j500
J= -j2
E=100
n=2
Grazie e buona domenica a tutti!

Moderatori:
g.schgor,
IsidoroKZ

![\[v_1= nv_2\] \[v_1= nv_2\]](/forum/latexrender/pictures/31a54e879e9741479ca8408293a337e7.png)
![\[i_2= -ni_1\] \[i_2= -ni_1\]](/forum/latexrender/pictures/0b0144e80d2c782a0e49ecfcbea730cc.png)


e
Torna a Elettrotecnica generale
Visitano il forum: Nessuno e 79 ospiti