Salve a tutti. Da poco ho montato un videocitofono MODEL:311CM-12 (ho perso il manuale). Nel collegamento nessun problema funziona tutto correttamente, ho riscontrato il problema solamente quando ho avuto la neccessità di installare un pulsante per apriporta, diciamo locale, al portone di ingresso. Nel manuale non ricordo una sezione che parlasse di qualche collegamento simile. In precedenza c'era installato un citofono bticino dal quale ho recuperato/tenuto l'alimentatore, proprio per questo problema. L'apertura del portone è gestita da una scheda che risiede nel box esterno. Io volevo collegare l'apriporta del pulsante in parallelo al segnare prelevato dalla scheda elettronica presente nel box esterno. L'unico mio problema è quello di non dare problemi alla scheda collegando una ulteriore alimentazione per l'apriporta. Potrei ovviare al problema con dei diodi per non far "scorrazzare" la corrente.
Come idea non penso sia male? Che ne dite ?
(Per allegare un disegno basta postare uno screenshot di un qualsiasi programma ?)
Videocitofono
Moderatori:
sebago,
MASSIMO-G,
lillo,
Mike
13 messaggi
• Pagina 1 di 2 • 1, 2
0
voti
Normalmente c'è sempre il morsetto per collegare il pulsante apertura. Male che va useri un semplice relè per separare le due alimentazioni.
Il problema dell'umanità è che gli stupidi sono strasicuri,mentre gli intelligenti sono pieni di dubbi
0
voti
Ok come pensavo... Ho un mini relè (dato lo spazio), Siemens V23040-A2002-B201 12v (http://pdf1.alldatasheet.com/datasheet-pdf/view/504563/MACOM/V23040.html).
Altrimenti un relè Finder 55.32.8.012.0054.
Non idea di come fare i collegamenti non ho dimestichezza con i relè.
Altrimenti un relè Finder 55.32.8.012.0054.
Non idea di come fare i collegamenti non ho dimestichezza con i relè.
0
voti
...e come diceva sempre mio nonno: "Nessuno nasce imparato"
0
voti
Mi spiego meglio.
Mi servirebbe un aiuto con uno schema per il collegamento non so bene i collegamenti del relè che ho a disposizione.
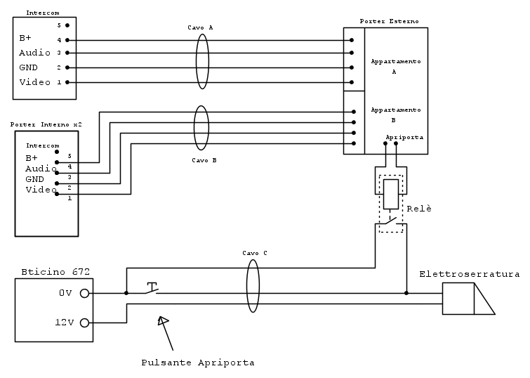
ho provato a fare uno schema
Spero si capisca qualcosa.
Mi servirebbe un aiuto con uno schema per il collegamento non so bene i collegamenti del relè che ho a disposizione.
ho provato a fare uno schema
Spero si capisca qualcosa.
0
voti
Si ho capito ma per poterti aiutare serve:
1-Marca e modello del citofono o schema
2-Marca e modello della scheda nel box o schema
3-Marca o modello del relè o caratteristiche
Una volta che hai questi dati possiamo pensare allo schema
....
almeno che tu per box non intenda l'alimentatore del citofono...in questo caso il punto 1 e 2 coincidono
1-Marca e modello del citofono o schema
2-Marca e modello della scheda nel box o schema
3-Marca o modello del relè o caratteristiche
Una volta che hai questi dati possiamo pensare allo schema
....
almeno che tu per box non intenda l'alimentatore del citofono...in questo caso il punto 1 e 2 coincidono...e come diceva sempre mio nonno: "Nessuno nasce imparato"
0
voti
Purtroppo il manuale è stato perduto dal proprietario.
Il modello del videocitofono è un problema, http://www.ebay.it/itm/KIT-VIDEOCITOFONO-BIFAMILIARE-TELECAMERA-2-MONITOR-7-/180870557771?pt=Videocitofoni&hash=item2a1cb9b04b. I collegamento "illustrato" qui:
L'alimentazione viene data dal singolo porter interno con una presa, cosi se manca la corrente nell'appartamento A il B continua a funzionare.
Scusa box interno intendo porter interno o cosi penso che si chiami.
Un alimentatore di un veccio citofono gia presente per alimentare la bobina : Bticino terraneo 672.
Modelli di relè a mia disposizione sono:
Siemens V23040-A2002_B201 : http://pdf1.alldatasheet.com/datasheet-pdf/view/504563/MACOM/V23040.html (molto piccolo indicato visto lo spazio)
Finder 55.32.8.012.0054 12V AC
Penso sia tutto.
Il modello del videocitofono è un problema, http://www.ebay.it/itm/KIT-VIDEOCITOFONO-BIFAMILIARE-TELECAMERA-2-MONITOR-7-/180870557771?pt=Videocitofoni&hash=item2a1cb9b04b. I collegamento "illustrato" qui:
L'alimentazione viene data dal singolo porter interno con una presa, cosi se manca la corrente nell'appartamento A il B continua a funzionare.
Scusa box interno intendo porter interno o cosi penso che si chiami.
Un alimentatore di un veccio citofono gia presente per alimentare la bobina : Bticino terraneo 672.
Modelli di relè a mia disposizione sono:
Siemens V23040-A2002_B201 : http://pdf1.alldatasheet.com/datasheet-pdf/view/504563/MACOM/V23040.html (molto piccolo indicato visto lo spazio)
Finder 55.32.8.012.0054 12V AC
Penso sia tutto.
0
voti
Il Biticino terraneo 672 in uscita sul secondario ha 12V alternata.
Se il collegamento da te disegnato è quello attuale proporrei:
di misurare con un tester che tensione di uscita hai sul "collegamento apriporta" della targa esterna, ovviamente quando viene premuto il pulsante. Dovrebbero essere 12V AC, però sarebbe meglio essere sicuri.
Dopo di che realizziamo il circuito di comando dell'apricancello con l'alimentatore della Bticino e infine tramite relè interfacciamo il videocitofono al circuito d'apertura del cancello.
Aggiungendo, se non li hai fili liberi sul cavo, un cavetto tre fili dal posto esterno all'interno si può fare.
Tra due minuti faccio lo schema
Se il collegamento da te disegnato è quello attuale proporrei:
di misurare con un tester che tensione di uscita hai sul "collegamento apriporta" della targa esterna, ovviamente quando viene premuto il pulsante. Dovrebbero essere 12V AC, però sarebbe meglio essere sicuri.
Dopo di che realizziamo il circuito di comando dell'apricancello con l'alimentatore della Bticino e infine tramite relè interfacciamo il videocitofono al circuito d'apertura del cancello.
Aggiungendo, se non li hai fili liberi sul cavo, un cavetto tre fili dal posto esterno all'interno si può fare.
Tra due minuti faccio lo schema
...e come diceva sempre mio nonno: "Nessuno nasce imparato"
1
voti
Lo schema è questo c'ho messo una vita perché il mouse sta morendo e mi fa un sacco di doppi click....Lo schema è giusto il relè dev'essere monostabile, bobina in base la tensione d'uscita della targa esterna e contatto Normalmente Aperto (NA)
...e come diceva sempre mio nonno: "Nessuno nasce imparato"
0
voti
[10] Re: Videocitofono
Se hai problemi di spazio ci sono relè a 12V da PCB che opportunamente stagnati e isolati li puoi usare senza zoccolo piegando opportunamente i piedini per ridurre maggiormente lo spazio 
...e come diceva sempre mio nonno: "Nessuno nasce imparato"
13 messaggi
• Pagina 1 di 2 • 1, 2
Torna a Impianti, sicurezza e quadristica
Chi c’è in linea
Visitano il forum: Google Adsense [Bot] e 59 ospiti

Elettrotecnica e non solo (admin)
Un gatto tra gli elettroni (IsidoroKZ)
Esperienza e simulazioni (g.schgor)
Moleskine di un idraulico (RenzoDF)
Il Blog di ElectroYou (webmaster)
Idee microcontrollate (TardoFreak)
PICcoli grandi PICMicro (Paolino)
Il blog elettrico di carloc (carloc)
DirtEYblooog (dirtydeeds)
Di tutto... un po' (jordan20)
AK47 (lillo)
Esperienze elettroniche (marco438)
Telecomunicazioni musicali (clavicordo)
Automazione ed Elettronica (gustavo)
Direttive per la sicurezza (ErnestoCappelletti)
EYnfo dall'Alaska (mir)
Apriamo il quadro! (attilio)
H7-25 (asdf)
Passione Elettrica (massimob)
Elettroni a spasso (guidob)
Bloguerra (guerra)







