Correzione schema funzionale nastro trasportatore temporizza
Moderatori:
sebago,
MASSIMO-G,
lillo,
Mike
16 messaggi
• Pagina 2 di 2 • 1, 2
0
voti
Mi riduco all'ultimo a dover fare la richiesta più indecente che esista pur non avendo capito. c'è qualcuno che sarebbe disposto a correggermi il mio schema (se si è capito) in quanto ne avrei bisogno domattina, è abbastanza urgente, nessuna pretesa...purtroppo non mi riesco a smuovere dalla mia bozza. grazie a tutti, scusate schiettezza..buona serata
2
voti
l Forum può aiutare ma non deve "fare i compiti".
Se sei interessato ad imparare possiamo guidarti,
ma devi essere tu a risolvere il problema (altrimenti
non impari niente).
Ti abbiamo già detto cosa non va e la modifica è
semplice. Perché non ci provi?
Se sei interessato ad imparare possiamo guidarti,
ma devi essere tu a risolvere il problema (altrimenti
non impari niente).
Ti abbiamo già detto cosa non va e la modifica è
semplice. Perché non ci provi?
0
voti
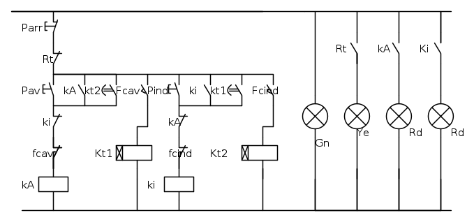
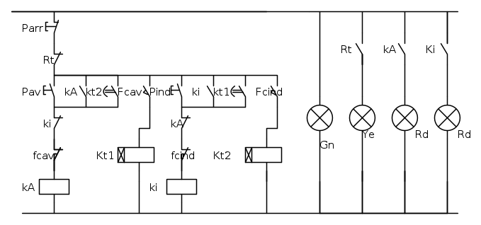
Lei ha perfettamente ragione e la rispetto per i suoi giusti principi. d'altro canto io da alunno che ha appunto il compito per il giorno dopo mi sento con le spalle al muro...per me in realtà, nulla di offensivo, ma l'averci provato equivale al mio tentativo presentato...dato che è quasi frutto della mia immaginazione...ci è stato si e no accennato cos è un finecorsa, e cos è un temporizzatore. da un giorno all'altro viene preteso uno schema simile. so che quando lo vedrò svolto lo considererò una stupidaggine. così è come lo presenterò, a quanto pare errato:
vi rinnovo le mie scuse per qualunque mio atteggiamento considerato sbagliato o simile, e vi ringrazio per la vostra disponibilità, buona serata a tutti.
vi rinnovo le mie scuse per qualunque mio atteggiamento considerato sbagliato o simile, e vi ringrazio per la vostra disponibilità, buona serata a tutti.
0
voti
Sì. Ora, dopo le correzioni, almeno funziona.
Ci sarebbe da osservare che Parr arresta il movimento del nastro,
ma non arresta il ciclo automatico nel caso sia attivato uno dei due finecorsa
Sarebbe quindi bene prevedere un comando a parte per abilitare o no
il ciclo automatico.
Ci sarebbe da osservare che Parr arresta il movimento del nastro,
ma non arresta il ciclo automatico nel caso sia attivato uno dei due finecorsa
Sarebbe quindi bene prevedere un comando a parte per abilitare o no
il ciclo automatico.
0
voti
Il primo schema va bene se per fc intendi i finecorsa e con S i pulsanti di marcia e arresto. Puoi eliminare un temporizzatore ponendo in parallelo i due finecorsa che avviano il conteggio del tempo di sosta.
Tieni presente che il conteggio avviene solo se un ipotetico pacco tiene premuto un finecorsa.
bye
Tieni presente che il conteggio avviene solo se un ipotetico pacco tiene premuto un finecorsa.
bye
0
voti
Penso che abbia già risolto... questo tread e di febbraio 2014.Il primo schema va bene se per fc intendi i finecorsa e con S i pulsanti di marcia e arresto. Puoi eliminare un temporizzatore ponendo in parallelo i due finecorsa che avviano il conteggio del tempo di sosta.
Tieni presente che il conteggio avviene solo se un ipotetico pacco tiene premuto un finecorsa

-

StefanoSunda
2.880 3 6 10 - Master

- Messaggi: 1962
- Iscritto il: 16 set 2010, 19:29
16 messaggi
• Pagina 2 di 2 • 1, 2
Torna a Impianti, sicurezza e quadristica
Chi c’è in linea
Visitano il forum: Nessuno e 56 ospiti

Elettrotecnica e non solo (admin)
Un gatto tra gli elettroni (IsidoroKZ)
Esperienza e simulazioni (g.schgor)
Moleskine di un idraulico (RenzoDF)
Il Blog di ElectroYou (webmaster)
Idee microcontrollate (TardoFreak)
PICcoli grandi PICMicro (Paolino)
Il blog elettrico di carloc (carloc)
DirtEYblooog (dirtydeeds)
Di tutto... un po' (jordan20)
AK47 (lillo)
Esperienze elettroniche (marco438)
Telecomunicazioni musicali (clavicordo)
Automazione ed Elettronica (gustavo)
Direttive per la sicurezza (ErnestoCappelletti)
EYnfo dall'Alaska (mir)
Apriamo il quadro! (attilio)
H7-25 (asdf)
Passione Elettrica (massimob)
Elettroni a spasso (guidob)
Bloguerra (guerra)




