g.schgor ha scritto:Che tensione misuri ai capi del LED?
Al momento non ho nulla sotto mano, né led, né tester.. Niente
) e di collegare i led in parallelo con il positivo dell'alimentazione esterna. Ciò mi porta ad una semplificazione del circuito, che è ottima secondo me... Ma, è fattibile?Bubino ha scritto:Da un mio professore di elettronica, mi è stato consigliato questo:
Di utilizzare un'alimentazione esterna
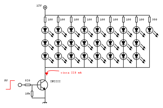
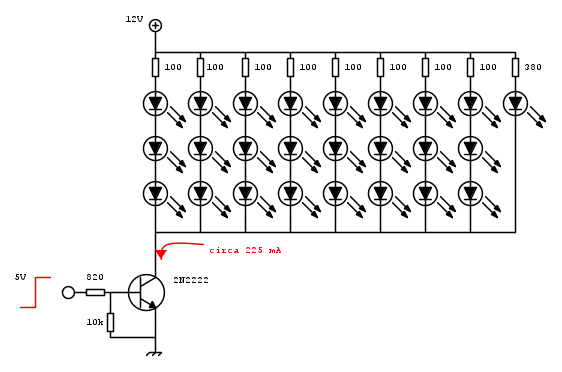
Bubino ha scritto:di collegare il pin digitale dell'arduino sulla base di un transistor (quale può essere un 2N2222 o un mosfet o altri tipi che non ricordo nemmeno sinceramente) con una resistenza di 10k. (non è un po alta?
)
Bubino ha scritto:e di collegare i LED in parallelo con il positivo dell'alimentazione esterna. Ciò mi porta ad una semplificazione del circuito, che è ottima secondo me... Ma, è fattibile?
GiulioB ha scritto:
Ok, è quello che ti hanno suggerito, me compreso, fin dall'inizio.
Bubino ha scritto:i LED sono 25, quindi 8 paralleli con 3 LED in serie ........
Mi servono 500 mA essendo ogni LED da 20mA),
Visitano il forum: Nessuno e 15 ospiti