Controllo toni con operazionale (schema Nuova Elettronica)
Moderatori:
carloc,
g.schgor,
BrunoValente,
IsidoroKZ
34 messaggi
• Pagina 4 di 4 • 1, 2, 3, 4
0
voti
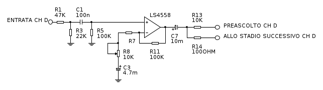
Lo schema precedente è dello stadio di ingresso lineare. Secondo voi qual è la funzione del partitore di attenuazione di ingresso, prima del filtro passa alto?
Per il condensatore C3 vale lo stesso discorso di C17 del primo schema (post [1])?
Le resistenze R13 ed R14 che funzione hanno?
-

GabrieleBe
55 1 4 - Messaggi: 37
- Iscritto il: 12 giu 2013, 16:06
- Località: Brescia, Italia
0
voti
Il partitore in ingresso serve proprio ad attenuare il segnale, probabilmente nell'ipotesi che questo possa avere un livello troppo elevato. L'idea sembrerebbe quella di compensare, eventualmente, modificando il guadagno dell'operazionale ma dipende anche dal valore di R7 (che non hai inserito).
Per C3 vale il discorso di C17 nello schema al post 1.
R14 sembrerebbe proprio sulla linea d'ingresso dello schema al post 1, giusto?
Se è così, puoi eliminarla... avrebbe senso solo se i due circuiti fossero indipendenti e a distanza, ma non se tutto il circuito verrà assemblato nella stessa "scatola". La sua funzione sarebbe la stessa di R25 del primo schema, ma in queto caso è superflua...
Per R13, vale lo stesso discorso di R23 del primo schema, quindi: cosa accidenti c'è dopo?!?
P.S.: ma sei proprio deciso a continuare con quello schema?
Per C3 vale il discorso di C17 nello schema al post 1.
R14 sembrerebbe proprio sulla linea d'ingresso dello schema al post 1, giusto?
Se è così, puoi eliminarla... avrebbe senso solo se i due circuiti fossero indipendenti e a distanza, ma non se tutto il circuito verrà assemblato nella stessa "scatola". La sua funzione sarebbe la stessa di R25 del primo schema, ma in queto caso è superflua...
Per R13, vale lo stesso discorso di R23 del primo schema, quindi: cosa accidenti c'è dopo?!?
P.S.: ma sei proprio deciso a continuare con quello schema?
0
voti
ma dipende anche dal valore di R7 (che non hai inserito).
R7 è del valore di 4.7K
Per R13, vale lo stesso discorso di R23 del primo schema, quindi: cosa accidenti c'è dopo?!?
A R13 è attaccato lo stesso circuito del post 19 (un selettore permette di indicare che canale "ascoltare", che naturalmente modificherò secondo i consigli.
P.S.: ma sei proprio deciso a continuare con quello schema?
Ho intenzione di comprenderne il funzionamento (ormai sono quasi alla fine
-

GabrieleBe
55 1 4 - Messaggi: 37
- Iscritto il: 12 giu 2013, 16:06
- Località: Brescia, Italia
1
voti
GabrieleBe ha scritto:R7 è del valore di 4.7K
Allora come immaginavo... l'operazionale ha un guadagno minimo di circa +16dB e può arrivare a circa +26dB.
GabrieleBe ha scritto:A R13 è attaccato lo stesso circuito del post 19
Se si tratta sempre dell'amplificatore per cuffie col TDA2822, per quanto mi riguarda, vale quello che ho già detto precedentemente.
GabrieleBe ha scritto:Ho intenzione di comprenderne il funzionamento (ormai sono quasi alla fine) e poi fare uno schema mio
OK!

Allora attenderemo questo nuovo schema!
34 messaggi
• Pagina 4 di 4 • 1, 2, 3, 4
Chi c’è in linea
Visitano il forum: Nessuno e 271 ospiti

Elettrotecnica e non solo (admin)
Un gatto tra gli elettroni (IsidoroKZ)
Esperienza e simulazioni (g.schgor)
Moleskine di un idraulico (RenzoDF)
Il Blog di ElectroYou (webmaster)
Idee microcontrollate (TardoFreak)
PICcoli grandi PICMicro (Paolino)
Il blog elettrico di carloc (carloc)
DirtEYblooog (dirtydeeds)
Di tutto... un po' (jordan20)
AK47 (lillo)
Esperienze elettroniche (marco438)
Telecomunicazioni musicali (clavicordo)
Automazione ed Elettronica (gustavo)
Direttive per la sicurezza (ErnestoCappelletti)
EYnfo dall'Alaska (mir)
Apriamo il quadro! (attilio)
H7-25 (asdf)
Passione Elettrica (massimob)
Elettroni a spasso (guidob)
Bloguerra (guerra)

