Ragazzi è corretto questo ragionamento o si può risolvere in altro modo? Grazie a tutti
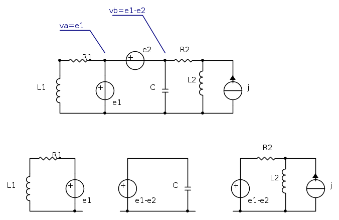
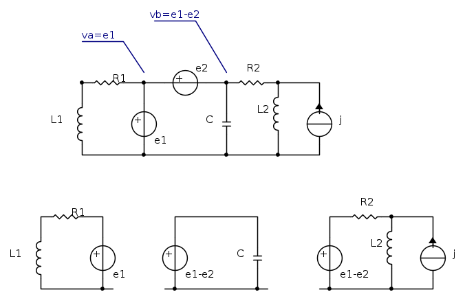
Il circuito in figura `e in regime sinusoidale. Determinare la potenza attiva P2 assorbita dal resistore R2 e le potenze reattive QC e QL1, rispettivamente assorbite dal condensatore C e dall’induttore L1.
Dati : R1 = 10
R2 = 20
L1 = 1H
L2 = 0.8H,
C = 0.25mF
e1(t) = 10 cos(40t)V
e2(t) = 20 cos(40t + /4)V,
j3(t) = 0.2 sin(40t)A,
Con e1
Serie L1R1, in parallelo con
(Serie L2R2 in parallelo con C)
Calcolo corrente totale e poi partitore su L1R1 per la corrente i1
per differenza trovo la corrente a destra, ancora una volta, con questa corrente calcolo la corrente lungo C e lungo L2R2.
Con e2
L1R1 corto, quindi i1=0
C corto, ic=0
R2L2 serie
Calcolo corrente totale che risulta essere poi Itot= i2
Con j
L1R1 corto, i1=0
C serie R2
applico partitore su CR2
e trovo che ic=i2
Sommo infine tutte le correnti, tenendo conto dei versi ipotizzati e vado al calcolo delle potenze.
Scusate se ho scritto in modo alquanto abbreviato, ma è un'urgenza
passate anche qui per favore: viewtopic.php?f=2&t=50725&p=483590#p483590
Sovrapposizione in sinusoidale
Moderatori:
g.schgor,
IsidoroKZ
6 messaggi
• Pagina 1 di 1
0
voti
Ultima modifica di
mrc il 3 mar 2014, 15:08, modificato 1 volta in totale.
Motivazione: Modificato il titolo.
Motivazione: Modificato il titolo.
Ognuno è un genio. Ma se si giudica un pesce dalla sua abilità di arrampicarsi sugli alberi lui passerà tutta la sua vita a credersi stupido.
0
voti
GiulioB ha scritto:essendo E2 ed E1 in corto
Scusa faccio il pignolo per un attimo
Se fossero in corto esploderebbe tutto
Per questo quando si spengono i generatori di tensione è errato dire che si cortocircuitano, si dice che si sostituiscono con un cortocircuito.
Lo stesso vale per i generatori di corrente, da spenti imprimono una corrente nulla, quindi il loro comportamento è assimilabile a quello di un lato aperto, quando un generatore di corrente si spegne è errato dire che si apre perché lui cercherebbe comunque di imprimere la sua corrente facendo crescere a dismisura la tensione ai capi. Si devono sostituire con dei lati aperti.
Fine del momento di pignoleria
Comunque
Atlant.
Behind every great man is a woman rolling her eyes.
Behind every great man is a woman rolling her eyes.
3
voti
Comunque io non farei con la sovrapposizione....
con tutti quei rami di generatori ideali di tensione il circuito è praticamente già risolto con il potenziale ai nodi
per le potenze richieste son tre circuiti separati, al limite farei una sovrapposizione "al volo" per trovare la corrente in R2 nell'ultimo a destra
con tutti quei rami di generatori ideali di tensione il circuito è praticamente già risolto con il potenziale ai nodi
per le potenze richieste son tre circuiti separati, al limite farei una sovrapposizione "al volo" per trovare la corrente in R2 nell'ultimo a destra
Se ti serve il valore di beta: hai sbagliato il progetto!
0
voti
spud ha scritto:GiulioB ha scritto:essendo E2 ed E1 in corto
Scusa faccio il pignolo per un attimo![]()
Figurati, ma ovviamente intendevo in corto "virtuale", essendo dei pallini su un pezzo di carta comunque non credo ci sia pericolo di esplosioni
Potrei fare ancora piu' il pignolo, ma non credo porti a tanto, a parte qualche altro orpello teorico inutile per l'OP

6 messaggi
• Pagina 1 di 1
Torna a Elettrotecnica generale
Chi c’è in linea
Visitano il forum: Nessuno e 6 ospiti

Elettrotecnica e non solo (admin)
Un gatto tra gli elettroni (IsidoroKZ)
Esperienza e simulazioni (g.schgor)
Moleskine di un idraulico (RenzoDF)
Il Blog di ElectroYou (webmaster)
Idee microcontrollate (TardoFreak)
PICcoli grandi PICMicro (Paolino)
Il blog elettrico di carloc (carloc)
DirtEYblooog (dirtydeeds)
Di tutto... un po' (jordan20)
AK47 (lillo)
Esperienze elettroniche (marco438)
Telecomunicazioni musicali (clavicordo)
Automazione ed Elettronica (gustavo)
Direttive per la sicurezza (ErnestoCappelletti)
EYnfo dall'Alaska (mir)
Apriamo il quadro! (attilio)
H7-25 (asdf)
Passione Elettrica (massimob)
Elettroni a spasso (guidob)
Bloguerra (guerra)






