dopo un lungo periodi di inattività, vorrei iniziare un nuovo progetto.
Vorrei costruire un generatore di funzioni non troppo complesso e senza troppe pretese (spero). Avevo visto questa discussione che purtroppo (non ho capito perché) è stata abbandonata qualche mese fa.
Il mio problema principale è progettare la parte analogica dello strumento, per quella digitale (di controllo) non dovrei avere problemi.
Le caratteristiche principali che vorrei ottenere sono le seguenti:
-Onda sinusoidale fino a 20MHz
-Onda quadra fino a 1MHz (duty cycle variabile)
-Possibilità di modificare ampiezza e offset dell'onda
-Tensione di uscita fino a 20Vpp
-Impedenza in uscita da 50 ohm
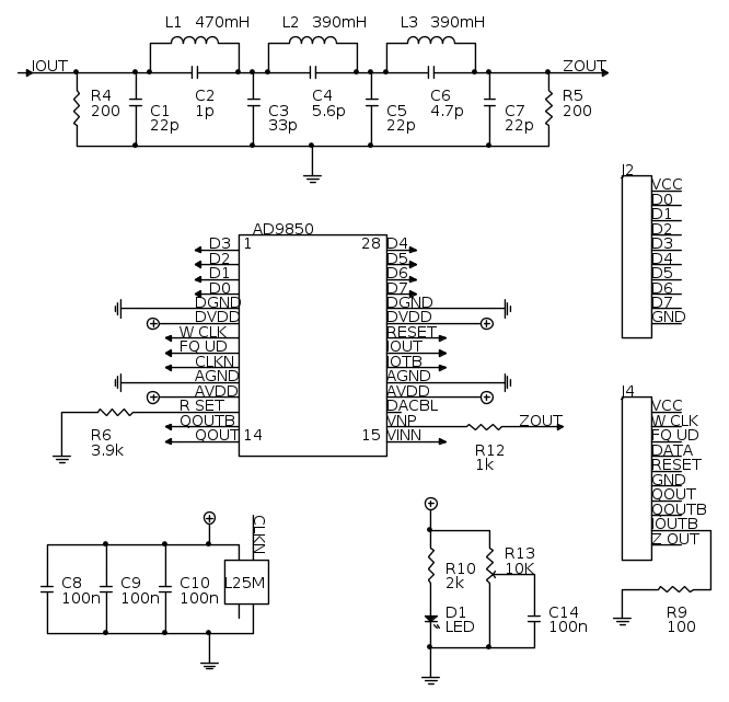
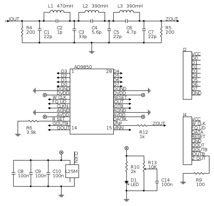
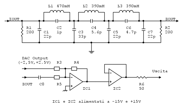
Attualmente dispongo di un AD9850 montato su un piccolo modulo, il cui schema lo potete trovare qui sotto. La mia domanda iniziale è se questo schema è affidabile e buon andar bene per il progetto.
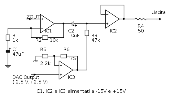
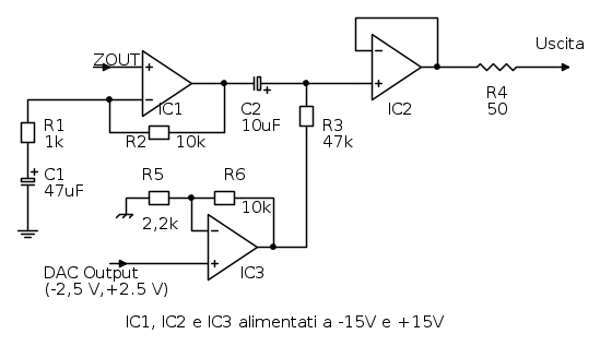
Su internet ho trovato questo progetto che mi pare ben fatto, da cui si può prendere spunto.
Purtroppo non dispongo delle conoscenze adatte per realizzare uno strumento di questo tipo. Quindi chiedo un vostro aiuto per la realizzazione sperando che insieme si riesca a produrre qualcosa di funzionante.
Io sono disponibile a montare e provare eventuali schemi che proporrete; a disposizione ho un oscilloscopio digitale da 50MHz (1GSa/s) a due canali per fare le varie prove.


Elettrotecnica e non solo (admin)
Un gatto tra gli elettroni (IsidoroKZ)
Esperienza e simulazioni (g.schgor)
Moleskine di un idraulico (RenzoDF)
Il Blog di ElectroYou (webmaster)
Idee microcontrollate (TardoFreak)
PICcoli grandi PICMicro (Paolino)
Il blog elettrico di carloc (carloc)
DirtEYblooog (dirtydeeds)
Di tutto... un po' (jordan20)
AK47 (lillo)
Esperienze elettroniche (marco438)
Telecomunicazioni musicali (clavicordo)
Automazione ed Elettronica (gustavo)
Direttive per la sicurezza (ErnestoCappelletti)
EYnfo dall'Alaska (mir)
Apriamo il quadro! (attilio)
H7-25 (asdf)
Passione Elettrica (massimob)
Elettroni a spasso (guidob)
Bloguerra (guerra)





oppure
, la corrente in uscita del DDS sarà pari a zero.



pigreco]=π



