Salve a tutti.
Sto cercando di far resuscitare un vecchio cabinato di videogame datato fine anni 70.
La parte che vorrei sottoporre al vostro intervento/giudizio è quella video. Si tratta di un vecchio tubo catodico B/N con un elettronica SELTI, come da foto in allegato.
Trattasi di un chassis tv suddiviso nelle varie sezioni da schede indipendenti(alimentazione, verticale, orizzontale, amp. video e EHT) inserite in una scheda "madre" con i collegamenti tra le schede ed i potenziometri di regolazione.
Ho cercato in giro ma purtroppo non si trovano molti schemi delle elettroniche SELTI e quindi mi vedo costretto ad analizzare pezzo per pezzo per trovare eventuali difetti.
Inutile dire che il monitor attualmente non funziona. Sono partito con il sostituire tutti i condensatori elettrolitici e mi accingo a sostitutire diodi (normali e zener).
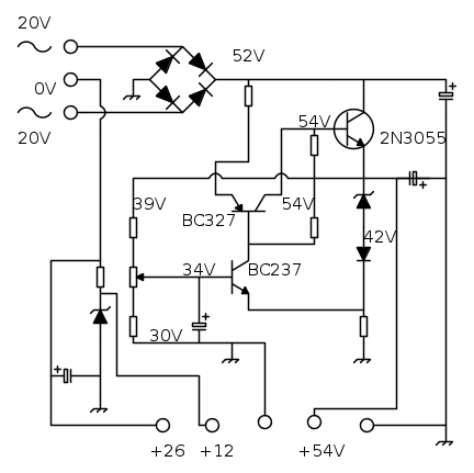
Partendo dall'alimentazione: La scheda di alimentazione viene alimentata da un trasformatore con secondario 20+20 volt. Seguendo il circuito ho diegnato questo schema con Fidocad:
I valori scritti sono quelli misurati in uscita rispettivamente con la massa a dx per quanto riguarda i +54 volt e con la massa centrale per i +12 e +26 volt. I +54 volt sono diretti verso la scheda oscillatore verticale, mente i +12 vanno verso la scheda di amplificazione video.
Vorrei sapere se possono essere coerenti con lo schema oppure ci possono essere dei problemi di alimentazione.
Vecchio monitor da resuscitare
Moderatori:
carloc,
g.schgor,
BrunoValente,
IsidoroKZ
45 messaggi
• Pagina 1 di 5 • 1, 2, 3, 4, 5
3
voti
sidro007 ha scritto:...
Sto cercando di far resuscitare un vecchio cabinato di videogame datato fine anni 70...
Ma che bello
Il tuo alimentatore potrebbe anche essere ok
Lo schema un po' meno
Le tensioni di +12V e + 26V mi paiono perfette, invece il +54V mi pare "alto" nel senso che quella tensione dovrebbe essere quella a monte dello stabilizzatore il quale dovrebbe poi portarla ad un valore un po' più basso così da eliminare ripple e variazioni, MA
Ma se lo stai provando a vuoto, senza carico, potrebbe essere normale perché a vuoto quello stabilizzatore probabilmente non lavora bene a causa del suo "circuito di avvio"
...dunque se stai provando a vuoto metti un carico, anche piccolo, un centinaio di milliampere, e vedi se la tensione in uscita varia con il trimmer.
P.S. se stai provando a vuoto tutto l'alimentatore non insistere troppo che lo zener del +12V potrebbe surriscaldarsi
..se invece lo stai provando a carico, inserito con tutte le altre schede, potrebbe anche essere che lo stadio alimentato dal +54V (il verticale mi pare) sia guasto e non assorba corrente
...infine potrebbe proprio essere il 2N3055 e/o qualcos'altro guasto
Se ti serve il valore di beta: hai sbagliato il progetto!
0
voti
Ciao e grazie della risposta.
Si, per quanto riguarda i diodi, probabilmente sono al contrario, vedrò di modificare lo schema, il condensatrore è da 1000 microfarad 50 volt, ed è grosso come una batteria... (vedi foto, quello nero...)
A scanso di rogne e vista la vetustà dei componenti stò sostituendo un po tutto, anche se magari risultano funzionanti. Il 2N3055 è già stato sostituito, quindi da escludere.
Stò provando le parti singolarmente in quanto l'ultima volta che le ho prvate inserite tutte assime sulla scheda madre come risultato ho ottenuto che la resistenza da 2W del circuito verticale si surriscaldava e fumava, e uno dei diodi del ponte dell'alimentazione è esposo...
Quindi, se come dici tu l'alimentazione potrebbe essere ok, proverei ad alimentare la sola scheda del verticale inserita senza il resto, per vedere se l'alimentazione rimane costante, diminuisce o varia.
Del circuito del vericale (del quale sto facendo lo schema) ho già sostituito condensatori e chip TDA1170, mi resta un dubbio su un transistor e un diodo.
Si, per quanto riguarda i diodi, probabilmente sono al contrario, vedrò di modificare lo schema, il condensatrore è da 1000 microfarad 50 volt, ed è grosso come una batteria... (vedi foto, quello nero...)
A scanso di rogne e vista la vetustà dei componenti stò sostituendo un po tutto, anche se magari risultano funzionanti. Il 2N3055 è già stato sostituito, quindi da escludere.
Stò provando le parti singolarmente in quanto l'ultima volta che le ho prvate inserite tutte assime sulla scheda madre come risultato ho ottenuto che la resistenza da 2W del circuito verticale si surriscaldava e fumava, e uno dei diodi del ponte dell'alimentazione è esposo...
Quindi, se come dici tu l'alimentazione potrebbe essere ok, proverei ad alimentare la sola scheda del verticale inserita senza il resto, per vedere se l'alimentazione rimane costante, diminuisce o varia.
Del circuito del vericale (del quale sto facendo lo schema) ho già sostituito condensatori e chip TDA1170, mi resta un dubbio su un transistor e un diodo.
2
voti
...prova semplicemente a collegare il +54V ad una resistenza, che so 1kohm 5W o la intorno, così ti togli i dubbi
provare solo le schede alimentatore e verticale potrebbe anche non funzionare a causa di qualche segnale mancante dalle altre schede... non si sa mai
P.S. che gioco è? Poi posta qualche foto

provare solo le schede alimentatore e verticale potrebbe anche non funzionare a causa di qualche segnale mancante dalle altre schede... non si sa mai
P.S. che gioco è? Poi posta qualche foto
Se ti serve il valore di beta: hai sbagliato il progetto!
0
voti
Ciao
sidro007 mi fa piacere veder pubblicato un post simile.
Fine anni 80 facevo assistenza su questi monitor da videogame.
Segui la pista del buon
carloc e vedrai che risolvi il problema. 
Fine anni 80 facevo assistenza su questi monitor da videogame.
Segui la pista del buon

⋮ƎlectroYou
-

stefanob70
14,1k 5 11 13 - Master EY

- Messaggi: 3190
- Iscritto il: 14 lug 2012, 13:14
- Località: Roma
3
voti
Il gioco è un clone Tedesco di Breakout, si chiama Pull Down.
Tutto quello che si trova in rete è il flyer: http://flyers.arcade-museum.com/?page=thumbs&db=videodb&id=6193
Il tubo ha un'etichetta in cirillico, probabilmente Germania est, è di un formato stranissimo (50 x 39 cm.) e, siccome era in B/N, sono state messe delle strisce colorate sul vetro.
Tutto quello che si trova in rete è il flyer: http://flyers.arcade-museum.com/?page=thumbs&db=videodb&id=6193
Il tubo ha un'etichetta in cirillico, probabilmente Germania est, è di un formato stranissimo (50 x 39 cm.) e, siccome era in B/N, sono state messe delle strisce colorate sul vetro.
0
voti
carloc ha scritto:...prova semplicemente a collegare il +54V ad una resistenza, che so 1kohm 5W o la intorno, così ti togli i dubbi![]()
Prova con carico da 650 Ohm (di più prorpio non sono riuscito...) con uscita sempre costante a 54 volt, anche girando il trimmer non varia. Sospetto qualche problema.
Ho provato a riportare lo schema con Yenka, ma trovo difficoltà a fornire allo schema l'alimentazione duale 20+20 volt alternata...
2
voti
Bellissimo gioco
che tempi quelli dei colori fatti con le strisce adesive
Beh penso anche io che
tu abbia un problema con l'alimentatore, direi che o smonti e provi transistor e diodi (sopratutto gli zener) o altrimenti potresti provare a riportare sul tuo schema le tensioni ai piedini di transistor e diodi e vediamo se ci capiamo qualcosa
E direi anche che la "fumata" dalla scheda orizzontale non è buon segno...
Beh penso anche io che
E direi anche che la "fumata" dalla scheda orizzontale non è buon segno...
Se ti serve il valore di beta: hai sbagliato il progetto!
0
voti
Allora, schemino con le tensioni rilevate nei vari punti....
Misure fatte sempre con carico collegato, subito dopo il ponte di diodi ho già la tensione a 52 volt, che resta costante sia su BCE del 2N3055, sia su BCE del BC327. Solo sulla base del BC237 (che ora ho sostituito con un BC 547) la tensione varia a 34V e riscontro una variazione azionando il trimmer (da 29V a 37V).
Anche dopo lo Zener ho un abbassamento a 42 volt...
Se ho fatto bene i compiti, dovrei avere una variazione di tensione alla base del 2N3055 al variare della resistenza del trimmer, e questo non avviene.
Tutti i transistor sono stati sostituiti, quindi direi di escluderli....
Possibili cause? le due resistenze collegate alla base? i diodi? Indago...
Misure fatte sempre con carico collegato, subito dopo il ponte di diodi ho già la tensione a 52 volt, che resta costante sia su BCE del 2N3055, sia su BCE del BC327. Solo sulla base del BC237 (che ora ho sostituito con un BC 547) la tensione varia a 34V e riscontro una variazione azionando il trimmer (da 29V a 37V).
Anche dopo lo Zener ho un abbassamento a 42 volt...
Se ho fatto bene i compiti, dovrei avere una variazione di tensione alla base del 2N3055 al variare della resistenza del trimmer, e questo non avviene.
Tutti i transistor sono stati sostituiti, quindi direi di escluderli....
Possibili cause? le due resistenze collegate alla base? i diodi? Indago...
2
voti
mmm quel 30V al posto di zero volt non mi piace per niente
ma il negativo del tester dove lo colleghi esattamente?
Se il negativo del tester è collegato correttamente ad esempio al negativo del ponte aver tensione lì significa:
i) una pista interrotta sul circuito stampato (come saprai alle volte son difetti subdoli e non si notano di primo acchito) e potrebbe essere compatibile con la fumata (=corto) che mi dicevi.
ii) i due riferimenti sono connessi insieme da qualche altra parte nel monitor (star grounding) e allora la pista interrotta potrebbe anche essere sulla mother board o da qualche altra parte... anche questo compatibile con un corto.
iii) i due riferimenti sono connessi insieme da qualche altra parte nel monitor ma tu stai provando solo il PCB alimentatore non inserito nella mother board e allora il collegamento manca...
...oppure qualche altra cosa del genere, insomma verifica il perché di quel riferimento appeso
Se il negativo del tester è collegato correttamente ad esempio al negativo del ponte aver tensione lì significa:
i) una pista interrotta sul circuito stampato (come saprai alle volte son difetti subdoli e non si notano di primo acchito) e potrebbe essere compatibile con la fumata (=corto) che mi dicevi.
ii) i due riferimenti sono connessi insieme da qualche altra parte nel monitor (star grounding) e allora la pista interrotta potrebbe anche essere sulla mother board o da qualche altra parte... anche questo compatibile con un corto.
iii) i due riferimenti sono connessi insieme da qualche altra parte nel monitor ma tu stai provando solo il PCB alimentatore non inserito nella mother board e allora il collegamento manca...
...oppure qualche altra cosa del genere, insomma verifica il perché di quel riferimento appeso
Se ti serve il valore di beta: hai sbagliato il progetto!
45 messaggi
• Pagina 1 di 5 • 1, 2, 3, 4, 5
Chi c’è in linea
Visitano il forum: Nessuno e 55 ospiti

Elettrotecnica e non solo (admin)
Un gatto tra gli elettroni (IsidoroKZ)
Esperienza e simulazioni (g.schgor)
Moleskine di un idraulico (RenzoDF)
Il Blog di ElectroYou (webmaster)
Idee microcontrollate (TardoFreak)
PICcoli grandi PICMicro (Paolino)
Il blog elettrico di carloc (carloc)
DirtEYblooog (dirtydeeds)
Di tutto... un po' (jordan20)
AK47 (lillo)
Esperienze elettroniche (marco438)
Telecomunicazioni musicali (clavicordo)
Automazione ed Elettronica (gustavo)
Direttive per la sicurezza (ErnestoCappelletti)
EYnfo dall'Alaska (mir)
Apriamo il quadro! (attilio)
H7-25 (asdf)
Passione Elettrica (massimob)
Elettroni a spasso (guidob)
Bloguerra (guerra)





