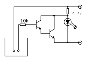
Direi che anzitutto occorre aggiungere una resistenza in serie al led per limitare la corrente di accensione, altrimenti il led si brucia.
Non saprei dire se quel circuito possa funzionare: per spegnere il led occorre che il transistor si spenga e quindi che il liquido conduca sufficientemente bene da far calare la tensione ai capi delle sonde sotto 0.6V e, anche con un valore alto di R1, temo che questa condizione sia difficilmente raggiungibile.
Credo possa funzionare meglio questa soluzione..comunque da provare.
Qui il transistor è in parallelo al led e, a differenza dell'altra soluzione, lo fa spegnere quando conduce.
Dovrebbe funzionare anche con liquidi poco conduttori e forse anche con un solo transistor ma è tutto da verificare.
Com'è fatto?
Moderatori:
carloc,
g.schgor,
BrunoValente,
IsidoroKZ
27 messaggi
• Pagina 3 di 3 • 1, 2, 3
1
voti
[21] Re: Com'è fatto?
-

BrunoValente
39,6k 7 11 13 - G.Master EY

- Messaggi: 7796
- Iscritto il: 8 mag 2007, 14:48
3
voti
[22] Re: Com'è fatto?
... e poi attenzione all'elettrolisi
Tutti i circuiti visti non hanno problemi nel caso di "sensore normalmente asciutto che si bagna saltuariamente in caso di allarme"
Ma se invece funzionano al contrario anche la "piccola" corrente di base alla lunga corroderà gli elettrodi.
La soluzione sarebbe di usare dell'alternata a valor medio nullo per eccitare gli elettrodi, o anche più semplicemente un pulsante "test" per alimentare brevemente tutto il circuito solo quando passiamo un attimo di li per controllare il livello.
Infine (forse) elettrodi di acciaio inox e pulizia e/o sostituzione periodica potrebbero essere un ultima chance...
Tutti i circuiti visti non hanno problemi nel caso di "sensore normalmente asciutto che si bagna saltuariamente in caso di allarme"
Ma se invece funzionano al contrario anche la "piccola" corrente di base alla lunga corroderà gli elettrodi.
La soluzione sarebbe di usare dell'alternata a valor medio nullo per eccitare gli elettrodi, o anche più semplicemente un pulsante "test" per alimentare brevemente tutto il circuito solo quando passiamo un attimo di li per controllare il livello.
Infine (forse) elettrodi di acciaio inox e pulizia e/o sostituzione periodica potrebbero essere un ultima chance...
Se ti serve il valore di beta: hai sbagliato il progetto!
0
voti
[24] Re: Com'è fatto?
Prima di tutto vedo che il povero led ha vita breve senza limitazione di corrente.
Degli elettrodi in alluminio (anche profili, se ne trovano a basso costo nei Brico) potrebbero risolvere il problema della corrosione (non credo possa permetterti elettrodi in MMO o in Platino).
Degli elettrodi in alluminio (anche profili, se ne trovano a basso costo nei Brico) potrebbero risolvere il problema della corrosione (non credo possa permetterti elettrodi in MMO o in Platino).
0
voti
[25] Re: Com'è fatto?
Grazie per l'aiuto.
Provero' a realizzare lo schema che mi avete postato e vi faro' sapere.
A me serve qualcosa che si accenda quando manca l'acqua ma non posso usare un pulsante test, dato che a me basta aprire uno sportello per vedere il livello dell'acqua, mi serve qualcosa che mi protegga dal dimenticare di controllare
Grazie
Provero' a realizzare lo schema che mi avete postato e vi faro' sapere.
A me serve qualcosa che si accenda quando manca l'acqua ma non posso usare un pulsante test, dato che a me basta aprire uno sportello per vedere il livello dell'acqua, mi serve qualcosa che mi protegga dal dimenticare di controllare
Grazie
0
voti
[27] Re: Com'è fatto?
La maggior parte della corrente è quella del led, quindi cambia poco.
Nella versione che ti ho proposto la corrente assorbita non varia tra acceso e spento, nella tua invece da spento si riduce.
Nella versione che ti ho proposto la corrente assorbita non varia tra acceso e spento, nella tua invece da spento si riduce.
-

BrunoValente
39,6k 7 11 13 - G.Master EY

- Messaggi: 7796
- Iscritto il: 8 mag 2007, 14:48
27 messaggi
• Pagina 3 di 3 • 1, 2, 3
Chi c’è in linea
Visitano il forum: Nessuno e 59 ospiti

Elettrotecnica e non solo (admin)
Un gatto tra gli elettroni (IsidoroKZ)
Esperienza e simulazioni (g.schgor)
Moleskine di un idraulico (RenzoDF)
Il Blog di ElectroYou (webmaster)
Idee microcontrollate (TardoFreak)
PICcoli grandi PICMicro (Paolino)
Il blog elettrico di carloc (carloc)
DirtEYblooog (dirtydeeds)
Di tutto... un po' (jordan20)
AK47 (lillo)
Esperienze elettroniche (marco438)
Telecomunicazioni musicali (clavicordo)
Automazione ed Elettronica (gustavo)
Direttive per la sicurezza (ErnestoCappelletti)
EYnfo dall'Alaska (mir)
Apriamo il quadro! (attilio)
H7-25 (asdf)
Passione Elettrica (massimob)
Elettroni a spasso (guidob)
Bloguerra (guerra)





