Ciao, vi chiedo un aiuto per risolvere un problema, per me grande ma per voi sicuramente piccolissimo.
Premetto che capisco poco e niente di elettronica ma a volte mi diletto a mettere insieme piccoli circuiti, senza giocare troppo con la tensione, ovviamente.
Vi prego, non torturatemi se dico bestialità.
Avrei bisogno di un circuito "super semplice" per far lampeggiare un led a tempo di musica
da collegare ad una autoradio, in casa, alimentato con ali da 12V e 2A.
Ho trovato un circuito fatto con il tip31 ma in negozio ho trovato il tip35.
I componenti di cui dispongo sono:
1) una lampada(cinese) formata da diversi led ad alta luminosita da 12V dove non si nota la polarità.
Nei due sensi, la lampada si accende comunque.
2) Transistor Tip35
Ho assemblato il tutto come indicato nell'immagine allegata e il risultato
è stato che il led rimane acceso e l'autoradio non si sente.
Grazie.
Led a tempo di musica con TIP35, non funziona, perché?
Moderatori:
carloc,
g.schgor,
BrunoValente,
IsidoroKZ
40 messaggi
• Pagina 1 di 4 • 1, 2, 3, 4
1
voti
Non funziona perché quel circuito è una vera e propria porcata.
E' talmente una porcata che chiamarlo "circuito" è da considerarsi sacrilegio.
Mi stupisco che ci sia ancora gente che cerchi di costruirlo (con tutto il rispetto per te eh!).
E' talmente una porcata che chiamarlo "circuito" è da considerarsi sacrilegio.
Mi stupisco che ci sia ancora gente che cerchi di costruirlo (con tutto il rispetto per te eh!).
"La follia sta nel fare sempre la stessa cosa aspettandosi risultati diversi".
"Parla soltanto quando sei sicuro che quello che dirai è più bello del silenzio".
Rispondere è cortesia, ma lasciare l'ultima parola ai cretini è arte.
"Parla soltanto quando sei sicuro che quello che dirai è più bello del silenzio".
Rispondere è cortesia, ma lasciare l'ultima parola ai cretini è arte.
-

TardoFreak
73,9k 8 12 13 - -EY Legend-

- Messaggi: 15754
- Iscritto il: 16 dic 2009, 11:10
- Località: Torino - 3° pianeta del Sistema Solare
0
voti
Immaginavo che avrei avuto subito una risposta chiara e coincisa.
-

teonet2006
18 3 - New entry

- Messaggi: 90
- Iscritto il: 25 mar 2012, 23:07
0
voti
Ciao.
Come, giustamente ti ha detto
TardoFreak, non funziona perché mancano un po' di componenti.
teonet2006, mi permetto di consigliarti di lasciar perdere quel montaggio e di leggerti ed applicare quello che è riportato nel seguente articolo di
TardoFreak.
http://www.electroyou.it/tardofreak/wik ... -di-musica
Come, giustamente ti ha detto
http://www.electroyou.it/tardofreak/wik ... -di-musica
0
voti
Grazie, ci provo.
Se ho bisogno vi chiedo.
Se ho bisogno vi chiedo.
-

teonet2006
18 3 - New entry

- Messaggi: 90
- Iscritto il: 25 mar 2012, 23:07
0
voti
Se lo colleghi all' autoradio (o comunque ad un uscita di un ampli di potenza) va bene anche lo schema più semplice. 

"La follia sta nel fare sempre la stessa cosa aspettandosi risultati diversi".
"Parla soltanto quando sei sicuro che quello che dirai è più bello del silenzio".
Rispondere è cortesia, ma lasciare l'ultima parola ai cretini è arte.
"Parla soltanto quando sei sicuro che quello che dirai è più bello del silenzio".
Rispondere è cortesia, ma lasciare l'ultima parola ai cretini è arte.
-

TardoFreak
73,9k 8 12 13 - -EY Legend-

- Messaggi: 15754
- Iscritto il: 16 dic 2009, 11:10
- Località: Torino - 3° pianeta del Sistema Solare
0
voti
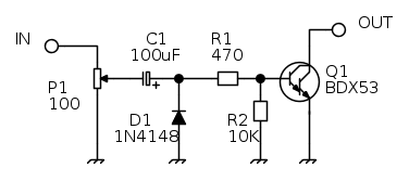
Scusa la domanda ma in merito ai componenti il poteziometro con valore 100, si riferisce
a 100ohm?
E la resistenza 470, equivale a 470ohm?
a 100ohm?
E la resistenza 470, equivale a 470ohm?
-

teonet2006
18 3 - New entry

- Messaggi: 90
- Iscritto il: 25 mar 2012, 23:07
0
voti
Si
"La follia sta nel fare sempre la stessa cosa aspettandosi risultati diversi".
"Parla soltanto quando sei sicuro che quello che dirai è più bello del silenzio".
Rispondere è cortesia, ma lasciare l'ultima parola ai cretini è arte.
"Parla soltanto quando sei sicuro che quello che dirai è più bello del silenzio".
Rispondere è cortesia, ma lasciare l'ultima parola ai cretini è arte.
-

TardoFreak
73,9k 8 12 13 - -EY Legend-

- Messaggi: 15754
- Iscritto il: 16 dic 2009, 11:10
- Località: Torino - 3° pianeta del Sistema Solare
0
voti
Un'ultima cosa e poi non vi rompo più...
Non riesco a capire dove sono:
1) l'entrata del segnale audio
2) l'entrata della 12V
3) l'uscita che va alla lampada
Ultima, vi giuro.
Non riesco a capire dove sono:
1) l'entrata del segnale audio
2) l'entrata della 12V
3) l'uscita che va alla lampada
Ultima, vi giuro.
-

teonet2006
18 3 - New entry

- Messaggi: 90
- Iscritto il: 25 mar 2012, 23:07
0
voti
teonet2006 ha scritto:Non riesco a capire dove sono:
1) l'entrata del segnale audio
3) l'uscita che va alla lampada
Forse dove c'e' scritto IN e OUT?
Se ti riferisci a questo schema:
e leggi l'articolo con attenzione e fino in fondo, vedrai che ti rispondi da solo.
marco
40 messaggi
• Pagina 1 di 4 • 1, 2, 3, 4
Chi c’è in linea
Visitano il forum: Nessuno e 196 ospiti

Elettrotecnica e non solo (admin)
Un gatto tra gli elettroni (IsidoroKZ)
Esperienza e simulazioni (g.schgor)
Moleskine di un idraulico (RenzoDF)
Il Blog di ElectroYou (webmaster)
Idee microcontrollate (TardoFreak)
PICcoli grandi PICMicro (Paolino)
Il blog elettrico di carloc (carloc)
DirtEYblooog (dirtydeeds)
Di tutto... un po' (jordan20)
AK47 (lillo)
Esperienze elettroniche (marco438)
Telecomunicazioni musicali (clavicordo)
Automazione ed Elettronica (gustavo)
Direttive per la sicurezza (ErnestoCappelletti)
EYnfo dall'Alaska (mir)
Apriamo il quadro! (attilio)
H7-25 (asdf)
Passione Elettrica (massimob)
Elettroni a spasso (guidob)
Bloguerra (guerra)


