Videocitofono
Moderatori:
sebago,
MASSIMO-G,
lillo,
Mike
13 messaggi
• Pagina 2 di 2 • 1, 2
1
voti
[12] Re: Videocitofono
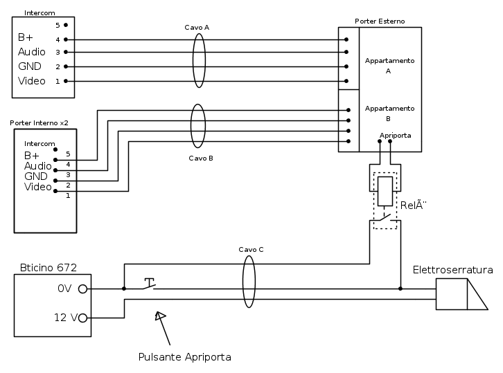
grazie ZG84 per lo schema. l'impianto è stato ultimato. vorrei puntualizzare alcuni punti in cui ho riscontrato dei problemi cosi chi leggerà potrà apprendere.
Lo schema precedente si è rivelato molto utile.
come relè ho usato un Finder, però non ho segnato il modello, che ho chiesto in un negozio.
Una piccola modifica è stata fatta riguardo all'alimentazione prelevata dal Bticino 672 ho cercato su internet quali fosserò i morsetti di 0V e 12V.
ho trovato la seguente tabella:
- : 0 volt per alimentazione serratura elettrica......
+ : alimentazione fonica e circuiti interni relè ausiliari 8V DC 0.2 A.....
~ : Alimentazione 12 V AC autoprotetta da cortocircuiti e sovraccarichi....
+J : Alimentazione fonica 8V DC autoprotetta da corctocircuiti....
Dopo varie prove ho utilizzato il + e ~ solo cosi sono riuscito a far funzionare il tutto.
Adesso funziona tutto.
Credo che l?argomento si possa considerare chiuso.
Lo schema precedente si è rivelato molto utile.
come relè ho usato un Finder, però non ho segnato il modello, che ho chiesto in un negozio.
Una piccola modifica è stata fatta riguardo all'alimentazione prelevata dal Bticino 672 ho cercato su internet quali fosserò i morsetti di 0V e 12V.
ho trovato la seguente tabella:
- : 0 volt per alimentazione serratura elettrica......
+ : alimentazione fonica e circuiti interni relè ausiliari 8V DC 0.2 A.....
~ : Alimentazione 12 V AC autoprotetta da cortocircuiti e sovraccarichi....
+J : Alimentazione fonica 8V DC autoprotetta da corctocircuiti....
Dopo varie prove ho utilizzato il + e ~ solo cosi sono riuscito a far funzionare il tutto.
Adesso funziona tutto.
Credo che l?argomento si possa considerare chiuso.
13 messaggi
• Pagina 2 di 2 • 1, 2
Torna a Impianti, sicurezza e quadristica
Chi c’è in linea
Visitano il forum: Nessuno e 70 ospiti

Elettrotecnica e non solo (admin)
Un gatto tra gli elettroni (IsidoroKZ)
Esperienza e simulazioni (g.schgor)
Moleskine di un idraulico (RenzoDF)
Il Blog di ElectroYou (webmaster)
Idee microcontrollate (TardoFreak)
PICcoli grandi PICMicro (Paolino)
Il blog elettrico di carloc (carloc)
DirtEYblooog (dirtydeeds)
Di tutto... un po' (jordan20)
AK47 (lillo)
Esperienze elettroniche (marco438)
Telecomunicazioni musicali (clavicordo)
Automazione ed Elettronica (gustavo)
Direttive per la sicurezza (ErnestoCappelletti)
EYnfo dall'Alaska (mir)
Apriamo il quadro! (attilio)
H7-25 (asdf)
Passione Elettrica (massimob)
Elettroni a spasso (guidob)
Bloguerra (guerra)

bravo.
