Aiuto per dimensionamento resistenze
Moderatori:
carloc,
g.schgor,
BrunoValente,
IsidoroKZ
38 messaggi
• Pagina 4 di 4 • 1, 2, 3, 4
0
voti
ho già spiegato che sono un perito in Telecomunicazioni (dal '81) "non praticante" 
-

ANDREA2013
887 3 6 - Utente disattivato per decisione dell'amministrazione proprietaria del sito
- Messaggi: 710
- Iscritto il: 16 lug 2013, 21:30
0
voti
allora, potresti provare così:
RC per ricavare il valor medio, su questo ci siamo ok?
metti 3, dico 3, transistor NPN anzichè uno solo, tutti configurati allo stesso modo, giusto per aumentare il guadagno e rendere più secco lo scatto del relè.
se mi segui fai tu lo schema con fidocad e poi vediamo un po'
RC per ricavare il valor medio, su questo ci siamo ok?
metti 3, dico 3, transistor NPN anzichè uno solo, tutti configurati allo stesso modo, giusto per aumentare il guadagno e rendere più secco lo scatto del relè.
se mi segui fai tu lo schema con fidocad e poi vediamo un po'
-

ANDREA2013
887 3 6 - Utente disattivato per decisione dell'amministrazione proprietaria del sito
- Messaggi: 710
- Iscritto il: 16 lug 2013, 21:30
0
voti
ANDREA2013 ha scritto:se mi segui fai tu lo schema con fidocad e poi vediamo un po'
Io cerco di seguirti, ma non ho abbastanza pratica da capirti al volo...
posto lo schema e resto in attesa degli insulti...

3
voti
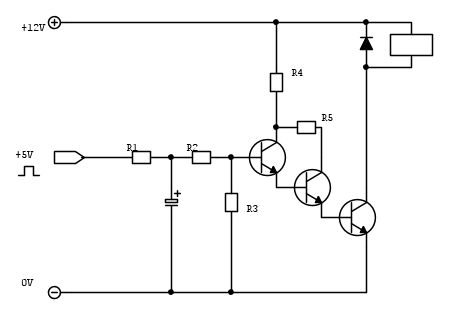
Prova questo, dovrebbe funzionare.
Se il led lampeggia a 5Hz come hai detto, il valore del condensatore dovrebbe essere sufficiente a non far accendere il relè mentre il led lampeggia. Se non dovesse essere sufficiente potrai aumentarlo a 470uF.
Ti spiego in breve come funziona.
Il diodo in serie alla base del darlington ne aumenta di circa 0.6V la tensione di accensione portandola a circa 1.8V e questo consente di allungare un po' il tempo.
La velocità di carica del condensatore, se il valore è 100uF, è di circa 5 V/s, per cui il darlington dovrebbe arrivare a chiudersi con un ritardo di circa 0.36 secondi rispetto al fronte di salita dell'impulso di comando.
Se la frequenza degli impulsi è di 5Hz e se l'accensione del led dura mezzo periodo vuol dire che la durata degli impulsi è di 0.1s, quindi dovremmo esserci abbondantemente.
Il secondo transistor è normalmente saturo in assenza del segnale di ingresso e tiene il condensatore scarico e il darlington interdetto.
Durante gli impulsi positivi di ingresso, il secondo transistor si apre e lascia che il condensatore si carichi con la R da 22k, tra un impulso e l'altro invece si chiude e scarica il condensatore bruscamente attraverso la R da 22ohm che serve a limitare la corrente di scarica a valori sopportabili dal BC548.
IL primo transistor serve solo ad invertire il segnale di comando.
Il relè dovrebbe quindi eccitarsi solo dopo che gli impulsi sono terminati e dopo circa 0.36s dall'accensione continua del led.
Se il led lampeggia a 5Hz come hai detto, il valore del condensatore dovrebbe essere sufficiente a non far accendere il relè mentre il led lampeggia. Se non dovesse essere sufficiente potrai aumentarlo a 470uF.
Ti spiego in breve come funziona.
Il diodo in serie alla base del darlington ne aumenta di circa 0.6V la tensione di accensione portandola a circa 1.8V e questo consente di allungare un po' il tempo.
La velocità di carica del condensatore, se il valore è 100uF, è di circa 5 V/s, per cui il darlington dovrebbe arrivare a chiudersi con un ritardo di circa 0.36 secondi rispetto al fronte di salita dell'impulso di comando.
Se la frequenza degli impulsi è di 5Hz e se l'accensione del led dura mezzo periodo vuol dire che la durata degli impulsi è di 0.1s, quindi dovremmo esserci abbondantemente.
Il secondo transistor è normalmente saturo in assenza del segnale di ingresso e tiene il condensatore scarico e il darlington interdetto.
Durante gli impulsi positivi di ingresso, il secondo transistor si apre e lascia che il condensatore si carichi con la R da 22k, tra un impulso e l'altro invece si chiude e scarica il condensatore bruscamente attraverso la R da 22ohm che serve a limitare la corrente di scarica a valori sopportabili dal BC548.
IL primo transistor serve solo ad invertire il segnale di comando.
Il relè dovrebbe quindi eccitarsi solo dopo che gli impulsi sono terminati e dopo circa 0.36s dall'accensione continua del led.
-

BrunoValente
39,6k 7 11 13 - G.Master EY

- Messaggi: 7796
- Iscritto il: 8 mag 2007, 14:48
1
voti
BrunoValente ha scritto:Prova questo, dovrebbe funzionare.
F U N Z I O N A !!
Non vedevo l'ora di provarlo ed ho usato una millefori..
Qualche componente è lievemente diverso (ho messo quelli che avevo...) e l'elettrolitico da 470 uF dato che in caso di attivazione con presenza di sensori già in allarme, l'uscita led emette due soli lampeggi un po' più lunghi (con la centrale che non si inserisce). Così è coperto anche questo lampeggio..
Vi posto qualche foto:


Grazie


0
voti
play1702 ha scritto: ...GrazieBrunoValente per la disponibiltà, non so come ringraziarti...

"Non farei mai parte di un club che accettasse la mia iscrizione" (G. Marx)
-

claudiocedrone
21,3k 4 7 9 - Master EY

- Messaggi: 15302
- Iscritto il: 18 gen 2012, 13:36
0
voti
Figurati!
-

BrunoValente
39,6k 7 11 13 - G.Master EY

- Messaggi: 7796
- Iscritto il: 8 mag 2007, 14:48
38 messaggi
• Pagina 4 di 4 • 1, 2, 3, 4
Chi c’è in linea
Visitano il forum: Nessuno e 59 ospiti

Elettrotecnica e non solo (admin)
Un gatto tra gli elettroni (IsidoroKZ)
Esperienza e simulazioni (g.schgor)
Moleskine di un idraulico (RenzoDF)
Il Blog di ElectroYou (webmaster)
Idee microcontrollate (TardoFreak)
PICcoli grandi PICMicro (Paolino)
Il blog elettrico di carloc (carloc)
DirtEYblooog (dirtydeeds)
Di tutto... un po' (jordan20)
AK47 (lillo)
Esperienze elettroniche (marco438)
Telecomunicazioni musicali (clavicordo)
Automazione ed Elettronica (gustavo)
Direttive per la sicurezza (ErnestoCappelletti)
EYnfo dall'Alaska (mir)
Apriamo il quadro! (attilio)
H7-25 (asdf)
Passione Elettrica (massimob)
Elettroni a spasso (guidob)
Bloguerra (guerra)

