Cos'è ElectroYou | Login Iscriviti

ElectroYou - la comunità dei professionisti del mondo elettrico

Strobo a LED

Elettronica lineare e digitale: didattica ed applicazioni

Moderatori: Foto Utentecarloc, Foto Utenteg.schgor, Foto UtenteBrunoValente, Foto UtenteIsidoroKZ

1
voti

[11] Re: Strobo a LED

Messaggioda Foto UtenteTricka90 » 16 mar 2014, 1:17

marco438 ha scritto:Scusa Foto UtenteTricka90 ma sei sicuro che quel circuito serva come strobo?
A me sembra che possa , con le dovute modifiche, regolare la luminosita' dei LED. (ma forse mi sbaglio io).


Ovviamente la frequenza deve essere bassa, ho dimenticato di specificarlo.
Se no, come dice giustamente Foto Utentemarco438, otterresti solo un regolatore di luminosità perché i tuoi occhi non farebbero in tempo a percepire il lampeggiamento!
Avatar utente
Foto UtenteTricka90
662 1 6 10
Expert
Expert
 
Messaggi: 627
Iscritto il: 1 lug 2013, 15:53

0
voti

[12] Re: Strobo a LED

Messaggioda Foto Utentemarco438 » 16 mar 2014, 11:09

Allora Foto Utentematto3707, tralasciando lo schema precedente che, secondo il mio parere, non fornisce i risultati richiesti (nonostante il parere contrario di Foto UtenteTricka90), per ottenere un "effetto strobo" si possono seguire tre strade diverse
1. Un semplice 555 configurato in astabile regolato su una frequenza compresa tra i 7 e i 15Hz (circa ed a piacere); ma pare che tu lo abbia gia' provato senza soddisfazione.
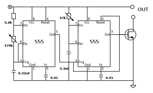
2. Questo schema semplice che da risultati migliori:

(Per raggiungere il lampeggio desiderato forse si dovranno cambiare sperimentalmente alcuni valori dei componenti.)

3. quest'ultimo schema che permette una regolazione sia della frequenza che dell'ampiezza del segnale.

Ho omesso alcuni valori in attesa della tua scelta, come pure il sistema di regolazione della tensione da 24 a 12V.
marco
Avatar utente
Foto Utentemarco438
37,1k 7 11 13
-EY Legend-
-EY Legend-
 
Messaggi: 16323
Iscritto il: 24 mar 2010, 15:09
Località: Versilia

0
voti

[13] Re: Strobo a LED

Messaggioda Foto Utentematto3707 » 16 mar 2014, 11:31

Ok grazie mille marco lo schema numero uno L'ho gia provato ma in modo diverso senza diodo e senza quel componente al piedino 3,ci può essere qualche differenza?? Nel primo schema avevo aggiunto anche una resistenza variabile...Vedo che qui non c'è..

Nel secondo circuito se ho capito bene con un trimmer regolo il tempo di accensione e con l'altro il tempo nel quale resta spento??

Per l'alimentazione preferisco usare un solo trasformatore da 24 volt e mettere mettere un regolatore per questo driver in 12 v!!!
Per i componenti che vanno modificati durante i lavori no problem...
Avatar utente
Foto Utentematto3707
18 1 4
Frequentatore
Frequentatore
 
Messaggi: 178
Iscritto il: 2 mar 2014, 1:15

0
voti

[14] Re: Strobo a LED

Messaggioda Foto Utentemarco438 » 16 mar 2014, 13:08

matto3707 ha scritto:Nel secondo circuito se ho capito bene con un trimmer regolo il tempo di accensione e con l'altro il tempo nel quale resta spento??

Piu' precisamente uno regola la frequenza e l'altro il duty-cycle.
Dimmi quale ha scelto di provare, cosi' lo modifico per il caso specifico.
marco
Avatar utente
Foto Utentemarco438
37,1k 7 11 13
-EY Legend-
-EY Legend-
 
Messaggi: 16323
Iscritto il: 24 mar 2010, 15:09
Località: Versilia

0
voti

[15] Re: Strobo a LED

Messaggioda Foto Utentematto3707 » 16 mar 2014, 14:24

OK...
Tu marco cosa mi consigli di usare il primo o il secondo?? Qualè che fa al caso mio??

Il primo è semplice e uno simile l'ho gia fatto il secondo è un po più complesso che non ho mai provato..

Consagliami tu la soluzione migliore!!grazie
Avatar utente
Foto Utentematto3707
18 1 4
Frequentatore
Frequentatore
 
Messaggi: 178
Iscritto il: 2 mar 2014, 1:15

0
voti

[16] Re: Strobo a LED

Messaggioda Foto Utentemarco438 » 16 mar 2014, 14:37

Se vuoi una regolazione fine e sempre variabile sia della frequenza che del duty cycle, e' meglio il secondo; altrimenti fai il piu' semplice ma ti dovrai accontentare dei risultati che si potranno ottenere.
marco
Avatar utente
Foto Utentemarco438
37,1k 7 11 13
-EY Legend-
-EY Legend-
 
Messaggi: 16323
Iscritto il: 24 mar 2010, 15:09
Località: Versilia

0
voti

[17] Re: Strobo a LED

Messaggioda Foto Utentematto3707 » 16 mar 2014, 14:41

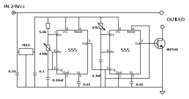
Facciamo il secondo mi piace di più è meglio se uso due 555 perché ne ho parecchi a casa e vorrei usarli...

Il componente sul piedino 3 del secondo 555 cosè?? non lo conosco.. è un transistor??

Lo schema è da modificare ulteriormente o è pronto cosi??
Avatar utente
Foto Utentematto3707
18 1 4
Frequentatore
Frequentatore
 
Messaggi: 178
Iscritto il: 2 mar 2014, 1:15

0
voti

[18] Re: Strobo a LED

Messaggioda Foto Utentemarco438 » 16 mar 2014, 14:58

No, lo schema non e' pronto e va modificato per renderlo coerente con l'alimentazione a 24 V; il componente a destra e' un mosfet ed io ho indicato il primo che mi e' venuto in mente che, tra l'altro, e' anche sovradimensionato.( si puo mettere anche un transistor di adeguata potenza)
Se hai qualcosa in casa, dillo e vediamo se si puo' fare la sostituzione.
Di seguito lo schema aggiornato:
marco
Avatar utente
Foto Utentemarco438
37,1k 7 11 13
-EY Legend-
-EY Legend-
 
Messaggi: 16323
Iscritto il: 24 mar 2010, 15:09
Località: Versilia

0
voti

[19] Re: Strobo a LED

Messaggioda Foto Utentematto3707 » 16 mar 2014, 15:14

Marco grazie mille!! A casa ho due 555 pensavo di averne di più come faccio a testare se non sono bruciati??

Transitor ho questi: BC237B, BC548B, Z0410MF A412
Sto valutando il NE556 come mi avevi consigliato riesci a farmi un circuito con quello?? In negozio di elettronica devo andarci per forza e i 2 NE555 non so se siano bruciati quindi vorrei valutare questa soluzione.
Avatar utente
Foto Utentematto3707
18 1 4
Frequentatore
Frequentatore
 
Messaggi: 178
Iscritto il: 2 mar 2014, 1:15

0
voti

[20] Re: Strobo a LED

Messaggioda Foto Utentemarco438 » 16 mar 2014, 17:17

Se hai notato, ho cancellato la soluzione con NE556 perche' in fase di costruzione complicherebbe un po' le cose; meglio due NE555.
Per il transistor se, come hai detto, il consumo e' di 160mA, se ne puo' fare a meno essendo il 555 in grado di pilotare fino a 200mA con una certa tranquillita'. Dovremmo pero' essere sicuri di questo consumo.
In ogni caso i primi due che hai citato sono insufficienti, il terzo e' un triac e la sigla del quarto non da nessun risultato nella ricerca.
I 555 non si possono "provare"; dovrai fare il circuito e.....vedere se funziona :D
Non saldare gli integrati direttamente sulla basetta ma adopera gli appositi zoccoli; la sostituzione sara' cosi' facile ed immediata.
marco
Avatar utente
Foto Utentemarco438
37,1k 7 11 13
-EY Legend-
-EY Legend-
 
Messaggi: 16323
Iscritto il: 24 mar 2010, 15:09
Località: Versilia

PrecedenteProssimo

Torna a Elettronica generale

Chi c’è in linea

Visitano il forum: Nessuno e 45 ospiti