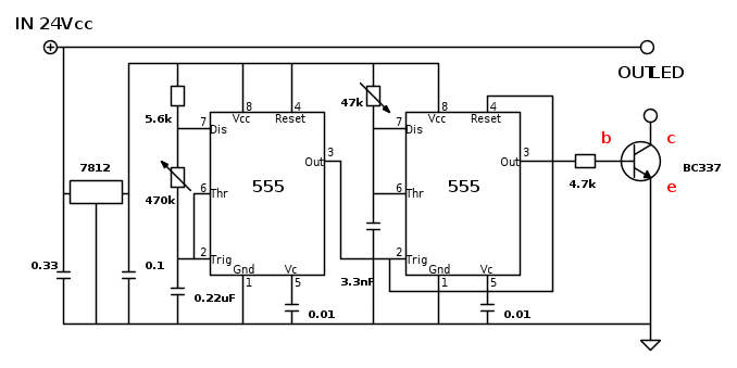
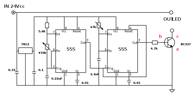
Il transistor va collegato cosi':
Questa e' la piedinatura:
Il BC548 non va bene, lo avevo gia' detto.
Ma di che pin 1 stai parlando?
Strobo a LED
Moderatori:
carloc,
g.schgor,
BrunoValente,
IsidoroKZ
0
voti
[35] Re: Strobo a LED
Allora i componenti gli ho presi... ho provato a scrivere giu come collegare il tutto ma non ci sono riuscito.. gentilmente qualcuno può farmelo?? o conisgliarmi un programma se esiste che lo faccia in automatico??
0
voti
[36] Re: Strobo a LED
Hai preso anche una millefori e gli zoccoli per gli integrati?
In giornata vedo se riesco a farti uno schema di costruzione.
Per regolarmi con il disegno, che tipo di potenziometri o trimmer hai preso?
Fai, se puoi, una foto di tutti i componenti.
In giornata vedo se riesco a farti uno schema di costruzione.
Per regolarmi con il disegno, che tipo di potenziometri o trimmer hai preso?
Fai, se puoi, una foto di tutti i componenti.
marco
0
voti
[37] Re: Strobo a LED
Ho una millefori e anche gli zoccoli...
I trimmer pensavo di mettere uno spinotto con un filo... Comunque mi servirebbe una linea base casomai dopo trovo io il modo con cui adattare i componenti. ... sono fuori casa ora e resterò fuori tutto il giorno sto scrivendo dal cell!!!
Per gli spinotti pet i trimmer pensavo di usare questi:z6rMZ45pEBxTCj2gdU+VqZsBrEgs/qp7GRX8RH/zQ5dW4FHDiRNHdTIck6NSkGI5+LrIP/sKinxVyYUqO1bfostm54KSbp9RbxqwITkrD5cJoe+T7xj8adU+NxRQ5IkCNNRpvAMw7Dz9aaeKE/ILUlMkQsSa0S+gFVuKVcx50amdxPmQvsSB7WwBwudFgf5heoYDQjzp+GKuEBW/Yv8AsL1I8FXFXcYQpOFRsSAu5h7gLh57tVkr/I+FL2Crjz/kZMq0R2Lig4MOBt/vbUbE+BKT41rJYQpx6M9qy8gpVbsIsfShMZqUHYzh9zJQUk8gDz/Oq+BvuPQWw/pJjLLTo+8nQ0JJg7r6Cw5x1eHI3+sqEsx3u/LwPiLVKUJZxIdL3WINW7g6jgR8U+op3kCFjqHP/GxJrdqB/eo4EfFPqKLEIjr2HOtsqO/jKD7OnEpuRb1HjQ1/Q01f2E+y5Nwt5lsfpLJDrI4e8Rcp89U+NQtSkuJYlMkZXUhab8j/AMGrUWSlbkea0bNyQCfuq/7qm4wGZs6GmwQSJUcD7IV10+Cr+FqYiGB0PbIKRYNKL0cW/u1cR/lNxVmRFlYnGZXhqgmWxdGv2mzqR4KH+6o0IdefgSo7Cy42tSXFJtYtqHSB+BAI+JrSjRH2H3C0pxpCtQUGx7x/XZTUWxOaWUdwokptXnf0m7ITMecZlwWt8oJ3brINibXIUPhc+dejAXNIorus4j54w36NcTlOyY65TSEw3crqgg5r/D/mrbuwsSC20uVvHVGQltxfVICuHD4GvWmmhE23ktmwRiMVLgv+2jT5XrN2hiF6JNjpBK1NlSPxJ6Q+VvGsHmD8m6S3rwckNl4cCQ0GYiGwU5VW4m4I4+NWMMgB/BDcjM0stqB5EGuhkOJmYTCmj+8aBV3Hn63qlgwtieJRDa0lsSkjv4K9azf5I0X4tGZBZSxjMFah0H21R1jsUnpJ8wasYlBCvbYqB0nmlZR95PST6j1qOfnRFfU2LuxlpkJHblPS9CfKtTGFgPsTGNUrCXEnuOoqLw0V3TAkLE7CYWIACzjYzEdvP1ocKA+s5kY9WZGTJR+IdFfrrT4Q2kQcRwsdWM9nZ7m1jMKgbd3HsMwjWNJ3Tx7G3BlJ8CB5028phXKK0/M3EW8ke8hPIkptyynpeh9K18Tyoksy2dUOALB7QbGo5LKUYsppwe6fSW19hBFj6VFACnsAEZzV6EtUdR/Cej6H0peUPsDh6L4XNw86qhPe7/hr6ST86hS8I8jDMQvYNumM/wB6HNB5K+dSx1ljE4zp6kxhTC/xo1HoakEETGZuHHQPt3b7lA3H+4CpTbRT5+wZMUGZJguD3clBQPH+hUcd5czC4shf9oZBbcHPMnQ1ImQZ2Gw51vfISA4PvDRVBpFxmUxf3ctKZbfxPRUPMU35QlxRNKuzizT4HuZ7GRX8RA0P+mq09tf1YtTVyuG4JCPgOt6E1cxNlTmAOKaSS7FWH2iO7j6E1JhziHwlYsW3UZbdoNS1mgulY2GuJdcaktHiL/nWfIZ9jxmXECcrTqvaWPwq6w8Deh2fWuFKcgPm64zpbPw5HyNa22MXJFiYkggGK5lUSbAtr/kbedVHMb8Cl0zryZWNlTDmGYlwLSiw6O1CuB8D866aC2iQw40sBTbySlQ7QQR8qzm22sVwSVG6wW0RZI1BtcHwIFHsg5MMVCJkdbawgBWYc60UbfozbwZGGJdj5oT/AOuhOFhV/tAdU/Ai1J+0DaFRGjM5oOX7HU6HzFjXQzcD9oxVyal8pLiEoUgDTo86mXhMV1aVvNJcUgWSsi6gKFoyob1Y2ZONRnJ2B3iNqdfZcS6yEcQpJ+VifOrsASFrS4Wi2tI17v8AqtRDDbaAlCQAKPxrZaXcyepikYkXBCy0pre3aLinACLWub2FXm4bN1KU2krUMpXbUirp4UJNUtNIlzbImorTSiWgRfvqylIoBpRo52q6RLbNqntcUqIVIjmdrj7HJwbFRoI0sNun/DXof676HHbsT0uAXF609qIRn7PT46BmcLKloH3k6j5etYT0j6xwSFMGq3GEk/iAsfUVlLEmax/FFDC0BOG4jhp4wpJyfgVqnzrNZcLGJYbNvYNvKjO96VjTyN60wsM41GVaycQh5FfxG+Hpas+ZFL7M+Mk9NTe9atyUnpaeVvGsJdvRusPJNNaQ1iwS7o07dC/HQ1FFC3MDRFf0fhLVGX3FJ09KnfeGIRWJKQM620r+Cra1DIXuMXdTrupzCH09mcdFXjpSfILih469zMhShoJDC4rvYVJN0+mnhU5ie0omRUp/tTCsg++NR6gVHMjFzB5G768ZaZKLdqePoT5VZwh8PrbcSdQQpNjSXZDfFlVt4z4EaV/eBIKu4jQ/KpDaPjr6Ro1iEdLyRy3idDbwoW0CHi8+CdW95vWwRoUrF9POrW0DCmsNhz0DpwngTb92rRQ+VUk/4C1ZQnsq+rX3G+vHcTIR4HX0NXsPcDrjT6OIsRbsNSwN2+4ptSklDiSk27DoayNny/GdDC2XDkWUXKSLgG1JKpWF4aJ8nsOOT4JFmX1CU0nkAvjbuuKDaBhbeHRZjVyuG9ZRH7tenle3nW5i+CuT5cSS06G3GEKQdLlQOoF+7Xzq0jCW3IZYl5Xkm2ZKvOtfibtEfKlTKWAvtyUFNwrSxHaDxFZGCQ5kWQuGIzwZaeUlpbibBSM2hrq4WHRoV/Z2wi/ZVsADhpVrR4szerzRy83Z19/GHJqHkozhIUAnUlItx+ArfciNSIKYstAdQALhWoNuFWTzoa0jpxRDm2VosJmGkhhAR22qVIy2tRk6Ghq6JGJpqc0JpgPyoaVNQAqE054UN6AHvU7Og1qCp0cNaANcm1Ok3NCo0IOtIRObHjqOdcBCJitzsMVoYctQSPuqN013yTmFcHtWkwNpC+DZEyOCe9SdPlWGtimbaWbQOKN2wVuWgEqhPpeFjY2vY/MeVO1lM1t5OoBv+JJrSwxhM/C3WFWyupU2r/MLVzmAzEqaS26q62VFpVvum1qy5o0XchilUORIgr09neUlN+aDqP676ubRM2wqLOb4xnrE9iFaH1A86LHcJxB7Gg/DjpLCmE5llQBzgkcPgBWwMJVPwJ7D5qltpeGUls2UBodD4Uo6cnaBzWGQYApElJSsZkKSQodoOh9DXP4O4uFOMU51KYdLZNutY2rrcGwRnCz0FLWBoM5vWgWGi4VltOf9q1arRdKyXqq2YG0GFTZOKw5cFDYb3RS6VKsrjdPzNaow1MrCVQ8RSHUOCy0A2BF71oaHjrpT35VqtNJ2ZObqilDwyLDOZloA/KrIaSnUDWipA6VaSRNsbhS40qbnTEKmNLnSvQAqGiNDQAxpiNDRUJPKgBjQ6UiaZQ1oGNSpUjxoAa1NbWnNNegBDjU7fCoed6lQaBGmTTXoQaV6QEra7GsPa/BVY4iIWZO4XHcKr5b5wRqO7UCtflUZN6TipYY02naM/BcO+r2VIU6VgjjU4gRUO7xthtKiSSQniTxqxSoUEhuTYgkdlMQMwoxxoaokC1h401GaGgBdvxpUx40qAEaYG1KmVQA96X2qakaAEaalypUAK/bTU54UjpQAN+NDRd/hQK50ACafvphSNAwSdabl40R61K1AA2NLSiFPlFqBA1ImgFGKAP/Z[/img]
Grazie ancora!!
I trimmer pensavo di mettere uno spinotto con un filo... Comunque mi servirebbe una linea base casomai dopo trovo io il modo con cui adattare i componenti. ... sono fuori casa ora e resterò fuori tutto il giorno sto scrivendo dal cell!!!
Per gli spinotti pet i trimmer pensavo di usare questi:z6rMZ45pEBxTCj2gdU+VqZsBrEgs/qp7GRX8RH/zQ5dW4FHDiRNHdTIck6NSkGI5+LrIP/sKinxVyYUqO1bfostm54KSbp9RbxqwITkrD5cJoe+T7xj8adU+NxRQ5IkCNNRpvAMw7Dz9aaeKE/ILUlMkQsSa0S+gFVuKVcx50amdxPmQvsSB7WwBwudFgf5heoYDQjzp+GKuEBW/Yv8AsL1I8FXFXcYQpOFRsSAu5h7gLh57tVkr/I+FL2Crjz/kZMq0R2Lig4MOBt/vbUbE+BKT41rJYQpx6M9qy8gpVbsIsfShMZqUHYzh9zJQUk8gDz/Oq+BvuPQWw/pJjLLTo+8nQ0JJg7r6Cw5x1eHI3+sqEsx3u/LwPiLVKUJZxIdL3WINW7g6jgR8U+op3kCFjqHP/GxJrdqB/eo4EfFPqKLEIjr2HOtsqO/jKD7OnEpuRb1HjQ1/Q01f2E+y5Nwt5lsfpLJDrI4e8Rcp89U+NQtSkuJYlMkZXUhab8j/AMGrUWSlbkea0bNyQCfuq/7qm4wGZs6GmwQSJUcD7IV10+Cr+FqYiGB0PbIKRYNKL0cW/u1cR/lNxVmRFlYnGZXhqgmWxdGv2mzqR4KH+6o0IdefgSo7Cy42tSXFJtYtqHSB+BAI+JrSjRH2H3C0pxpCtQUGx7x/XZTUWxOaWUdwokptXnf0m7ITMecZlwWt8oJ3brINibXIUPhc+dejAXNIorus4j54w36NcTlOyY65TSEw3crqgg5r/D/mrbuwsSC20uVvHVGQltxfVICuHD4GvWmmhE23ktmwRiMVLgv+2jT5XrN2hiF6JNjpBK1NlSPxJ6Q+VvGsHmD8m6S3rwckNl4cCQ0GYiGwU5VW4m4I4+NWMMgB/BDcjM0stqB5EGuhkOJmYTCmj+8aBV3Hn63qlgwtieJRDa0lsSkjv4K9azf5I0X4tGZBZSxjMFah0H21R1jsUnpJ8wasYlBCvbYqB0nmlZR95PST6j1qOfnRFfU2LuxlpkJHblPS9CfKtTGFgPsTGNUrCXEnuOoqLw0V3TAkLE7CYWIACzjYzEdvP1ocKA+s5kY9WZGTJR+IdFfrrT4Q2kQcRwsdWM9nZ7m1jMKgbd3HsMwjWNJ3Tx7G3BlJ8CB5028phXKK0/M3EW8ke8hPIkptyynpeh9K18Tyoksy2dUOALB7QbGo5LKUYsppwe6fSW19hBFj6VFACnsAEZzV6EtUdR/Cej6H0peUPsDh6L4XNw86qhPe7/hr6ST86hS8I8jDMQvYNumM/wB6HNB5K+dSx1ljE4zp6kxhTC/xo1HoakEETGZuHHQPt3b7lA3H+4CpTbRT5+wZMUGZJguD3clBQPH+hUcd5czC4shf9oZBbcHPMnQ1ImQZ2Gw51vfISA4PvDRVBpFxmUxf3ctKZbfxPRUPMU35QlxRNKuzizT4HuZ7GRX8RA0P+mq09tf1YtTVyuG4JCPgOt6E1cxNlTmAOKaSS7FWH2iO7j6E1JhziHwlYsW3UZbdoNS1mgulY2GuJdcaktHiL/nWfIZ9jxmXECcrTqvaWPwq6w8Deh2fWuFKcgPm64zpbPw5HyNa22MXJFiYkggGK5lUSbAtr/kbedVHMb8Cl0zryZWNlTDmGYlwLSiw6O1CuB8D866aC2iQw40sBTbySlQ7QQR8qzm22sVwSVG6wW0RZI1BtcHwIFHsg5MMVCJkdbawgBWYc60UbfozbwZGGJdj5oT/AOuhOFhV/tAdU/Ai1J+0DaFRGjM5oOX7HU6HzFjXQzcD9oxVyal8pLiEoUgDTo86mXhMV1aVvNJcUgWSsi6gKFoyob1Y2ZONRnJ2B3iNqdfZcS6yEcQpJ+VifOrsASFrS4Wi2tI17v8AqtRDDbaAlCQAKPxrZaXcyepikYkXBCy0pre3aLinACLWub2FXm4bN1KU2krUMpXbUirp4UJNUtNIlzbImorTSiWgRfvqylIoBpRo52q6RLbNqntcUqIVIjmdrj7HJwbFRoI0sNun/DXof676HHbsT0uAXF609qIRn7PT46BmcLKloH3k6j5etYT0j6xwSFMGq3GEk/iAsfUVlLEmax/FFDC0BOG4jhp4wpJyfgVqnzrNZcLGJYbNvYNvKjO96VjTyN60wsM41GVaycQh5FfxG+Hpas+ZFL7M+Mk9NTe9atyUnpaeVvGsJdvRusPJNNaQ1iwS7o07dC/HQ1FFC3MDRFf0fhLVGX3FJ09KnfeGIRWJKQM620r+Cra1DIXuMXdTrupzCH09mcdFXjpSfILih469zMhShoJDC4rvYVJN0+mnhU5ie0omRUp/tTCsg++NR6gVHMjFzB5G768ZaZKLdqePoT5VZwh8PrbcSdQQpNjSXZDfFlVt4z4EaV/eBIKu4jQ/KpDaPjr6Ro1iEdLyRy3idDbwoW0CHi8+CdW95vWwRoUrF9POrW0DCmsNhz0DpwngTb92rRQ+VUk/4C1ZQnsq+rX3G+vHcTIR4HX0NXsPcDrjT6OIsRbsNSwN2+4ptSklDiSk27DoayNny/GdDC2XDkWUXKSLgG1JKpWF4aJ8nsOOT4JFmX1CU0nkAvjbuuKDaBhbeHRZjVyuG9ZRH7tenle3nW5i+CuT5cSS06G3GEKQdLlQOoF+7Xzq0jCW3IZYl5Xkm2ZKvOtfibtEfKlTKWAvtyUFNwrSxHaDxFZGCQ5kWQuGIzwZaeUlpbibBSM2hrq4WHRoV/Z2wi/ZVsADhpVrR4szerzRy83Z19/GHJqHkozhIUAnUlItx+ArfciNSIKYstAdQALhWoNuFWTzoa0jpxRDm2VosJmGkhhAR22qVIy2tRk6Ghq6JGJpqc0JpgPyoaVNQAqE054UN6AHvU7Og1qCp0cNaANcm1Ok3NCo0IOtIRObHjqOdcBCJitzsMVoYctQSPuqN013yTmFcHtWkwNpC+DZEyOCe9SdPlWGtimbaWbQOKN2wVuWgEqhPpeFjY2vY/MeVO1lM1t5OoBv+JJrSwxhM/C3WFWyupU2r/MLVzmAzEqaS26q62VFpVvum1qy5o0XchilUORIgr09neUlN+aDqP676ubRM2wqLOb4xnrE9iFaH1A86LHcJxB7Gg/DjpLCmE5llQBzgkcPgBWwMJVPwJ7D5qltpeGUls2UBodD4Uo6cnaBzWGQYApElJSsZkKSQodoOh9DXP4O4uFOMU51KYdLZNutY2rrcGwRnCz0FLWBoM5vWgWGi4VltOf9q1arRdKyXqq2YG0GFTZOKw5cFDYb3RS6VKsrjdPzNaow1MrCVQ8RSHUOCy0A2BF71oaHjrpT35VqtNJ2ZObqilDwyLDOZloA/KrIaSnUDWipA6VaSRNsbhS40qbnTEKmNLnSvQAqGiNDQAxpiNDRUJPKgBjQ6UiaZQ1oGNSpUjxoAa1NbWnNNegBDjU7fCoed6lQaBGmTTXoQaV6QEra7GsPa/BVY4iIWZO4XHcKr5b5wRqO7UCtflUZN6TipYY02naM/BcO+r2VIU6VgjjU4gRUO7xthtKiSSQniTxqxSoUEhuTYgkdlMQMwoxxoaokC1h401GaGgBdvxpUx40qAEaYG1KmVQA96X2qakaAEaalypUAK/bTU54UjpQAN+NDRd/hQK50ACafvphSNAwSdabl40R61K1AA2NLSiFPlFqBA1ImgFGKAP/Z[/img]
Grazie ancora!!
0
voti
[38] Re: Strobo a LED
Ok. Qui di seguito hai il piano di costruzione:
Ho fatto in modo che non ci siano incroci tra le piste, ma alcune dovrai tirarle sotto gli integrati all'interno dei pin. Non ho potuto evitare la connessione in rosso che dovrai fare tra quei pin con un filo isolato dal lato rame.
I connettori per i trimmer( o potenziometri) sono disegnati con i punti rossi.
Il regolatore si intende con IN sulla sinistra.
Il pin 1, per arrivare a GND, necessita di un ponticello per scavalcare l'altra linea che si interseca.
Chiedi quello che non capisci.
P.S Se qualche anima pia, passando da qui, volesse controllare che non sussistano errori, gliene sarei grato. Altrimenti piu' tardi lo rivedo io.
Ho fatto in modo che non ci siano incroci tra le piste, ma alcune dovrai tirarle sotto gli integrati all'interno dei pin. Non ho potuto evitare la connessione in rosso che dovrai fare tra quei pin con un filo isolato dal lato rame.
I connettori per i trimmer( o potenziometri) sono disegnati con i punti rossi.
Il regolatore si intende con IN sulla sinistra.
Il pin 1, per arrivare a GND, necessita di un ponticello per scavalcare l'altra linea che si interseca.
Chiedi quello che non capisci.
P.S Se qualche anima pia, passando da qui, volesse controllare che non sussistano errori, gliene sarei grato. Altrimenti piu' tardi lo rivedo io.
marco
0
voti
[39] Re: Strobo a LED
marco grazie mille... domani mi metto al lavoro..
Ok geniale hai girato il primo integrato!! non ci sarei mai arrivato mi sono spremuto tutta ieri sera ma non ci riuscivo!!
Mi pare a posto, ma ho un dubbio i trimmer sono giusti?? non riesco a capire perché sono collegati tutti e 3 i piedini...
Ok geniale hai girato il primo integrato!! non ci sarei mai arrivato mi sono spremuto tutta ieri sera ma non ci riuscivo!!
Mi pare a posto, ma ho un dubbio i trimmer sono giusti?? non riesco a capire perché sono collegati tutti e 3 i piedini...
Chi c’è in linea
Visitano il forum: Nessuno e 121 ospiti

Elettrotecnica e non solo (admin)
Un gatto tra gli elettroni (IsidoroKZ)
Esperienza e simulazioni (g.schgor)
Moleskine di un idraulico (RenzoDF)
Il Blog di ElectroYou (webmaster)
Idee microcontrollate (TardoFreak)
PICcoli grandi PICMicro (Paolino)
Il blog elettrico di carloc (carloc)
DirtEYblooog (dirtydeeds)
Di tutto... un po' (jordan20)
AK47 (lillo)
Esperienze elettroniche (marco438)
Telecomunicazioni musicali (clavicordo)
Automazione ed Elettronica (gustavo)
Direttive per la sicurezza (ErnestoCappelletti)
EYnfo dall'Alaska (mir)
Apriamo il quadro! (attilio)
H7-25 (asdf)
Passione Elettrica (massimob)
Elettroni a spasso (guidob)
Bloguerra (guerra)





