Salve a tutti.
Sto realizzando un sistema per il controllo dei segnali ferroviari su un plastico.
In pratica ho un binario sezionato su cui un treno può scorrere in entrambe i sensi di marcia. Questo "tratto" presenta una zona sezionata che permette l'arresto del treno all'interno del tratto. Alle estremità della sezione vi sono due segnali, uno alla destra e uno alla sinistra della sezione e ancora più in esterno alla sezione vi sono i sensori a barriera. Avevo pensato di realizzare la logica di funzionamento tramite un PIC. Per quanto riguarda l'algoritmo ho preparato già un applicativo in C# che simula il funzionamento del circuito che poi dovrò convertire nel linguaggio per il PIC (ed anche qui mi servirà una mano).
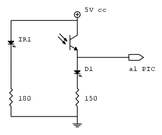
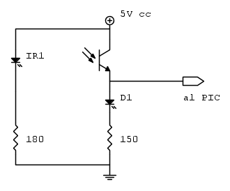
Prima però di affrontare la parte PIC, avevo intenzione di iniziare dai sensori a barriera. Ho abbozzato questo schema:
Per quanto riguarda il fototransistor e il diodo led infrarosso, le specifiche sono quelle nei file allegati.
In pratica se ho realizzato bene il tutto, quando non vi è niente tra IR1 e il fototransistor, questo dovrebbe andare in conduzione e quindi riportarmi sull'uscita "al PIC" i 5V di alimentazione e accendere il led D1 utilizzato sia per il controllo sia per verificare l'allineamento. Quando invece il fascio è interrotto dal treno, dovrebbe darmi in uscita 0V (riferimento di massa). Spero sia corretto.
Barriera infrarossi per modellismo
Moderatori:
carloc,
g.schgor,
BrunoValente,
IsidoroKZ
7 messaggi
• Pagina 1 di 1
0
voti
- Allegati
-
1683592.pdf- Diodo infrarosso
- (222.61 KiB) Scaricato 245 volte
-
15059.pdf- Fototransistor
- (320.17 KiB) Scaricato 207 volte
1
voti
Sei sicuro di voler utilizzare la barriera infrarossa? I ricevitori sono molto difficili da fare: il fototransistor si satura facilmente con l'illuminazione naturale e, per riuscire a filtrarla occorrono filtri sia per la luce ambiente, sia in logica, per decifrare, genericamente, impulsi di luce del trasmettitore in frequenza.
Sono molto più idonei i reed ad ampolla per questi impieghi.
Sono molto più idonei i reed ad ampolla per questi impieghi.
-

Candy
32,5k 7 10 13 - CRU - Account cancellato su Richiesta utente
- Messaggi: 10123
- Iscritto il: 14 giu 2010, 22:54
0
voti
Ciao Candy. Grazie per la risposta.
Ho messo in conto il problema della luce ambiente anche se quando ho scelto il fototransistor tra le specifiche viene indicato che il package ha proprietà "DayLight filter" e poi sul sito Farnell lo classificavano come specifico per l'infrarosso a 880nm. Poi per l'effettiva realizzazione del tutto una sorta di filtro lo fa lo scenario stesso.
Diodo led e fototransistor infatti saranno posti ad un massimo di 2 cm di distanza. Per "filtrare" ancora di più il tutto il fototransistor sarà inserito all'interno di un elemento del paesaggio (tipo una cabina o qualcosa di simile) grande 1,5x1,5 cm che avrà una sola apertura in corrispondenza della "cupola" del fototransistor (a tipo cabina autovelox). Penso che grandi problemi non dovrei averne. Per ora provo con il fototransistor poi vediamo.
Ho messo in conto il problema della luce ambiente anche se quando ho scelto il fototransistor tra le specifiche viene indicato che il package ha proprietà "DayLight filter" e poi sul sito Farnell lo classificavano come specifico per l'infrarosso a 880nm. Poi per l'effettiva realizzazione del tutto una sorta di filtro lo fa lo scenario stesso.
Diodo led e fototransistor infatti saranno posti ad un massimo di 2 cm di distanza. Per "filtrare" ancora di più il tutto il fototransistor sarà inserito all'interno di un elemento del paesaggio (tipo una cabina o qualcosa di simile) grande 1,5x1,5 cm che avrà una sola apertura in corrispondenza della "cupola" del fototransistor (a tipo cabina autovelox). Penso che grandi problemi non dovrei averne. Per ora provo con il fototransistor poi vediamo.
0
voti
A che altezza pensi di mettere la barriera ad infrarossi? Te lo chiedo perché potrebbero esserci delle soluzioni di continuità tra locomotiva e vagoni e tra un vagone e l'altro. Sarebbe forse necessario dare un ritardo di risposta al sistema.
Ma forse hai già pensato a qualcosa del genere tramite il PIC?
Ma forse hai già pensato a qualcosa del genere tramite il PIC?
-

FedericoSibona
5.022 3 5 8 - Master

- Messaggi: 3951
- Iscritto il: 19 mar 2013, 11:43
0
voti
Ciao Agatino,
Ti riporto la mia esperienza con i fototransistor, applicati in campo completamente diverso cioè l'analisi del passaggio di una mazza da golf, nella quale la testa del bastone passa anche a 150Km/h. Io ho utilizzato i Optek OP599 messi su una piastra a terra, e un banale illuminatore IR posto sul soffitto. Devo dire che nonostante le distanze e anche con illuminazione ambientale "corposa", non ho problemi di rilevazione
Link al ds degli OP599: http://www.optekinc.com/datasheets/op599.pdf
Ti riporto la mia esperienza con i fototransistor, applicati in campo completamente diverso cioè l'analisi del passaggio di una mazza da golf, nella quale la testa del bastone passa anche a 150Km/h. Io ho utilizzato i Optek OP599 messi su una piastra a terra, e un banale illuminatore IR posto sul soffitto. Devo dire che nonostante le distanze e anche con illuminazione ambientale "corposa", non ho problemi di rilevazione
Link al ds degli OP599: http://www.optekinc.com/datasheets/op599.pdf
0
voti
FedericoSibona ha scritto:A che altezza pensi di mettere la barriera ad infrarossi? Te lo chiedo perché potrebbero esserci delle soluzioni di continuità tra locomotiva e vagoni e tra un vagone e l'altro. Sarebbe forse necessario dare un ritardo di risposta al sistema.
La scala del plastico è la N (1:160). Diodo e fototransistor staranno a circa 1,5 cm dal piano dei binari. Per quanto riguarda lo spazio tra i vagoni (che è di 8 mm) avevo pensato sia di ottenere se possibile dal blocco "sensore" un comportamento "ritardato" solo in fase di rilascio in modo da non avere impulsi on-off-on ciclici in corrispondenza di due vagoni. Altra opzione era quella di mettere due fototransistor (come da disegno) che avessero tra di loro un comportamento in OR in modo da contenere il problema.
Dal punto di vista circuitale per il "ritardo" direttamente nel blocco "sensore" avevo pensato di mettere un condensatore con opportuna resistenza di carico/scarico sull'uscita che va verso il PIC calcolati in modo da avere un ritardo tra 1,5 e 2,5 secondi. Questo però mi comporta che anche in fase di attivazione dovrei aspettare lo stesso tempo per avere in uscita i 5V.
FedericoSibona ha scritto:Ma forse hai già pensato a qualcosa del genere tramite il PIC?
Demandare questo comportamento al PIC non so se è possibile farlo. Non ho mai programmato un PIC e quindi sono allo scuro di tutto. Ho fatto un programmino di test con l'algoritmo che dovrà contenere il PIC ma l'ho fatto in C# (con Visual Studio) perché conosco il linguaggio in quanto sono un programmatore.
0
voti
Agatino ha scritto: La scala del plastico è la N (1:160).
Che la scala fosse N o Z lo avevo pensato quando hai detto che la distanza da diodo IR a fototransistor non era superiore a 2cm
Agatino ha scritto: Demandare questo comportamento al PIC non so se è possibile farlo. Non ho mai programmato un PIC e quindi sono all'oscuro di tutto.
Sei nella mia stessa situazione
-

FedericoSibona
5.022 3 5 8 - Master

- Messaggi: 3951
- Iscritto il: 19 mar 2013, 11:43
7 messaggi
• Pagina 1 di 1
Chi c’è in linea
Visitano il forum: Nessuno e 113 ospiti

Elettrotecnica e non solo (admin)
Un gatto tra gli elettroni (IsidoroKZ)
Esperienza e simulazioni (g.schgor)
Moleskine di un idraulico (RenzoDF)
Il Blog di ElectroYou (webmaster)
Idee microcontrollate (TardoFreak)
PICcoli grandi PICMicro (Paolino)
Il blog elettrico di carloc (carloc)
DirtEYblooog (dirtydeeds)
Di tutto... un po' (jordan20)
AK47 (lillo)
Esperienze elettroniche (marco438)
Telecomunicazioni musicali (clavicordo)
Automazione ed Elettronica (gustavo)
Direttive per la sicurezza (ErnestoCappelletti)
EYnfo dall'Alaska (mir)
Apriamo il quadro! (attilio)
H7-25 (asdf)
Passione Elettrica (massimob)
Elettroni a spasso (guidob)
Bloguerra (guerra)



