Salve a tutti, avrei una domanda sugli amplificatori reali.
Vorrei capire come calcolare il massimo sbilanciamento o meglio,
dopo aver introdotto nell'amplificatore Ibias1(al morsetto positivo),Ibias2(al morsetto negativo) e Vio(al morsetto positivo) e avendo trovato la mia Vumax come prendere i segni rispettivi. Ed inotre quando e perché il massimo sbilanciamento avrà segno posivito o negativo.
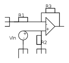
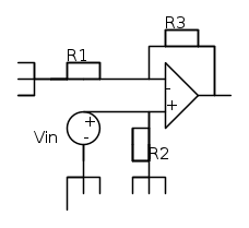
Allego circuito. Grazie in anticipo!
Amplificatori reali e sbilanciamento
Moderatori:
carloc,
g.schgor,
BrunoValente,
IsidoroKZ
3 messaggi
• Pagina 1 di 1
0
voti
0
voti
Franca ha scritto:come prendere i segni rispettivi.
La tensione di offset e le correnti di polarizzazione e di offset non hanno un segno determinato, il costruttore specifica nel data sheet i valori massimi di questi parametri in valore assoluto. Quando devi fare i conti, tu inizia con l'assegnare un verso arbitrario ai generatori; alla fine dei calcoli avrai una somma di 3 contributi, uno proporzionale alla tensione di offset, uno alla corrente di polarizzazione e uno alla corrente di offset. Il massimo di questa somma in valore assoluto lo otterrai prendendo tutti i contributi con lo stesso segno.
In altre parole, ricordati che vale sempre la diseguaglianza

PS: disegno migliorabile
PPS: ho cancellato il tuo precedente messaggio perché duplicato.
It's a sin to write
instead of
(Anonimo).
...'cos you know that
ain't
, right?
You won't get a sexy tan if you write
in lieu of
.
Take a log for a fireplace, but don't take
for
arithm.
instead of
(Anonimo)....'cos you know that
ain't
, right?You won't get a sexy tan if you write
in lieu of
.Take a log for a fireplace, but don't take
for
arithm.-

DirtyDeeds
55,9k 7 11 13 - G.Master EY

- Messaggi: 7012
- Iscritto il: 13 apr 2010, 16:13
- Località: Somewhere in nowhere
0
voti
Intanto grazie! comunque so che all'inizio si prendono tutti con lo stesso segno, però poi quando devo sostiruire con i dati del testo dell'esercizio mi perdo, nel senso se come dato ho una Vio che può valere più o meno 5V come capisco se prenderla positiva o negativa, e lo stesso per i valori delle correnti, che sono in valore assoluto, e non so con quale segno prenderle. E poi il massimo sbilanciamento può essere negativo ma perché?
Ps: si il disegno è pessimo
Ps: si il disegno è pessimo
3 messaggi
• Pagina 1 di 1
Chi c’è in linea
Visitano il forum: Nessuno e 150 ospiti

Elettrotecnica e non solo (admin)
Un gatto tra gli elettroni (IsidoroKZ)
Esperienza e simulazioni (g.schgor)
Moleskine di un idraulico (RenzoDF)
Il Blog di ElectroYou (webmaster)
Idee microcontrollate (TardoFreak)
PICcoli grandi PICMicro (Paolino)
Il blog elettrico di carloc (carloc)
DirtEYblooog (dirtydeeds)
Di tutto... un po' (jordan20)
AK47 (lillo)
Esperienze elettroniche (marco438)
Telecomunicazioni musicali (clavicordo)
Automazione ed Elettronica (gustavo)
Direttive per la sicurezza (ErnestoCappelletti)
EYnfo dall'Alaska (mir)
Apriamo il quadro! (attilio)
H7-25 (asdf)
Passione Elettrica (massimob)
Elettroni a spasso (guidob)
Bloguerra (guerra)
