Ciao a tutti,
ho un problema strano che vorrei sottoporre ala vostra attenzione.
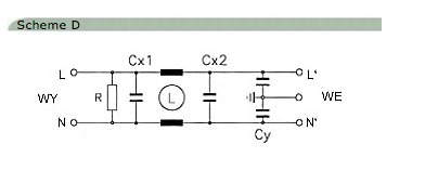
In uno stabilizzatore di tensione trifase munito di trasformatore di isolamento sono presenti sulla uscita tre filtri antidisturbo della arcotronics, modello F.AM.DI.3600.ZE, uno su ciascuna fase. Lo schema del filtro è allegato a questo post.
Improvvisamente dopo anni di corretto funzionamento mi sono accorto che lo stabilizzatore ha un consumo a vuoto anomalo su una sola delle 3 fasi. Per anomalo intendo che consuma circa 10A anche senza alcun utilizzatore collegato.
Mi chiedevo se fosse possibile per uno di questi filtri guastarsi in modo tale da generare un consumo del genere, magari attraverso una dispersione verso massa, e se in tal caso non si dovrebbero vedere chiari segni di surriscaldamento, bruciatura eccc?
Lo stabilizzatore è collegato ad un contatore da 10 kW direttamente a valle del magnetotermico di legge.
Grazie in anticipo per i vostri suggerimenti.
Ciao
Riccardo
Stabilizzatore, filtro antidisturbo e consumo anomalo
Moderatori:
g.schgor,
IsidoroKZ
-
leopardus2
0 2 - Messaggi: 25
- Iscritto il: 4 set 2007, 12:39
0
voti
[1] Stabilizzatore, filtro antidisturbo e consumo anomalo
- Allegati
-
- arcotronic.jpg (30.18 KiB) Visto 2276 volte
-
leopardus2
0 2 - Messaggi: 25
- Iscritto il: 4 set 2007, 12:39
0
voti
[3] Re: Stabilizzatore, filtro antidisturbo e consumo anomalo
Certo, ma l'apparecchio si trova in usa casa di montagna, e non sarò lì prima di due settimane.... intanto volevo capire se sia uno scenario possibile o meno...
grazie
R
grazie
R
-
leopardus2
0 2 - Messaggi: 25
- Iscritto il: 4 set 2007, 12:39
0
voti
[5] Re: Stabilizzatore, filtro antidisturbo e consumo anomalo
Allego lo schema dello stabilizzatore (IREM TST-12), dove si evince anche il collegamento dei filtri (Z1, Z2 e Z3).
Grazie
R
Grazie
R
- Allegati
-
tst12.pdf- (133.3 KiB) Scaricato 143 volte

Elettrotecnica e non solo (admin)
Un gatto tra gli elettroni (IsidoroKZ)
Esperienza e simulazioni (g.schgor)
Moleskine di un idraulico (RenzoDF)
Il Blog di ElectroYou (webmaster)
Idee microcontrollate (TardoFreak)
PICcoli grandi PICMicro (Paolino)
Il blog elettrico di carloc (carloc)
DirtEYblooog (dirtydeeds)
Di tutto... un po' (jordan20)
AK47 (lillo)
Esperienze elettroniche (marco438)
Telecomunicazioni musicali (clavicordo)
Automazione ed Elettronica (gustavo)
Direttive per la sicurezza (ErnestoCappelletti)
EYnfo dall'Alaska (mir)
Apriamo il quadro! (attilio)
H7-25 (asdf)
Passione Elettrica (massimob)
Elettroni a spasso (guidob)
Bloguerra (guerra)

