Saturare mosfet N collegato a drain comune
Moderatori:
carloc,
g.schgor,
BrunoValente,
IsidoroKZ
8 messaggi
• Pagina 1 di 1
0
voti
Ho una centralina di controllo di un generatore termico a gasolio che per acce3ndersi pilota una candeletta di accensione resistiva con resistenza intorno 0.4 ohm tramite Mosfet N a Drain comune. In pratica il Drain è a 12 V e la candeletta è tra source e massa. Il Mosfet era un BTS 141 che ora è rotto. Non lo trovo in commercio ma comunque vorrei capire quello che succede. Se uso un Mosfet N con bassa Rds (tipo 3.6 m ohm) poiché a drain comune il mosfet non mi satura ai suoi capi cadono comunque 4 V e per una corrente di 10A scalda per 40 W. Se pilotassi la candeletta a source comune, allora avrei Rds=3.6 m ohm e un a caduta Vds= 10 x 0.0036 = 0.036 V e il mosfet che è saturo nemmeno si intiepidisce. Come fa la scheda originale a funzionare con il collegamento drain comune? Non riesco a ricavare lo schema dettagliato in quanto il montaggio è SMD. 
0
voti
aiutaci a capire
servono foto e schemi, altrimenti non si va da nessuna parte
servono foto e schemi, altrimenti non si va da nessuna parte
-

ANDREA2013
887 3 6 - Utente disattivato per decisione dell'amministrazione proprietaria del sito
- Messaggi: 710
- Iscritto il: 16 lug 2013, 21:30
5
voti
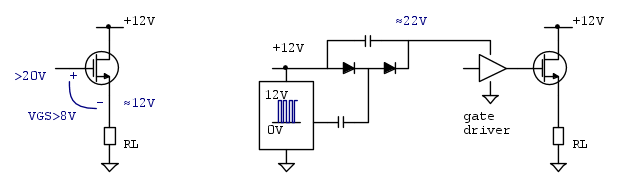
Beh è semplice
... basta portare il gate almeno 4V (se non è un logic level anche un po' di più
) sopra la tensione di drain
spesso lo si fa con una charge pump visto che normalmente la corrente richiesta non sarà mai "troppo elevata".
spesso lo si fa con una charge pump visto che normalmente la corrente richiesta non sarà mai "troppo elevata".
Se ti serve il valore di beta: hai sbagliato il progetto!
0
voti
Scusate l'intrusione ma ho una curiosità.....
Quali sono i vantaggi di usare questa configurazione rispetto alla quella più usata, ovvero a source comune?
Quali sono i vantaggi di usare questa configurazione rispetto alla quella più usata, ovvero a source comune?
Carlo.
"E' inutile cercarsi i guai visto che ci sono già loro che cercano noi" cit. TardoFreak
"E' inutile cercarsi i guai visto che ci sono già loro che cercano noi" cit. TardoFreak
0
voti
Saluti a tutti che ringrazio per l’attenzione. Sono stato fuori per impegni e sono tornato oggi. Riepilogo il problema per cui ho aperto il post.
Da uno sfascio ho trovato un riscaldatore x auto Webasto. Non funziona. Scheda rotta. E’ formato da una pompa che inietta gasolio, una candeletta che riscalda e una ventola aria. Su una basetta ho fatto un po’ di prove e alla fine ho l’accensione e il funzionamento un po’ empirico da affinare molto. Particolarità: la candeletta ha a freddo una resistenza tra 03. – 0.7 ohm. Quando è calda presenta una resistenza di circa 1.3 – 1.6 ohm A 12 V assorbe circa tra 40A e 8 A a seconda il grado di temperatura. Domandando in giro ho scoperto che la candeletta deve lavorare mediamente a 10V e corrente di circa 8-10A Quindi il mio sistema va aggiustato. Poi quando la candeletta ha acceso la fiamma le viene tolta alimentazione e va letta come resistenza per capire se la fiamma sta bruciando per controllare le false accensioni. La scheda originale non è leggibile in quanto montaggio SMD ed è coperta di vernice anche se quasi trasparente. Usa dei mosfet N tipo BTS 117,132,141 montati a drain comune (visto con il tester); perché non a source comune? Nemmeno il mosfet che modula la ventola aria o la pompa gasolio. Per la candeletta potrei capire se seguo una mia ipotesi: come si fa a misurare la resistenza di una candeletta se ha come comune 12 V ? Allora ho immaginato questo:

Il mosfet di sinistra lo uso x alimentare la candeletta, poi quello di destra x la misura della resistenza. Ho la resistenza riferita a massa, ed è facile leggere la tensione per un canale analogico di un PIC ad esempio. In questo modo potrei capire se fiamma brucia e se la resistenza non è interrotta. Avranno fatto così i progettisti Webasto?
Problema: come faccio a saturare un mosfet a drain comune. Con la charge – pump mi funziona ma devo usare un generatore di onda quadra a 12 V. Dispendioso e poi ho poco spazio. Vorrei usare una uscita del PIC per generare un oda quadra ma a 5 V, non riesco ad innescare il Mosfet.
Quindi ora sto lavorando a questi obiettivi: 1°) Usare pin del PIC x onda quadra del charge pump, magari usando un BJT come drive collegato a 12V; 2°) con il drain comune appena alimento il Mosfet conduce e devo attivare il PIC per spegnerlo. Non va bene. La candeletta per default deve stare spenta e io la accendo se serve. E non il contrario, per motivi di sicurezza. 3°) Il mosfet della candeletta deve condurre, non troppo per non far passare troppa corrente, ma non poco per evitare che il mosfet scaldi troppo.
Per il momento ringrazio ancora; questo è quello che ho ottenuto in modo empirico ma non va bene.
Spero che le immagini si vedano bene.

Da uno sfascio ho trovato un riscaldatore x auto Webasto. Non funziona. Scheda rotta. E’ formato da una pompa che inietta gasolio, una candeletta che riscalda e una ventola aria. Su una basetta ho fatto un po’ di prove e alla fine ho l’accensione e il funzionamento un po’ empirico da affinare molto. Particolarità: la candeletta ha a freddo una resistenza tra 03. – 0.7 ohm. Quando è calda presenta una resistenza di circa 1.3 – 1.6 ohm A 12 V assorbe circa tra 40A e 8 A a seconda il grado di temperatura. Domandando in giro ho scoperto che la candeletta deve lavorare mediamente a 10V e corrente di circa 8-10A Quindi il mio sistema va aggiustato. Poi quando la candeletta ha acceso la fiamma le viene tolta alimentazione e va letta come resistenza per capire se la fiamma sta bruciando per controllare le false accensioni. La scheda originale non è leggibile in quanto montaggio SMD ed è coperta di vernice anche se quasi trasparente. Usa dei mosfet N tipo BTS 117,132,141 montati a drain comune (visto con il tester); perché non a source comune? Nemmeno il mosfet che modula la ventola aria o la pompa gasolio. Per la candeletta potrei capire se seguo una mia ipotesi: come si fa a misurare la resistenza di una candeletta se ha come comune 12 V ? Allora ho immaginato questo:

Il mosfet di sinistra lo uso x alimentare la candeletta, poi quello di destra x la misura della resistenza. Ho la resistenza riferita a massa, ed è facile leggere la tensione per un canale analogico di un PIC ad esempio. In questo modo potrei capire se fiamma brucia e se la resistenza non è interrotta. Avranno fatto così i progettisti Webasto?
Problema: come faccio a saturare un mosfet a drain comune. Con la charge – pump mi funziona ma devo usare un generatore di onda quadra a 12 V. Dispendioso e poi ho poco spazio. Vorrei usare una uscita del PIC per generare un oda quadra ma a 5 V, non riesco ad innescare il Mosfet.
Quindi ora sto lavorando a questi obiettivi: 1°) Usare pin del PIC x onda quadra del charge pump, magari usando un BJT come drive collegato a 12V; 2°) con il drain comune appena alimento il Mosfet conduce e devo attivare il PIC per spegnerlo. Non va bene. La candeletta per default deve stare spenta e io la accendo se serve. E non il contrario, per motivi di sicurezza. 3°) Il mosfet della candeletta deve condurre, non troppo per non far passare troppa corrente, ma non poco per evitare che il mosfet scaldi troppo.
Per il momento ringrazio ancora; questo è quello che ho ottenuto in modo empirico ma non va bene.
Spero che le immagini si vedano bene.

0
voti
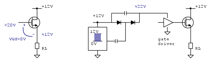
Questo è il circuito simulato (ma la realtà e molto simile) della situazione candeletta accesa.

Spero la foto non sia troppo grande (larga) (altrimenti si può copiare e incollarla in locale su paint e vederla grande)
Se devo mettere un drive x il charge pump tanto vale usare un NE555 almeno pompa da 12 V; solo che di default la candeletta è accesa (e non va bene).
Adesso devo fare lo spegnimento del mosfet e in tal caso dovrei fare per default il mosfet sia spento

Spero la foto non sia troppo grande (larga) (altrimenti si può copiare e incollarla in locale su paint e vederla grande)
Se devo mettere un drive x il charge pump tanto vale usare un NE555 almeno pompa da 12 V; solo che di default la candeletta è accesa (e non va bene).
Adesso devo fare lo spegnimento del mosfet e in tal caso dovrei fare per default il mosfet sia spento
0
voti
La butto la al volo; posso inibire il charge pump tramite BJT (sempre a inseguitore). Per adattarlo ai 12V da PIC , un opto isolatore ? In questo modo di default la candeletta è spenta. Se il PIC si spacca la candeletta si spegne. Non distruttiva.
'à parler'

'à parler'

0
voti
Uno schema così per la gestione candeletta?


8 messaggi
• Pagina 1 di 1
Chi c’è in linea
Visitano il forum: Nessuno e 268 ospiti

Elettrotecnica e non solo (admin)
Un gatto tra gli elettroni (IsidoroKZ)
Esperienza e simulazioni (g.schgor)
Moleskine di un idraulico (RenzoDF)
Il Blog di ElectroYou (webmaster)
Idee microcontrollate (TardoFreak)
PICcoli grandi PICMicro (Paolino)
Il blog elettrico di carloc (carloc)
DirtEYblooog (dirtydeeds)
Di tutto... un po' (jordan20)
AK47 (lillo)
Esperienze elettroniche (marco438)
Telecomunicazioni musicali (clavicordo)
Automazione ed Elettronica (gustavo)
Direttive per la sicurezza (ErnestoCappelletti)
EYnfo dall'Alaska (mir)
Apriamo il quadro! (attilio)
H7-25 (asdf)
Passione Elettrica (massimob)
Elettroni a spasso (guidob)
Bloguerra (guerra)





