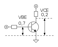
for the BJT to operate in the active mode, the CBJ must be reverse biased. Thus far, we have stated this condition for the npn transistor as vCB ≥ 0. However, we know that a pn junction does not effectively become forward biased until the forward voltage across it exceeds approximately 0.4 V. It follows that one can maintain active-mode operation of an npn transistor for negative vCB down to approximately –0.4 V.
Ciò che non capisco è l'ultima frase. Possiamo lavorare in zona attiva (giunzione base-emettitore polarizzata direttamente e giunzione base-collettore polarizzata inversamente) anche se la tensione applicata tra base e collettore risulta negativa. Ma ciò va in contraddizione con quanto detto sopra ossia che per lavorare in zona attiva, la tensione applicata tra base e collettore deve essere maggiore o uguale a zero. Qualcosa mi sfugge...

Elettrotecnica e non solo (admin)
Un gatto tra gli elettroni (IsidoroKZ)
Esperienza e simulazioni (g.schgor)
Moleskine di un idraulico (RenzoDF)
Il Blog di ElectroYou (webmaster)
Idee microcontrollate (TardoFreak)
PICcoli grandi PICMicro (Paolino)
Il blog elettrico di carloc (carloc)
DirtEYblooog (dirtydeeds)
Di tutto... un po' (jordan20)
AK47 (lillo)
Esperienze elettroniche (marco438)
Telecomunicazioni musicali (clavicordo)
Automazione ed Elettronica (gustavo)
Direttive per la sicurezza (ErnestoCappelletti)
EYnfo dall'Alaska (mir)
Apriamo il quadro! (attilio)
H7-25 (asdf)
Passione Elettrica (massimob)
Elettroni a spasso (guidob)
Bloguerra (guerra)





.

vuol dire che la tensione misurata sul collettore è riferita alla base. È come se prendessi il multimetro per misurare la tensione, puntale nero sulla base, puntale rosso sul collettore.
