Filtro Band Pass per segnale audio
Moderatori:
carloc,
g.schgor,
BrunoValente,
IsidoroKZ
46 messaggi
• Pagina 3 di 5 • 1, 2, 3, 4, 5
0
voti
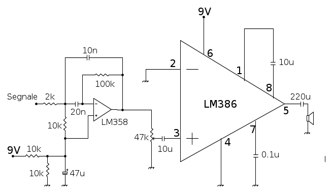
Mi ha detto che devo mettere il filtro con LM358 prima del LM386, e che devo polarizzare per avere la giusta tensione accoppiandoli con un condensatore, mi son perso qualcosa? 
2
voti
sì, direi che ti sei perso qualcosa...
l'LM358 può funzionare sia a tensione di alimentazione singola che duale, ma se lo alimenti a tensione singola devi polarizzare a metà tensione l'ingresso del segnale che vuoi amplificare/filtrare. Se non fai così, la semionda negativa se ne va a spasso e l'audio risultante sarà distortissimo.
l'LM358 può funzionare sia a tensione di alimentazione singola che duale, ma se lo alimenti a tensione singola devi polarizzare a metà tensione l'ingresso del segnale che vuoi amplificare/filtrare. Se non fai così, la semionda negativa se ne va a spasso e l'audio risultante sarà distortissimo.
-

ANDREA2013
887 3 6 - Utente disattivato per decisione dell'amministrazione proprietaria del sito
- Messaggi: 710
- Iscritto il: 16 lug 2013, 21:30
1
voti
A prescindere dal filtro (l'ho preso così come lo hai disegnato, senza fare conti
), puoi polarizzare l'ingresso dell'operazionale così:
3
voti
Meglio così
-

BrunoValente
39,6k 7 11 13 - G.Master EY

- Messaggi: 7796
- Iscritto il: 8 mag 2007, 14:48
1
voti
Effettivamente hai ragione,
BrunoValente, davo per scontato che ci fosse un condensatore di disaccoppiamento sull'uscita del dispositivo a monte di tutto, ma per sicurezza è meglio fare come dici tu. 
Inoltre, mi era proprio sfuggito il condensatore in uscita dal LM358 posto dopo e non prima del potenziometro. Ma forse, a questo punto, converrebbe spostare il potenziometro a monte del filtro.

Inoltre, mi era proprio sfuggito il condensatore in uscita dal LM358 posto dopo e non prima del potenziometro. Ma forse, a questo punto, converrebbe spostare il potenziometro a monte del filtro.
1
voti
MavKtr ha scritto:Ma forse, a questo punto, converrebbe spostare il potenziometro a monte del filtro.
o magari aggiungerlo, così puoi limitare i segnali troppo forti in ingresso e con l'altro, lasciato lì dov'è, ti regoli il volume in uscita
-

ANDREA2013
887 3 6 - Utente disattivato per decisione dell'amministrazione proprietaria del sito
- Messaggi: 710
- Iscritto il: 16 lug 2013, 21:30
0
voti
Ragazzi vi ringrazio per tutto l'aiuto (e chiedo scusa per le disattenzioni e i malintesi che mi hanno portato a vere figuracce!). Purtroppo vi devo dire che il circuito non va. Ho provato e riprovato, anche con diversi valori, la configurazione finale di
BrunoValente, ho ricontrollato minuziosamente ogni collegamento ma è tutto a posto, eppure non funziona.
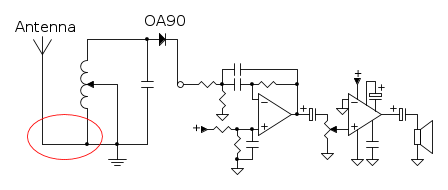
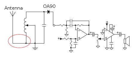
A questo punto credo sia meglio se vi mostro il circuito completo, comprensivo quindi di ciò che è a monte:
Ho provato anche aggiungendo un C da 10uF subito dopo il diodo al germanio, ma il risultato è stato lo stesso.
E' una Crystal Radio in pratica.
Con lo schema che ho presentato all'inizio (viewtopic.php?f=1&t=51048#p488002) andava tutto a meraviglia, si sentiva bene. Ma ora non riesco proprio a trovare una soluzione per il passa banda, ora sento solo un rumore di fondo...
A questo punto credo sia meglio se vi mostro il circuito completo, comprensivo quindi di ciò che è a monte:
Ho provato anche aggiungendo un C da 10uF subito dopo il diodo al germanio, ma il risultato è stato lo stesso.
E' una Crystal Radio in pratica.
Con lo schema che ho presentato all'inizio (viewtopic.php?f=1&t=51048#p488002) andava tutto a meraviglia, si sentiva bene. Ma ora non riesco proprio a trovare una soluzione per il passa banda, ora sento solo un rumore di fondo...
1
voti
ma scusa
Tricka90 perché mai hai aspettato così tanto a mostrarci cosa volevi fare?
è ovvio che non funziona, perché cavolo non ce l'hai detto prima cosa volevi costruire veramente?

è ovvio che non funziona, perché cavolo non ce l'hai detto prima cosa volevi costruire veramente?

-

ANDREA2013
887 3 6 - Utente disattivato per decisione dell'amministrazione proprietaria del sito
- Messaggi: 710
- Iscritto il: 16 lug 2013, 21:30
1
voti
Potrei anche avere preso un abbaglio, ma siamo sicuri che il collegamento cerchiato in rosso:
Sia corretto?
Sia corretto?
0
voti
ANDREA2013 ha scritto:ma scusaTricka90 perché mai hai aspettato così tanto a mostrarci cosa volevi fare?
è ovvio che non funziona, perché cavolo non ce l'hai detto prima cosa volevi costruire veramente?
Vi chiedo scusa, non volevo annoiarvi con tante spiegazioni che magari erano inutili...anche perché all'inizio il filtro lo volevo mettere subito dopo lo stadio ad opamp che già funzionava perfettamente, quindi pensavo fosse superfluo precisare cosa c'era a monte...
simo85 ha scritto:Potrei anche avere preso un abbaglio, ma siamo sicuri che il collegamento cerchiato in rosso:
Sia corretto?
Sisi, è corretto e ti posso confermare che prima di aggiungere il filtro funzionava perfettamente. L'idea l'ho presa da questo video, che mostra lo schema a 0:26
46 messaggi
• Pagina 3 di 5 • 1, 2, 3, 4, 5
Chi c’è in linea
Visitano il forum: Nessuno e 445 ospiti

Elettrotecnica e non solo (admin)
Un gatto tra gli elettroni (IsidoroKZ)
Esperienza e simulazioni (g.schgor)
Moleskine di un idraulico (RenzoDF)
Il Blog di ElectroYou (webmaster)
Idee microcontrollate (TardoFreak)
PICcoli grandi PICMicro (Paolino)
Il blog elettrico di carloc (carloc)
DirtEYblooog (dirtydeeds)
Di tutto... un po' (jordan20)
AK47 (lillo)
Esperienze elettroniche (marco438)
Telecomunicazioni musicali (clavicordo)
Automazione ed Elettronica (gustavo)
Direttive per la sicurezza (ErnestoCappelletti)
EYnfo dall'Alaska (mir)
Apriamo il quadro! (attilio)
H7-25 (asdf)
Passione Elettrica (massimob)
Elettroni a spasso (guidob)
Bloguerra (guerra)






