Cos'è ElectroYou | Login Iscriviti

ElectroYou - la comunità dei professionisti del mondo elettrico

Elevare tensione su Vespa 50 Special

Elettronica lineare e digitale: didattica ed applicazioni

Moderatori: Foto Utentecarloc, Foto Utenteg.schgor, Foto UtenteBrunoValente, Foto UtenteIsidoroKZ

0
voti

[211] Re: Elevare tensione vespa 50 special

Messaggioda Foto Utentemarco438 » 25 mar 2014, 19:42

matto3707 ha scritto:Mi è costato una fortuna e non vorrei fare cazzate!!!

Mah, dalle mie parti un diodo come quello o simile, si compra con meno di due euro. :D
Dovresti cambiare negoziante.
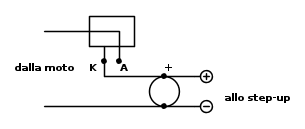
Allora in diodo che hai comprato si dovrebbe presentare cosi':

byw29_pin.jpg
byw29_pin.jpg (13.08 KiB) Osservato 3687 volte


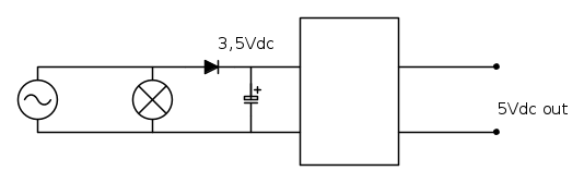
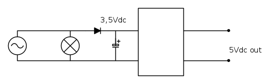
ed il collegamento che devi fare e' questo:


Mi raccomando di rispettare la polarita' del condensatore elettrolitico. :D
marco
Avatar utente
Foto Utentemarco438
37,1k 7 11 13
-EY Legend-
-EY Legend-
 
Messaggi: 16323
Iscritto il: 24 mar 2010, 15:09
Località: Versilia

0
voti

[212] Re: Elevare tensione vespa 50 special

Messaggioda Foto Utentematto3707 » 25 mar 2014, 19:58

Io penso di averlo pagato 5 euro mi sembra esagerato!!! E' lunico negozio cosi fornito!!!

Mi ha consigliato in oltre di usare un MC34063 per fare lo step-up ma non ho idea di come poter fare uscire 14 volt da 2 in ingresso circa!! va ben ora faccio la misura e vi so dire!!
Avatar utente
Foto Utentematto3707
18 1 4
Frequentatore
Frequentatore
 
Messaggi: 178
Iscritto il: 2 mar 2014, 1:15

0
voti

[213] Re: Elevare tensione vespa 50 special

Messaggioda Foto Utentematto3707 » 25 mar 2014, 20:39

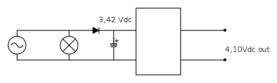
Ecco fatto!!! queste sono le misure molto strane e deludenti da un certo punto di vista dallaltro impressionanti!!

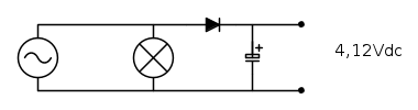
prima misura luci accese, nessun carico dopo il diodo:


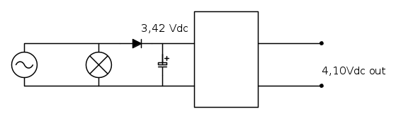
Seconda misura, alimentatore dc-dc collegato, con la sua uscita...



Queste sono le misure che mi avete chiesto se volete ne ho fatte altre.... La lampadina è la solita 20W..

Le altre misure sono: tensione dc luci spente tensione dc luci spente con step-up collegato ma le ho fatte solamente per curiosità!!
Avatar utente
Foto Utentematto3707
18 1 4
Frequentatore
Frequentatore
 
Messaggi: 178
Iscritto il: 2 mar 2014, 1:15

0
voti

[214] Re: Elevare tensione vespa 50 special

Messaggioda Foto Utentemarco438 » 25 mar 2014, 21:15

Non ho capito una cosa; nella seconda immagine, oltre alla lampada che hai messo come carico, anche le luci erano accese?
marco
Avatar utente
Foto Utentemarco438
37,1k 7 11 13
-EY Legend-
-EY Legend-
 
Messaggi: 16323
Iscritto il: 24 mar 2010, 15:09
Località: Versilia

0
voti

[215] Re: Elevare tensione vespa 50 special

Messaggioda Foto Utentematto3707 » 25 mar 2014, 21:31

Okok... la lampada in tutti e due i casi era quella della vespa da 20 w è sempre rimasta accesa.. perche??
Ultima modifica di Foto Utentematto3707 il 25 mar 2014, 21:32, modificato 1 volta in totale.
Avatar utente
Foto Utentematto3707
18 1 4
Frequentatore
Frequentatore
 
Messaggi: 178
Iscritto il: 2 mar 2014, 1:15

0
voti

[216] Re: Elevare tensione vespa 50 special

Messaggioda Foto Utentemarco438 » 25 mar 2014, 21:32

Volevo sapere se, con riferimento al secondo schema, le misura sono fatte con la moto a luci accese.
marco
Avatar utente
Foto Utentemarco438
37,1k 7 11 13
-EY Legend-
-EY Legend-
 
Messaggi: 16323
Iscritto il: 24 mar 2010, 15:09
Località: Versilia

0
voti

[217] Re: Elevare tensione vespa 50 special

Messaggioda Foto Utentematto3707 » 25 mar 2014, 21:33

Ho modificato il messaggio precedente!!
Avatar utente
Foto Utentematto3707
18 1 4
Frequentatore
Frequentatore
 
Messaggi: 178
Iscritto il: 2 mar 2014, 1:15

0
voti

[218] Re: Elevare tensione vespa 50 special

Messaggioda Foto Utentemarco438 » 25 mar 2014, 21:37

Hai a disposizione un altro condensatore elettrolitico? Ho l'impressione che quello che hai messo non funzioni come dovrebbe.
marco
Avatar utente
Foto Utentemarco438
37,1k 7 11 13
-EY Legend-
-EY Legend-
 
Messaggi: 16323
Iscritto il: 24 mar 2010, 15:09
Località: Versilia

0
voti

[219] Re: Elevare tensione vespa 50 special

Messaggioda Foto Utentematto3707 » 25 mar 2014, 21:43

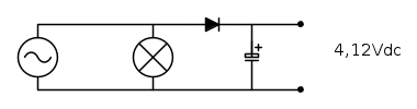
No l'ho comprato oggi in negozio, ne ho più piccoli!! 470 quello piu grande!!! ora controllo ma dubito!!

Ritiro quanto detto qui sopra: ho messo in parallelo 2 condensatori 2200uF 25 V

e questi sono i risultati...


e senza step up:


Il risultato non mi sembra cambiato di molto!! cosa facciamo??
Avatar utente
Foto Utentematto3707
18 1 4
Frequentatore
Frequentatore
 
Messaggi: 178
Iscritto il: 2 mar 2014, 1:15

0
voti

[220] Re: Elevare tensione vespa 50 special

Messaggioda Foto Utentemarco438 » 26 mar 2014, 12:27

Allora Foto Utentematto3707, pare proprio che con questo sistema non si riesca a tirare fuori quanto necessario; mi pare che a questo punto le abbiamo provate tutte come tu avevi richiesto.
D'altra parte gia molti post fa avevo scritto:
marco438 ha scritto:Ora, piu' che altro, serve vedere cosa si riesce a tirare fuori con uno step-up in termini di tensione e corrente e non e' detto che si ottenga un risultato efficace per l'applicazione...

Tuttavia farei un'ultima prova con inserita la lampada da 15W (il codice della strada non impedisce di accendere le "mezze luci"); se in questo modo si riuscisse a tirare fuori quel mezzo volt che manca, forse lo step-up comincerebbe a funzionare.
Poi, visto che l'apparecchio da usare non consuma molto, in fondo si tratterebbe di dare alla batteria una sorta di ricarica di mantenimento.
Credo che questa sia l'ultima cosa da provare prima di abbandonare questo "insano" progetto. :mrgreen:
marco
Avatar utente
Foto Utentemarco438
37,1k 7 11 13
-EY Legend-
-EY Legend-
 
Messaggi: 16323
Iscritto il: 24 mar 2010, 15:09
Località: Versilia

PrecedenteProssimo

Torna a Elettronica generale

Chi c’è in linea

Visitano il forum: Nessuno e 41 ospiti