Cos'è ElectroYou | Login Iscriviti

ElectroYou - la comunità dei professionisti del mondo elettrico

Attiny85 e consumo anomalo batteria

Tipologie, strumenti di sviluppo, hardware e progetti

Moderatore: Foto UtentePaolino

0
voti

[21] Re: Attiny85 e consumo anomalo batteria

Messaggioda Foto Utentemarco438 » 26 mar 2014, 14:27

Sharktear ha scritto:può andar bene? se non interpreto male il datasheet, finché la batteria non scende a 3,57V (sempre solo in teoria) il tutto dovrebbe funzionare.....

Non ho letto tutto il thread, ma da come hai spiegato la cosa, quel regolatore dovrebbe fare quello che dici.
Non ti resta che provare.
marco
Avatar utente
Foto Utentemarco438
37,1k 7 11 13
-EY Legend-
-EY Legend-
 
Messaggi: 16323
Iscritto il: 24 mar 2010, 15:09
Località: Versilia

0
voti

[22] Re: Attiny85 e consumo anomalo batteria

Messaggioda Foto UtenteSharktear » 26 mar 2014, 15:38

purtroppo però mi sembra che venga prodotto solo con package SMD...
Avatar utente
Foto UtenteSharktear
10 3
 
Messaggi: 26
Iscritto il: 30 ott 2012, 12:07

0
voti

[23] Re: Attiny85 e consumo anomalo batteria

Messaggioda Foto UtenteEcoTan » 27 mar 2014, 8:55

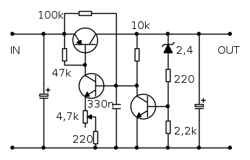
Può interessare uno schema di regolatore di tensione da costruire a componenti discreti? Come caduta di tensione raggiunge valori bassissimi e con poca "quiescent current", per essere più preciso dovrei conoscere la tensione di uscita ed anche la corrente di carico minima e massima, nonchè la massima tensione all'ingresso.
Avatar utente
Foto UtenteEcoTan
7.720 4 12 13
Expert EY
Expert EY
 
Messaggi: 5422
Iscritto il: 29 gen 2014, 8:54

0
voti

[24] Re: Attiny85 e consumo anomalo batteria

Messaggioda Foto UtenteSharktear » 27 mar 2014, 9:59

Ciao e grazie per la risposta.
Dunque... il circuito dovrebbe essere alimentato a batteria... per il momento la miglior candidata che ho trovato è una duracell da 4,5V (che sulla carta ha una capacita di 5400mAh).
Il circuito ha il seguente funzionamento:
- basso consumo < 10 mA (ma non ne conosco il valore esatto) per la maggior parte del tempo
- ogni 5 secondi e per 50 msec il modulo radio si risveglia e se non ricordo male richiede 40mA circa
- una tantum (diciamo 3/4 volte al giorno) oltre a svegliarsi il modulo xbee, viene attivato un relè a basso consumo che richiede circa 30mA. L'attivazione è sfasata di 300msec rispetto a quella del modulo radio per cui non dovrebbe andarsi a sommare la richiesta di corrente. Diciamo però che per star tranquilli il circuito potrebbe assorbire un massimo di 100 mA... Vogliamo tenerci larghi e dire 125mA?
Caratteristica importante per il circuito di alimentazione... non deve smettere di funzionare all'abbassarsi della tensione della batteria se non quando la batteria risulta effettivamente scarica. Il circuito lavora a 3,3V ma tutti i componenti coinvolti tollerano bene tensioni inferiori. Il modulo radio xbee richiede almeno 2,8V, l'attiny85 non ha problemi fino a 1,8V ed il relè è da 3V ma anch'esso con un po' di tolleranza. Possiamo assumere che la tensione potrebbe essere fissata a 3V anziche 3,3.
Non ho idea fino a che tensione possa scendere una batteria da 4,5V (duracell mn1203) ma sarebbe buono se riuscisse ad alimentare tutto fino alla soglia ad esempio di 3,4/3,5V (cioè con un dropout inferiore a 0,5V).
Avatar utente
Foto UtenteSharktear
10 3
 
Messaggi: 26
Iscritto il: 30 ott 2012, 12:07

0
voti

[25] Re: Attiny85 e consumo anomalo batteria

Messaggioda Foto UtenteEcoTan » 27 mar 2014, 11:28

Naturalmente bisogna collaudare il tutto prima di dare fuoco alle polveri..
Il condensatore da 330 nF serve per evitare inneschi, il trimmer da 4,7k puoi tararlo per dare giusto la corrente richiesta in modo che, qualora l'assorbimento fosse anomalo, il circuito vada in blocco a mo' di protezione.
Poi basta togliere il carico per ripristinarlo.
Le resistenze puoi modificarle per aggiustare la tensione in uscita o altro.
La caduta di tensione può arrivare a valori davvero bassi, dell'ordine di un decimo di volt.

Avatar utente
Foto UtenteEcoTan
7.720 4 12 13
Expert EY
Expert EY
 
Messaggi: 5422
Iscritto il: 29 gen 2014, 8:54

0
voti

[26] Re: Attiny85 e consumo anomalo batteria

Messaggioda Foto UtenteCandy » 23 giu 2016, 22:44

EcoTan ha scritto:Naturalmente bisogna collaudare il tutto prima di dare fuoco alle polveri..
Il condensatore da 330 nF serve per evitare inneschi, il trimmer da 4,7k puoi tararlo per dare giusto la corrente richiesta in modo che, qualora l'assorbimento fosse anomalo, il circuito vada in blocco a mo' di protezione.
Poi basta togliere il carico per ripristinarlo.
Le resistenze puoi modificarle per aggiustare la tensione in uscita o altro.
La caduta di tensione può arrivare a valori davvero bassi, dell'ordine di un decimo di volt.



Ho letto il post, osservato lo schema, ma non capisco dove sia il circuito che si occupa di rilevare i corto circuiti. Me lo puoi evidenziare e spiegare, per favore?
Avatar utente
Foto UtenteCandy
32,5k 7 10 13
CRU - Account cancellato su Richiesta utente
 
Messaggi: 10123
Iscritto il: 14 giu 2010, 22:54

0
voti

[27] Re: Attiny85 e consumo anomalo batteria

Messaggioda Foto UtenteEcoTan » 24 giu 2016, 8:37

Cerco di separare meglio due discorsi:
1)- La corrente nel trimmer non può superare la tensione di ingresso Vin divisa per la resistenza dello stesso trimmer (+l'altro resistore cautelativo in serie).
Questa corrente scorre anche nella base del transistor finale PNP, e moltiplicandola per il guadagno in corrente dello stesso transistor otteniamo la corrente massima in uscita. Quindi questo alimentatore è dotato di una limitazione di corrente, che opera ovviamente anche in caso di corto circuito in uscita. Il valore della soglia di limitazione di corrente però non è molto preciso perché dipende dalla tensione di ingresso Vin.
2)- Il gioco delle due resistenze indicate nello schema coi valori 100k e 10k può essere sfruttato in vari modi. Eliminando la seconda resistenza ed abbassando il valore della prima, tutto funziona nel modo più semplice e ciò può bastare.
Se invece eliminiamo (cioè interrompiamo) quella da 100k, il circuito non si avvìa perché il finale parte interdetto quindi la resistenza da 10k non viene alimentata e così rimane indefinitamente. Se in serie alla resistenza da 100k mettiamo un pulsante di ripristino Normalmente Aperto, ed abbiamo cura di premerlo almeno una volta per avviare l'alimentatore, in caso di corto circuito in uscita il circuito torna in blocco fino alla nuova pressione del pulsante.
Infine potremmo "dosare" le due resistenze per ottenere un abbassamento della corrente in caso di corto circuito (foldback).
Faccio notare che non ci sono altre protezioni, se il finale scalda e va in corto rovina il carico.
Avatar utente
Foto UtenteEcoTan
7.720 4 12 13
Expert EY
Expert EY
 
Messaggi: 5422
Iscritto il: 29 gen 2014, 8:54

Precedente

Torna a Realizzazioni, interfacciamento e nozioni generali.

Chi c’è in linea

Visitano il forum: Nessuno e 13 ospiti