Cos'è ElectroYou | Login Iscriviti

ElectroYou - la comunità dei professionisti del mondo elettrico

Da segnale stereo non bilanciato a bilanciato con transistor

hi-fi, luci, suoni, effetti speciali, palcoscenici...

Moderatore: Foto UtenteIsidoroKZ

0
voti

[11] Re: Da segnale stereo non bilanciato a bilanciato con transi

Messaggioda Foto UtentePiercarlo » 3 apr 2014, 23:56

RobyPapa ha scritto:Ok, ho messo il 22 uF e non il 10 uF perché lo ho già qui,
a cosa serve in particolare la modifica che mi hai fatto fare o meglio, come funziona ?
ho visto che sugli operazionali di solito mettono un 100 nF sulle alimentazioni, in questo caso sulla alimentazione non serve nulla ?


La modifica serve semplicemente a filtrare meglio l'alimentazione dell'ingresso sia dai disturbi sull'alimentazione sia dai rientri in ingresso del segnale di uscita che aumenterebbero la distorsione in uscita. Non c'entra comunque niente con i condensatori ceramici che si mettono sulle alimentazioni degli operazionali che servono invece ad evitare che, a causa del loro alto guadagno intrinseco, possano mettersi ad auto-oscillare.

Ciao
Piercarlo
Avatar utente
Foto UtentePiercarlo
24,0k 6 11 13
G.Master EY
G.Master EY
 
Messaggi: 6722
Iscritto il: 30 mar 2010, 19:23
Località: Milano

0
voti

[12] Re: Da segnale stereo non bilanciato a bilanciato con transi

Messaggioda Foto UtenteMavKtr » 4 apr 2014, 0:01

:-k Però, Foto UtenteRobyPapa, se il tuo lettore CD ha delle normali uscite di linea, l'impedenza d'ingresso del "circuito bilanciatore" mi sembra un pochino bassa.

Ma sentiamo cosa dice Foto UtentePiercarlo! :-)
Avatar utente
Foto UtenteMavKtr
855 1 4 6
Expert
Expert
 
Messaggi: 734
Iscritto il: 3 mar 2012, 7:23

0
voti

[13] Re: Da segnale stereo non bilanciato a bilanciato con transi

Messaggioda Foto UtenteRobyPapa » 4 apr 2014, 0:08

Purtroppo il manuale riporta solo queste informazioni :

Sovracampionamento: 8 volte
Frequenza di campionamento: 44.1 kHz
Risposta in frequenza: 20 Hz a 20 kHz
Distorsione armonica: > 0,005%
Rapporto segnale/rumore: > 96 dB
Gamma dinamica: > 94 dB
Livelli d’uscita nominale: 1.9 volt RMS
Alimentatore: AC 120/230V, 60/50 Hz
Dimensioni: cm 31.5x21x9.5
Peso: 2,56 kg
Avatar utente
Foto UtenteRobyPapa
10 3
 
Messaggi: 31
Iscritto il: 20 mar 2014, 20:12

2
voti

[14] Re: Da segnale stereo non bilanciato a bilanciato con transi

Messaggioda Foto UtentePiercarlo » 4 apr 2014, 6:16

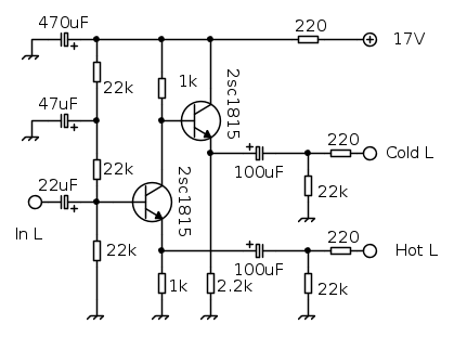
I dati di uscita del lettore sono i soliti di tutti i CD e, anche se l'mpedenza di ingresso dello sfasatore è abbastanza bassa (2300 ohm) di per sé è ancora abbastanza sostenibile. Piuttosto è l'impedenza di uscita che è un po' altina se deve essere usato per lunghe distanze. Per sapere appena leggere e scrivere proverei a fare in questo modo:



In questo modo si è sicuri sia dell'impedennza di ingresso (ora abbastanza ragionevole per quasi tutte le uscite dei lettori salvo alcune porcherie che usano le valvole anche dove non servono a niente) e in uscita (dove l'impedenza di uscita deve essere bassa ma soprattutto iDENTICA su entrambi i lati della linea bilanciata - la soluzione dei due transistor in cui il segnale di uscita viene preso COMUNQUE dall'emettitore non è perfetta ma è già assai migliore della precedente).

Resistenza e condensatore aggiunti sull'alimentazione servono giusto a ripulirla meglio. Una versione stereo di questo circuito dovrebbe assorbire in tutto una ventina di milliampere, tale da consentire, all'occorrenza, di accontentarsi di due batterie da 9 volt in serie tra loro.

Ciao
Piercarlo
Avatar utente
Foto UtentePiercarlo
24,0k 6 11 13
G.Master EY
G.Master EY
 
Messaggi: 6722
Iscritto il: 30 mar 2010, 19:23
Località: Milano

0
voti

[15] Re: Da segnale stereo non bilanciato a bilanciato con transi

Messaggioda Foto UtenteRobyPapa » 4 apr 2014, 9:16

grazie !!

proverò a montare 'in aria' il tutto per fare una prova prima di far fare la basetta del cs, se comunque esiste un transistor più idoneo a questo scopo nulla mi vieta di andarlo a comperare ;-)

=D>

PS
Con i 'discreti' essendo componenti meno 'preparati' credo si impari un pochino di più. :roll:
Avatar utente
Foto UtenteRobyPapa
10 3
 
Messaggi: 31
Iscritto il: 20 mar 2014, 20:12

0
voti

[16] Re: Da segnale stereo non bilanciato a bilanciato con transi

Messaggioda Foto Utentegiorgio25760 » 4 apr 2014, 9:46

Il 2SC1815 è un transistor adatto ad impieghi audio.
Viene usato ampiamente in apparecchiature "orientali".

Se vuoi qualcosa di più "europeo" io di solito utilizzo il BSX26.


Un' ultima cosa....
Visto che hai a disposizione ben 17V, inserirei un filtraggio (pi greco) in serie all'alimentazione di tutto lo sfasatore.
Anche un abbassamento di un paio di volt non avrebbe influenza sul funzionamento del circuito, ma consentirebbe di avere un rumore più basso in uscita oltre ad essere più immune da eventuali disturbi EMI.


Ciao
Giorgio
Avatar utente
Foto Utentegiorgio25760
2.310 1 3 5
G.Master EY
G.Master EY
 
Messaggi: 1700
Iscritto il: 6 dic 2009, 17:02
Località: Brescia

0
voti

[17] Re: Da segnale stereo non bilanciato a bilanciato con transi

Messaggioda Foto UtenteRobyPapa » 4 apr 2014, 10:36

ho letto questo :
http://www.electroyou.it/forum/viewtopic.php?f=2&t=16253
grazie ma per ora sinceramente è troppo complicato calcolarlo per me :oops:

Ho trovato i BSX 26 su Zetabishop, se non ti dispiace potresti dirmi quale è il suo complementare che di solito compero tutti e due ?

ti ringrazio. :ok:
Avatar utente
Foto UtenteRobyPapa
10 3
 
Messaggi: 31
Iscritto il: 20 mar 2014, 20:12

0
voti

[18] Re: Da segnale stereo non bilanciato a bilanciato con transi

Messaggioda Foto Utentegiorgio25760 » 4 apr 2014, 12:14

Come PNP puoi usare il BSX29.


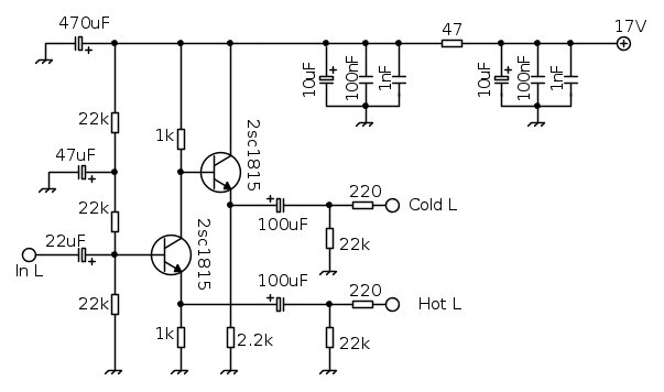
Per il pi greco fai così:

metti una resistenza da 47ohm in serie e poi gli metti una terna di condensatori verso massa :
- uno da 10uF
- uno da 100nF
- uno da 1000pF

Un gruppetto prima ed uno dopo la resistenza.

Poi verifica la tensione, se troppo bassa porta a 22 ohm la resistenza.


Ciao
Giorgio
Avatar utente
Foto Utentegiorgio25760
2.310 1 3 5
G.Master EY
G.Master EY
 
Messaggi: 1700
Iscritto il: 6 dic 2009, 17:02
Località: Brescia

0
voti

[19] Re: Da segnale stereo non bilanciato a bilanciato con transi

Messaggioda Foto UtenteRobyPapa » 4 apr 2014, 12:37

Grazie Giorgio, modifico lo schema di Piercarlo ed aggiungo la tua modifica, spero di aver capito bene.

Esiste un testo ''facile da digerire'' dove spiega questo tipo di filtro ?

Avatar utente
Foto UtenteRobyPapa
10 3
 
Messaggi: 31
Iscritto il: 20 mar 2014, 20:12

0
voti

[20] Re: Da segnale stereo non bilanciato a bilanciato con transi

Messaggioda Foto UtenteRobyPapa » 4 apr 2014, 19:40

Nel fine settimana mi ci dedico, una volta assemblato casomai aggiorno lo schema se dovesse servire.

grazie ancora :D
Avatar utente
Foto UtenteRobyPapa
10 3
 
Messaggi: 31
Iscritto il: 20 mar 2014, 20:12

PrecedenteProssimo

Torna a Elettronica e spettacolo

Chi c’è in linea

Visitano il forum: Nessuno e 14 ospiti