Cos'è ElectroYou | Login Iscriviti

ElectroYou - la comunità dei professionisti del mondo elettrico

Raddrizzatore a singola semionda

Elettronica lineare e digitale: didattica ed applicazioni

Moderatori: Foto Utentecarloc, Foto Utenteg.schgor, Foto UtenteBrunoValente, Foto UtenteIsidoroKZ

2
voti

[11] Re: Raddrizzatore a singola semionda

Messaggioda Foto Utentesedetiam » 5 apr 2014, 22:41

andres90 ha scritto:... ho setacciato tutte le fonti possibili, ma l'unica espressione che ho trovato sul calcolo del valor medio della tensione di uscita (che è, peraltro, nell'unico esempio visto a lezione) è :

v_O_(medio) = \frac{1}{\pi }V_s - \frac{V_D_0}{2}

che non mi porta al risultato atteso ( vO = 1,994 V). Qualcuno sa darmi una dritta?


Ciao,
più che setacciare tutte le fonti possibili, partirei dalla definizione di valore medio di una funzione periodica e me lo calcolerei a manina, che è quello che vuole il prof., e vedrai che alla fine il valore conincide con quello calcolato dal buon Foto Utenteg.schgor :

v_{m}=\frac{1}{T}\int_{t}^{t+T}f(t)dt

Partendo dall'istante t=0 analizzerei l'uscita V0 in funzione del tempo e traccerei un grafico di V0 e Vs nel tempo:



Qundi, dalla definizione, il valore medio non è altro che l'area del triangolo rosso, diviso per il periodo T.
Lascio a te i calcoli :mrgreen:

Il risultato è proprio:

v_{m}=2,143

O_/
"dai diamanti non nasce niente, dal letame nascono i fior" - Fabrizio De Andrè
Avatar utente
Foto Utentesedetiam
2.135 1 4 9
Master
Master
 
Messaggi: 511
Iscritto il: 11 gen 2013, 12:04

0
voti

[12] Re: Raddrizzatore a singola semionda

Messaggioda Foto Utenteandres90 » 6 apr 2014, 0:00

sedetiam ha scritto:Ciao,
più che setacciare tutte le fonti possibili, partirei dalla definizione di valore medio di una funzione periodica


hai ragione, ed è una delle strade che avevo percorso :D (in effetti, quel "setacciare" è brutto da leggersi ma non arrivando ad una conclusione, ho pensato che ci fosse qualche formula o qualcosa che mi sfuggisse, così ho cercato in Rete diversi appunti sui raddrizzatori a semionda).
tornando al problema, quando ho seguito la strada che mi hai suggerito mi son bloccato sul fatto che non mi venga assegnato né T né la frequenza della tensione di ingresso: di conseguenza, in corrispondenza di quali valori di t ho la base del triangolo in rosso?
Avatar utente
Foto Utenteandres90
124 3 7
Frequentatore
Frequentatore
 
Messaggi: 217
Iscritto il: 14 set 2013, 13:14

4
voti

[13] Re: Raddrizzatore a singola semionda

Messaggioda Foto Utentesedetiam » 6 apr 2014, 8:58

considera un T generico e fai i calcoli in funzione di esso:



t1 rappresenta l'stante in cui il diodo entra in conduzione e ciò avviene quando Vs=0,65 V

Esprimiamo quindi Vs(t) per t che va da 0 a T/4 e lo imponiamo uguale a 0,65 :

V_{S}(t)=10\cdot \frac{4}{T}\cdot t=\frac{40}{T}t\;\;\;con \;\;0\leq t\leq \frac{T}{4}

\frac{40}{T}t=0,65\;\;\;\Rightarrow \;\;\;t_{1}=0,01625\,T

ora, data la simmetria dell'onda triangolare, avremo che la base del triangolo è data da:

t_{2}-t_{1}=\frac{T}{2}-2t_{1}=0,4675\;T

...l'altezza del triangolo la lascio calcolare a te ;-)

alla fine vedrai che il valore medio è indipendente dal periodo T considerato.
"dai diamanti non nasce niente, dal letame nascono i fior" - Fabrizio De Andrè
Avatar utente
Foto Utentesedetiam
2.135 1 4 9
Master
Master
 
Messaggi: 511
Iscritto il: 11 gen 2013, 12:04

0
voti

[14] Re: Raddrizzatore a singola semionda

Messaggioda Foto Utenteandres90 » 6 apr 2014, 11:13

Foto Utentesedetiam, GRAZIE! :ok: finalmente ne sono venuto a capo. approfitto, se non abuso della tua pazienza, per chiederti un paio di cose:

- visto che il problema poteva essere risolto esclusivamente per via grafica, a che servono i dati su rD e VD0? :shock:

- hai avuto modo di leggere il quesito che ho posto in [5]?
Avatar utente
Foto Utenteandres90
124 3 7
Frequentatore
Frequentatore
 
Messaggi: 217
Iscritto il: 14 set 2013, 13:14

0
voti

[15] Re: Raddrizzatore a singola semionda

Messaggioda Foto Utentesedetiam » 6 apr 2014, 11:28

andres90 ha scritto:... visto che il problema poteva essere risolto esclusivamente per via grafica, a che servono i dati su rD e VD0? :shock:

- hai avuto modo di leggere il quesito che ho posto in [5]?


innanzitutto il problema poteva tranquillamente essere risolto per via analitica calcolando l'integrale con i soliti metodi dell'Analisi, ovviamente dopo aver espresso analiticamente la funzione Vs e di conseguenza la V0, e comunque per calcolare l'altezza del triangolo ti servivano eccome quei valori.
Per quanto riguarda l'altro quesito, non ho avuto modo di leggerlo e ora non posso proprio.. (devo consegnare una torta di matrimonio piuttosto imponente :D )
"dai diamanti non nasce niente, dal letame nascono i fior" - Fabrizio De Andrè
Avatar utente
Foto Utentesedetiam
2.135 1 4 9
Master
Master
 
Messaggi: 511
Iscritto il: 11 gen 2013, 12:04

0
voti

[16] Re: Raddrizzatore a singola semionda

Messaggioda Foto Utenteandres90 » 6 apr 2014, 11:37

sedetiam ha scritto:e comunque per calcolare l'altezza del triangolo ti servivano eccome quei valori.


sai cosa? io ho seguito una strada più semplice ed ho fatto la similitudine tra i triangoli ABO e CBO



ps per l'altro quesito, tranquillo. precedenza agli sposini :lol:
Avatar utente
Foto Utenteandres90
124 3 7
Frequentatore
Frequentatore
 
Messaggi: 217
Iscritto il: 14 set 2013, 13:14

1
voti

[17] Re: Raddrizzatore a singola semionda

Messaggioda Foto Utentesedetiam » 6 apr 2014, 15:04

eh, la sfortuna è che non sono simili :(
avevo disegnato la linea rossa volutamente più inclinata per evidenziare questo fatto, ma evidentemente l'ho inclinata troppo poco :-)

riprendendo il tuo schema iniziale, con il modello del diodo in conduzione:



abbiamo che:

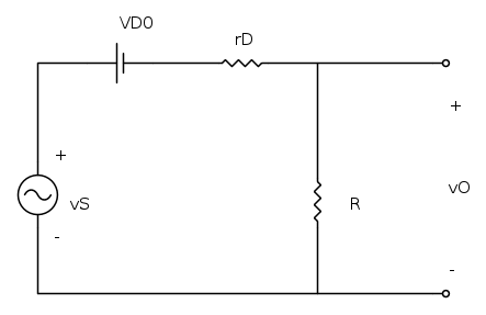
V_{0}(t)=(V_{S}(t)-V_{D})\frac{R}{R+r_{D}}

per determinare l'altezza, calcoliamo il valore di V0 in T/4:

V_{0}\left ( \frac{T}{4} \right )=(10-0.65)\frac{1000}{1020}=9,1666

l'area del triangolo è quindi:

\frac{1}{2}\cdot 9,1666\cdot 0,4675\;T=2,1426\;T

ed il valore medio:

V_{0m}=\frac{1}{T}\cdot 2,1426\;T=2,143\,\,V
"dai diamanti non nasce niente, dal letame nascono i fior" - Fabrizio De Andrè
Avatar utente
Foto Utentesedetiam
2.135 1 4 9
Master
Master
 
Messaggi: 511
Iscritto il: 11 gen 2013, 12:04

0
voti

[18] Re: Raddrizzatore a singola semionda

Messaggioda Foto Utenteandres90 » 7 apr 2014, 17:20

sedetiam ha scritto:eh, la sfortuna è che non sono simili :(


grazie per avermelo sottolineato, sul quaderno li avevo disegnati in modo che lo fossero (ma a quanto pare, non è per niente scontato :-) ).
approfitto per chiedere lumi su un altro esercizio, mi ritrovo con una soluzione diversa da quella indicata. ho il seguente circuito limitatore, sapendo che il diodo inizia a condurre per una tensione di 0.5 V e mostrano una caduta di tensione da 0.7 V in piena conduzione.



ora distinguo i tre casi:

- vi < -3 V --> diodo interdetto --> vo = vi;
- vi = -3 V --> il diodo inizia a condurre --> vo -0.5 -3 = 0 --> vo = 3.5 V;
- vi > -3 V --> il diodo è in piena conduzione --> vo -0.7 -3 = 0 --> vo = 3.7 V

è corretto?
Avatar utente
Foto Utenteandres90
124 3 7
Frequentatore
Frequentatore
 
Messaggi: 217
Iscritto il: 14 set 2013, 13:14

0
voti

[19] Re: Raddrizzatore a singola semionda

Messaggioda Foto Utenteg.schgor » 7 apr 2014, 17:58

No. La caratteristica del diodo non va a scatti.
Suggerirei di calcolare la resistenza "differenziale"
(\frac{\Delta V}{Imax}, cioè 0.2V/imax A)
e in base a quella calcolare la cdt sul diodo.
Avatar utente
Foto Utenteg.schgor
57,8k 9 12 13
G.Master EY
G.Master EY
 
Messaggi: 16971
Iscritto il: 25 ott 2005, 9:58
Località: MILANO

0
voti

[20] Re: Raddrizzatore a singola semionda

Messaggioda Foto Utenteandres90 » 7 apr 2014, 18:20

con
\[I_{max}=I_1e^{\frac{\Delta v}{nV_T}}\] ?
Avatar utente
Foto Utenteandres90
124 3 7
Frequentatore
Frequentatore
 
Messaggi: 217
Iscritto il: 14 set 2013, 13:14

PrecedenteProssimo

Torna a Elettronica generale

Chi c’è in linea

Visitano il forum: Google Adsense [Bot] e 198 ospiti