Salve a tutti, volevo realizzare un circuito pilotaggio LED a corrente costante e ho pensato di implementare un AMC7135. Volendolo alimentare il circuito a 12Vdc, ho pensato di realizzare questo:
Alimentare cioé due led con due integrati diversi che, connessi in serie possano essere entrambi alimentati a 12Vdc. La mia domanda é: come realizzare un circuito di protezione per il sistema? Ovvero, se la tensione di alimentazione avesse dei picchi (come é il caso dell´auto), potrei implementare una configurazione con Zener, come per esempio potrebbe essere questo?:
Ho ordinato gli AMC su internet, dovrei riceverli a giorni. Nel frattempo volevo ricevere un feedback, riguardo appunto il fatto di poter proteggere il circuito. Magari é una soluzione troppo macchinosa? basterebbe aggiungere un semplice fusibile?
Grazie in anticipo per il supporto.
Svato
Integrato AMC7135
Moderatori:
carloc,
g.schgor,
BrunoValente,
IsidoroKZ
25 messaggi
• Pagina 1 di 3 • 1, 2, 3
0
voti

"Non farei mai parte di un club che accettasse la mia iscrizione" (G. Marx)
-

claudiocedrone
21,3k 4 7 9 - Master EY

- Messaggi: 15299
- Iscritto il: 18 gen 2012, 13:36
0
voti
Ciao Claudio.
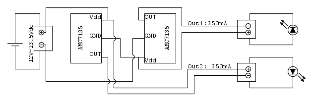
Serie degli integrati parlavo dell´ingresso, non uscita. In uscita, non ho fatto alcun serie/parallelo, ma semplicemente utilizzato le uscite per alimentare due led separatamente. Ok, forse non ha senso (?)
Ho visto fare questa cosa in questo sito:
link cancellato
Serie che intendevo io:
Da sinistra a destra, ho collegato Vdd/GND del primo con Vdd/GND del secondo. In poche parole, il polo positivo della batteria vá su Vdd del primo, chiude su GND del primo e ho collegato GND del primo con Vdd del secondo. Dal secondo ho poi collegato la GND col polo negativo della batteria. Quindi sono in serie, giusto? Se li mettessi in parallelo insieme sulla 12Vdc penso che li romperei? (dal datasheet la tensione di alimentazione vá da 2,7Vdc a 6Vdc)
Ho voluto dunque fare una cosa del genere per alimentarli dalla tensione a 12Vdc. (correggimi se sbaglio).
Se li mettessi in parallelo sull´uscita, a pilotare i LED avrei la somma delle correnti (cosa che non voglio, per aumentare la durata i vita del/dei LED).
Riguardo allo Zener, hai ragione. Avendo peró acquistato 3 diversi Zener da 4,3V ho dovuto purtroppo fare cosí
Anche sul fatto che la tensione scenda sotto i 12Vdc hai ragione. Potrei mettere dunque da 4,3V ed uno da 2,7? (somma tensione totale di zener = 11,3Vdc..ho comperato 4 da 4,3V e ben 10 da 2,6V) Che consiglieresti a riguardo? era proprio questo il fulcro della mia domanda: come stabilizzo il tutto ed evito che si rompa?
Quella resistenza da 1 ohm, l´ho calcolatao considerando i casi limiti degli zener, se lavorasse a tensione minima e massima (con rispettive correnti correnti massime e minime), impostando una resistenza che possa almeno trovarsi all´interno dei limiti e massimi. Ho poi considerato una potenza dissipante t.c. sia comprensiva "anche" della corrente che vi scorre attraverso e fluisce verso i LED (2x0,35=0,7A => P=0,5Watt) nel limite.
ha senso realizzare un circuito di protezione a questo punto? come si fá? procedo bene nei ragionamenti?
grazie ancora.
Svato
Serie degli integrati parlavo dell´ingresso, non uscita. In uscita, non ho fatto alcun serie/parallelo, ma semplicemente utilizzato le uscite per alimentare due led separatamente. Ok, forse non ha senso (?)
Ho visto fare questa cosa in questo sito:
link cancellato
Serie che intendevo io:
Da sinistra a destra, ho collegato Vdd/GND del primo con Vdd/GND del secondo. In poche parole, il polo positivo della batteria vá su Vdd del primo, chiude su GND del primo e ho collegato GND del primo con Vdd del secondo. Dal secondo ho poi collegato la GND col polo negativo della batteria. Quindi sono in serie, giusto? Se li mettessi in parallelo insieme sulla 12Vdc penso che li romperei? (dal datasheet la tensione di alimentazione vá da 2,7Vdc a 6Vdc)
Ho voluto dunque fare una cosa del genere per alimentarli dalla tensione a 12Vdc. (correggimi se sbaglio).
Se li mettessi in parallelo sull´uscita, a pilotare i LED avrei la somma delle correnti (cosa che non voglio, per aumentare la durata i vita del/dei LED).
Riguardo allo Zener, hai ragione. Avendo peró acquistato 3 diversi Zener da 4,3V ho dovuto purtroppo fare cosí
Anche sul fatto che la tensione scenda sotto i 12Vdc hai ragione. Potrei mettere dunque da 4,3V ed uno da 2,7? (somma tensione totale di zener = 11,3Vdc..ho comperato 4 da 4,3V e ben 10 da 2,6V) Che consiglieresti a riguardo? era proprio questo il fulcro della mia domanda: come stabilizzo il tutto ed evito che si rompa?
Quella resistenza da 1 ohm, l´ho calcolatao considerando i casi limiti degli zener, se lavorasse a tensione minima e massima (con rispettive correnti correnti massime e minime), impostando una resistenza che possa almeno trovarsi all´interno dei limiti e massimi. Ho poi considerato una potenza dissipante t.c. sia comprensiva "anche" della corrente che vi scorre attraverso e fluisce verso i LED (2x0,35=0,7A => P=0,5Watt) nel limite.
ha senso realizzare un circuito di protezione a questo punto? come si fá? procedo bene nei ragionamenti?
grazie ancora.
Svato
-

svato197979
13 1 5 - New entry

- Messaggi: 85
- Iscritto il: 22 feb 2013, 12:45
0
voti
Oltre quello che giustamente ha rimarcato
claudiocedrone e' mia impressione che una configurazione in serie (per dividere equamente la tensione di alimentazione fra due) non sia possibile; tutt'al piu' si puo' fare una configurazione in parallelo per aumentare la corrente erogata.
Resta il fatto che la massima tensione di alimentazione di quell'integrato e' di 7V e quindi non sembra adatto all'applicazione di cui si tratta.
Se i led (di cui non hai fornito le caratteristiche) necessitano di 350mA, puoi ricorrere ad un LM317, configurato come generatore di corrente costante, che non dovrebbe risentire di eventuali sbalzi di tensione all'ingresso; comunque per una maggiore precisione nella risposta, e' necessario conoscere le caratteristiche del led.
P.S. Ho cancellato il link visto che, oltre che non funzionante, e' stato caricato con server esterno, il cui uso e' vietato.
Resta il fatto che la massima tensione di alimentazione di quell'integrato e' di 7V e quindi non sembra adatto all'applicazione di cui si tratta.
Se i led (di cui non hai fornito le caratteristiche) necessitano di 350mA, puoi ricorrere ad un LM317, configurato come generatore di corrente costante, che non dovrebbe risentire di eventuali sbalzi di tensione all'ingresso; comunque per una maggiore precisione nella risposta, e' necessario conoscere le caratteristiche del led.
P.S. Ho cancellato il link visto che, oltre che non funzionante, e' stato caricato con server esterno, il cui uso e' vietato.
marco
0
voti
marco438 ha scritto:Oltre quello che giustamente ha rimarcatoclaudiocedrone e' mia impressione che una configurazione in serie (per dividere equamente la tensione di alimentazione fra due) non sia possibile; tutt'al piu' si puo' fare una configurazione in parallelo per aumentare la corrente erogata.
Ok in effetti sarei d´accordo. Suppongo dunque che quello mostrato qua, non sia veritiero?:
link cancellato
(Immagine sotto: ne ha collegati ben 3 fino a 18Vdc)
marco438 ha scritto: Resta il fatto che la massima tensione di alimentazione di quell'integrato e' di 7V e quindi non sembra adatto all'applicazione di cui si tratta.
Si brucerebbero quindi se li mettessi a 12Vdc.
marco438 ha scritto: Se i LED (di cui non hai fornito le caratteristiche) necessitano di 350mA, puoi ricorrere ad un LM317, configurato come generatore di corrente costante, che non dovrebbe risentire di eventuali sbalzi di tensione all'ingresso; comunque per una maggiore precisione nella risposta, e' necessario conoscere le caratteristiche del LED.
Si lo conosco l´LM317T. Come regolatore di corrente, tra ADJ ed OUT ci vá una bella resistenza..Penso che faró cosí, é piú facile, anche se il rendimento non é dei migliori.
-

svato197979
13 1 5 - New entry

- Messaggi: 85
- Iscritto il: 22 feb 2013, 12:45
0
voti
Ho gia cancellato il primo link spiegandoti il perche', ma vedo che insisti.
Comunque se vuoi provare, non hai che da farlo; io ho letto il datasheet dell'integrato e non si parla di simile collegamento.
Svato ha scritto:
"Penso che faró cosí, é piú facile, anche se il rendimento non é dei migliori."
E questo chi lo ha detto?
Resta il fatto che ancora una volta non hai specificato le caratteristiche del led; quindi la precedente risposta potrebbe essere sbagliata.
Comunque se vuoi provare, non hai che da farlo; io ho letto il datasheet dell'integrato e non si parla di simile collegamento.
Svato ha scritto:
"Penso che faró cosí, é piú facile, anche se il rendimento non é dei migliori."
E questo chi lo ha detto?
Resta il fatto che ancora una volta non hai specificato le caratteristiche del led; quindi la precedente risposta potrebbe essere sbagliata.
marco
0
voti
Un ottimo integrato per pilotare led con correnti di 350mA (il che mi fa pensare siano led da 1W) senza troppa circuiteria esterna e' il TPS92551 della TI.
Necessita solamente di due condensatori, l'ingresso spazia da 4.5 V a 60 V in continua e puoi pilotare fino a 16 led in serie a seconda però della tensione all'ingresso, quest'ultima infatti deve per forza essere superiore a quella d'uscita(dove per tensione d'uscita si intende la caduta di tensione sulla serie di led). Il rendimento con 12 V in ingresso e 2 led in serie e' dell' 85% ed inoltre puoi anche regolarne l'intensità luminosa tramite PWM.
ecco il datasheet : http://www.ti.com/lit/ds/symlink/tps92551.pdf
chiedi se hai problemi a capirci qualcosa!
Ciao
Necessita solamente di due condensatori, l'ingresso spazia da 4.5 V a 60 V in continua e puoi pilotare fino a 16 led in serie a seconda però della tensione all'ingresso, quest'ultima infatti deve per forza essere superiore a quella d'uscita(dove per tensione d'uscita si intende la caduta di tensione sulla serie di led). Il rendimento con 12 V in ingresso e 2 led in serie e' dell' 85% ed inoltre puoi anche regolarne l'intensità luminosa tramite PWM.
ecco il datasheet : http://www.ti.com/lit/ds/symlink/tps92551.pdf
chiedi se hai problemi a capirci qualcosa!
Ciao
0
voti
geppou ha scritto:chiedi se hai problemi a capirci qualcosa!
Ciao
Grazie mille geppou!! Di primo acchito sembra veramente un bell´integrato. Vedo che il datasheet é veramente copioso (25 pagine)
Dovrei vedere dove acquistarlo e quanto costa :)
-

svato197979
13 1 5 - New entry

- Messaggi: 85
- Iscritto il: 22 feb 2013, 12:45
0
voti
svato197979 ha scritto:Dovrei vedere dove acquistarlo e quanto costa :)
Volendo puoi chiederlo anche come sample dal sito della texas instruments.
Se no da siti come digikey, dove potresti anche ordinare i condensatori necessari,solo che li conviene magari fare un ordine sostanzioso perché anche con pochi euro di prodotti ti vengono spese di spedizione non irrilevanti.
Vedi un po te insomma.
Ciao

0
voti
L´unico inconveniente di questo integrato é che costa uno sproposito.. bellissimo per caritá, ma costa veramente.
vedró se riesco a reperirlo, perché mi lascio facilmente incuriosire :)
Per adesso attendo gli integrati AMC e vedo come si comportano ecc.
grazie veramente per i consigli.

vedró se riesco a reperirlo, perché mi lascio facilmente incuriosire :)
Per adesso attendo gli integrati AMC e vedo come si comportano ecc.
grazie veramente per i consigli.

-

svato197979
13 1 5 - New entry

- Messaggi: 85
- Iscritto il: 22 feb 2013, 12:45
25 messaggi
• Pagina 1 di 3 • 1, 2, 3
Chi c’è in linea
Visitano il forum: Nessuno e 62 ospiti

Elettrotecnica e non solo (admin)
Un gatto tra gli elettroni (IsidoroKZ)
Esperienza e simulazioni (g.schgor)
Moleskine di un idraulico (RenzoDF)
Il Blog di ElectroYou (webmaster)
Idee microcontrollate (TardoFreak)
PICcoli grandi PICMicro (Paolino)
Il blog elettrico di carloc (carloc)
DirtEYblooog (dirtydeeds)
Di tutto... un po' (jordan20)
AK47 (lillo)
Esperienze elettroniche (marco438)
Telecomunicazioni musicali (clavicordo)
Automazione ed Elettronica (gustavo)
Direttive per la sicurezza (ErnestoCappelletti)
EYnfo dall'Alaska (mir)
Apriamo il quadro! (attilio)
H7-25 (asdf)
Passione Elettrica (massimob)
Elettroni a spasso (guidob)
Bloguerra (guerra)



