Il pigreco è un semplice passa basso.
Il problema sta nelle alimentazioni, ci può essere di tutto.
Invece di filtrare il semplice ripple (funzione espletata dall'elettrolitico). l'aggiunta di un condensatore da 100nF elimina eventuali spike che possono essere provocati dall'apertura/chiusura di interruttori oppure altri dispositivi che si alimentano con la tua stessa alimentazione.
L'elettrolitico non è un condensatore così "veloce" da riuscire a catturare questo tipo di disturbo.
Il condensatore da 1000pF invece agisce su eventuali segnali RF che possono venire pescati sulla linea e poi rettificati da un qualunque elemento non lineare (diodo o BJT)
Insomma ti evita di fare si che il tuo circuito audio diventi una perfetta radio AM.
Ciao
Giorgio
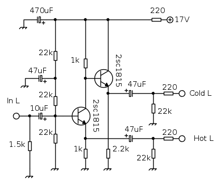
Da segnale stereo non bilanciato a bilanciato con transistor
Moderatore:
IsidoroKZ
50 messaggi
• Pagina 3 di 5 • 1, 2, 3, 4, 5
0
voti
Ho riesumato il vecchio oscilloscopio Philips da 20 MHz di mio padre e ho messo insieme il circuito, inizialmente ho seguito in originale lo schema dettato da Piercarlo e funziona abbastanza bene, ho usato un segnale generato dalla mia scheda audio (1 kHz 1V rms).
Ho un problema,
come attacco il multimetro su hot e cold per misurare quanti volt sono presenti, all'oscilloscopio si comincia a muovere tutta la forma d'onda, come levo i puntali del multimetro ritorna tutto a posto.
?
Ho aggiunto la resistenza in entrata da 1.5k altrimenti è instabile.
Ho portato a 10 uF il condensatore in entrata.
Ho portato da 100uF a 47uF i condensatori di uscita perche da 100uF non li ho sottomano.
Ho un problema,
come attacco il multimetro su hot e cold per misurare quanti volt sono presenti, all'oscilloscopio si comincia a muovere tutta la forma d'onda, come levo i puntali del multimetro ritorna tutto a posto.
?
Ho aggiunto la resistenza in entrata da 1.5k altrimenti è instabile.
Ho portato a 10 uF il condensatore in entrata.
Ho portato da 100uF a 47uF i condensatori di uscita perche da 100uF non li ho sottomano.
1
voti
RobyPapa ha scritto:Ho aggiunto la resistenza in entrata da 1.5k altrimenti è instabile
L'impedenza di ingresso è abbastanza alta, quindi potrebbe pescare qualcosa.
I test di rumore su apparecchiature audio vengono eseguiti con ingresso in corto verso massa.
In situazioni "normali" dovresti avere una bassa impedenza di uscita (ad esempio un op-amp) e quindi la resistenza da 15k potrebbe essere inutile.
RobyPapa ha scritto:come attacco il multimetro su hot e cold per misurare quanti volt sono presenti
Non dovrebbe esservi alcuna tensione in quanto i condensatori di uscita bloccano la continua !
RobyPapa ha scritto:all'oscilloscopio si comincia a muovere tutta la forma d'onda, come levo i puntali del multimetro ritorna tutto a posto
Hai provato se il multimetro non inietta "qualcosa nel circuito (anche se mi sembra strano).
Prova a collegare i puntali del multimetro nell'oscilloscopio (senza lo sfasatore
Verifica che cosa succede.
Ciao
Giorgio
-

giorgio25760
2.310 1 3 5 - G.Master EY

- Messaggi: 1700
- Iscritto il: 6 dic 2009, 17:02
- Località: Brescia
0
voti
RobyPapa ha scritto: Ho un problema: come attacco il multimetro su hot e cold per misurare quanti volt sono presenti, all'oscilloscopio si comincia a muovere tutta la forma d'onda, come levo i puntali del multimetro ritorna tutto a posto.
Cosa intendi per "si muove tutta la forma d'onda"? Si muove e basta o è anche distorta? Il multimetro è digitale o ha la stessa età dell'oscilloscopio?
Ciao
Piercarlo
0
voti

"Non farei mai parte di un club che accettasse la mia iscrizione" (G. Marx)
-

claudiocedrone
21,3k 4 7 9 - Master EY

- Messaggi: 15302
- Iscritto il: 18 gen 2012, 13:36
0
voti
Da profano e anche meno , potrebbe essere questione di 'carico' ?
La resistenza è da 1k5 , non è da 15k, farò come dici tu una prova con il lettore CD.
Ho l'uscita della scheda audio del PC , misurata segna 775 mVrms, quindi volevo vedere quanti volt rms erano presenti all' uscita dello sfasatore, misurando la tensione tra hot e cold.
Fatto, mi da una linea piatta, ma non riesco a centrare il trigger.
La forma è quella classica di un onda da 1 kHz a 775 mVrms ed è perfetta, come attacco il multimetro (un Fluke digitale comperato usato da un negoziante un anno fa) sembra come saltare sulle reti elastiche da spiaggia e mi segna 165 mVrms (credo che il multimetro funzioni bene, altrimenti sulla scheda audio del PC e in altre occasioni mi avrebbe dato gli stessi problemi)
I condensatori sono stati comperati 1 mese fa su Mouser, la misura era per verificare 775 mVrms sia in entrata che in uscita che all'oscilloscopio (una vera baracca) non si possono vedere se sono esattamente 775 mVrms.
giorgio25760 ha scritto:la resistenza da 15k potrebbe essere inutile.
Non dovrebbe esservi alcuna tensione in quanto i condensatori di uscita bloccano la continua !
Prova a collegare i puntali del multimetro nell'oscilloscopio (senza lo sfasatore)
La resistenza è da 1k5 , non è da 15k, farò come dici tu una prova con il lettore CD.
Ho l'uscita della scheda audio del PC , misurata segna 775 mVrms, quindi volevo vedere quanti volt rms erano presenti all' uscita dello sfasatore, misurando la tensione tra hot e cold.
Fatto, mi da una linea piatta, ma non riesco a centrare il trigger.
Piercarlo ha scritto:Cosa intendi per "si muove tutta la forma d'onda"?
La forma è quella classica di un onda da 1 kHz a 775 mVrms ed è perfetta, come attacco il multimetro (un Fluke digitale comperato usato da un negoziante un anno fa) sembra come saltare sulle reti elastiche da spiaggia e mi segna 165 mVrms (credo che il multimetro funzioni bene, altrimenti sulla scheda audio del PC e in altre occasioni mi avrebbe dato gli stessi problemi)
claudiocedrone ha scritto::-) E poi quale sarebbe lo scopo di tale misura ?
I condensatori sono stati comperati 1 mese fa su Mouser, la misura era per verificare 775 mVrms sia in entrata che in uscita che all'oscilloscopio (una vera baracca) non si possono vedere se sono esattamente 775 mVrms.
0
voti
Se invece non ho capito neanche questa volta chiedo venia.

"Non farei mai parte di un club che accettasse la mia iscrizione" (G. Marx)
-

claudiocedrone
21,3k 4 7 9 - Master EY

- Messaggi: 15302
- Iscritto il: 18 gen 2012, 13:36
0
voti
claudiocedrone ha scritto: col multimetro senza collegarci contemporaneamente l'oscilloscopio, come presumo avrai fatto con la sorgente.
Se invece non ho capito neanche questa volta chiedo venia.
non ci ho pensato
ma però ho provato con un vecchio ma non troppo circuito a 5532 collegato assieme oscilloscopio e multimetro e va tutto senza inghippi, con i transistor probabilmente non si può fare ?
0
voti

"Non farei mai parte di un club che accettasse la mia iscrizione" (G. Marx)
-

claudiocedrone
21,3k 4 7 9 - Master EY

- Messaggi: 15302
- Iscritto il: 18 gen 2012, 13:36
0
voti
RobyPapa ha scritto:La forma è quella classica di un onda da 1 kHz a 775 mVrms ed è perfetta,
Sei riuscito a misurarla con il multimetro ?
Un fluke non ha problemi a leggere segnali alternati a 1kHz....
Esegui la stessa misura tra ognuna delle uscite (0° e 180°) rispetto alla massa.
Lascia il multimetro in AC.
Dovresti avere su ognuna delle uscite "qualcosa" in meno rispetto all'ingresso. (uscendo di emettitore)
Ma soprattutto dovrebbero avere stessa ampiezza. (altrimenti il discorso del bilanciato non vale più....)
Fai la misura direttamente sugli emettitori.
Dopo la farai a valle dei condensatori.
Ciao
Giorgio
-

giorgio25760
2.310 1 3 5 - G.Master EY

- Messaggi: 1700
- Iscritto il: 6 dic 2009, 17:02
- Località: Brescia
50 messaggi
• Pagina 3 di 5 • 1, 2, 3, 4, 5
Torna a Elettronica e spettacolo
Chi c’è in linea
Visitano il forum: Nessuno e 8 ospiti

Elettrotecnica e non solo (admin)
Un gatto tra gli elettroni (IsidoroKZ)
Esperienza e simulazioni (g.schgor)
Moleskine di un idraulico (RenzoDF)
Il Blog di ElectroYou (webmaster)
Idee microcontrollate (TardoFreak)
PICcoli grandi PICMicro (Paolino)
Il blog elettrico di carloc (carloc)
DirtEYblooog (dirtydeeds)
Di tutto... un po' (jordan20)
AK47 (lillo)
Esperienze elettroniche (marco438)
Telecomunicazioni musicali (clavicordo)
Automazione ed Elettronica (gustavo)
Direttive per la sicurezza (ErnestoCappelletti)
EYnfo dall'Alaska (mir)
Apriamo il quadro! (attilio)
H7-25 (asdf)
Passione Elettrica (massimob)
Elettroni a spasso (guidob)
Bloguerra (guerra)

