MI trovo a chiedere il Vostro valido aiuto per il seguente circuito:
La mia idea è quella di abilitare le lampade UV del bromografo (per un tempo prestabilito e settabile) premendo un pulsante e visualizzando su display lo scorrere del tempo. Il conteggio deve partire circa 3 secondi dopo l’accensione delle lampade. Al termine del conteggio prestabilito si devono spegnere automaticamente le lampade.
Ad ogni pressione del pulsante deve ricominciare un nuovo ciclo.
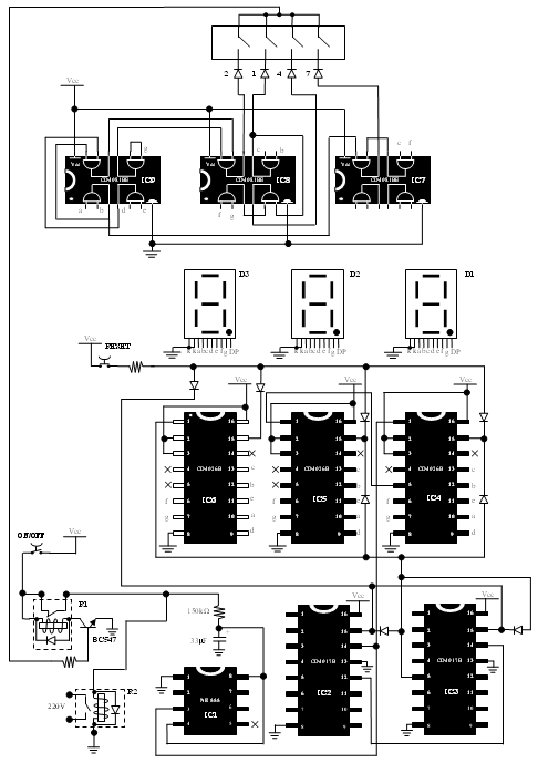
Per problemi di spazio ho evitato di disegnare la configurazione astabile del 555. Comunque ho utilizzato 2 resistenze da 27 kohm, in trimmer da 4,7 kohm (per la taratura), un condensatore elettrolitico da 1500uF.
Per gli stessi problemi ho evitato di disegnare le 21 resistenze da 220ohm dei display led 7 segmenti.
Attraverso il pin3 dell’IC1 (NE555) in configurazione astabile (Ton = 500ms Toff = 500ms f = 1 Hz) si abilita il clock (pin14) dell’IC2 (CD4017B) che inizierà il conteggio fino a 10; contemporaneamente sempre attraverso il pin3 dell’IC1 partirà il conteggio (pin1) su IC4 (CD4026B).
Al decimo conteggio si abilita il clock (pin14) dell’IC3 (CD4017B) e contemporaneamente il clock in IC5 (CD4026B).
Al sessantesimo conteggio, dal pin5 dell’IC3 parte un impulso che resetta (pin15) IC2 e autoresetta (pin 15) IC3; contemporaneamente si resetta anche (pin15) IC4 e (pin15) di IC5; inoltre sempre attraverso l’impulso (pin5) di IC3 inizia il conteggio (pin1) su IC6 (CD4026B).
Ogni 60 conteggi verrà inviato un impulso di clock (pin1) su IC6. Dopo 600 conteggi (10 minuti) si autoresetterà anche IC6.
A questo punto saranno resettati IC2, IC3, IC4, IC5, IC6.
In serie ad IC4, IC5, IC6 sono collegati 3 display led 7 segmenti a catodo comune. D1 e D2 visualizzeranno i secondi, D3 i minuti.
Il pulsante di RESET resetterà il conteggio (prima del tempo prestabilito) ogni volta che verrà premuto, rilasciandolo il conteggio ripartirà automaticamente dall’inizio.
L’interruttore ON/OFF abilita l’alimentazione di IC1 e fa partire il conteggio. Contemporaneamente abilita R2 che è un relè NA per mezzo del quale si abilita la linea di rete alla quale sono connesse le lampade UV.
R1 è un relè NC che si comporta da interruttore chiuso all’inserimento dell’interruttore ON/OFF. In serie è stato posto un filtro passivo passa basso RC (R = 150kohm, C = 22uF) per permettere di far partire il conteggio a lampade UV completamente accese. Il tempo di ritardo dato dal transitorio di carica permetterà alle lampade di accendersi completamente dopo un periodo di circa 3 secondi di sfarfallio (effetto neon).
Attraverso il circuito logico composto dalle porte AND è possibile prelevare le uscite di IC6 corrispondenti ad 1 – 2 – 4 – 7 minuti in base ai segnali inviati al display.
Ogni segnale di tempo impostato (1-2-4-7) uscente dal micro commutatore comanderà il transistor BC547 che aprirà i contatti del relè R1.
Di conseguenza si apriranno i contatti di R2 e si spegneranno i neon; sarà disalimentato IC1 e quindi smetterà di dare impulsi di clock. In pratica si arresta il conteggio e si spengono i neon.
I display continueranno a visualizzare il conteggio raggiunto fino a quando non verrà premuto RESET.
Premendo RESET le uscite delle porte AND verranno resettate in quanto IC2, IC3, IC4, IC5, IC6 saranno resettati. R1 ritornerà a chiudere i contatti abilitando il conteggio di IC1 ed i contatti di R2 riaccendendo le lampade UV.
In pratica ricomincerà il ciclo di conteggio.
Ovviamente il settaggio delle porte logiche ci darà una vasta gamma di tempi di lavoro. Una modifica potrebbe essere quella di adoperare un micro commutatore rotativo e una maggiore serie di porte logiche connesse anche ad IC4 ed IC5 (per i secondi).
Inoltre aumentando i moduli (CD4026B+display) si può arrivare a conteggiare anche le ore ed i giorni.
P.S. I ponticelli ed i diodi vanno montati prima di tutti gli altri componenti (smaltandoli) dal lato saldatura.
Allego circuito semplificato per una migliore comprensione di ciò che ho esposto.
Grazie anticipate, tenbears.
timer bromografo
Moderatori:
carloc,
g.schgor,
BrunoValente,
IsidoroKZ
8 messaggi
• Pagina 1 di 1
1
voti
Ciao,
Dovresti anzitutto spiegare quale è il tuo problema: nella lunga descrizione non lo evidenzi, non si capisce se hai realizzato il circuito e non funziona o se invece hai bisogno di aiuto per altri motivi.
Per essere sincero, e credo sia questo il motivo per cui nessuno si fa avanti, non credo sia questa la strada giusta per realizzare un timer fotografico. Provo a spiegare perché: anzitutto il circuito è eccessivamente e inutilmente complicato rispetto a quello che deve fare . La tua lunga spiegazione è, per certi aspetti, lacunosa: ad esempio non si riesce a capire come dovrebbero essere pilotati i display a sette segmenti senza far uso di integrati decodificatori ma , anche volendo, i CD4017, che sono contatori decimali, non sono interfacciabili con le normali decodifiche e non vedo come si possa fare se non complicando a dismisura il circuito.
Altra cosa che non comprendo è il meccanismo attraverso il quale vorresti impostare il tempo: nello schema si vedono quattro interruttori ma sicuramente non bastano. Immagino si dovranno commutare gli ingressi delle AND ma le combinazioni necessarie sono tante e non puoi realizzarle con dei contraves. Ti occorreranno forse dei commutatori rotativi a dieci posizioni
Ti consiglio quindi di cambiare strada e di realizzare un circuito più semplice e razionale che faccia uso di integrati più adatti a questo scopo come ad esempio dei contatori binari presettabili e di interfacciare i display con decodifiche del tipo CD4511.
La soluzione più semplice sarebbe sicuramente quella di utilizzare un PIC o qualcosa di simile ma se non sei esperto e non sei attrezzato per questi componenti è meglio non pensarci.
Non ho cercato in rete ma sono sicuro che vi siano molti circuiti adatti allo scopo da cui prendere spunto.
Un'ultima cosa: la precisione necessaria per un bromografo è veramente bassa e sicuramente non serve preoccuparsi del tempo di accensione delle lampade. Sono sicuro che sarebbe più che sufficiente anche un timer analogico con manopola graduata. Siccome occorrono dei tempi lunghi, si può fare un oscillatore con periodo variabile da uno a dieci secondi con un potenziometro e far seguire in cascata due divisori per dieci in modo da poter scegliere tre diverse scale con un selettore a tre posizioni: 1-10, 10-100, 100-1000
Dovresti anzitutto spiegare quale è il tuo problema: nella lunga descrizione non lo evidenzi, non si capisce se hai realizzato il circuito e non funziona o se invece hai bisogno di aiuto per altri motivi.
Per essere sincero, e credo sia questo il motivo per cui nessuno si fa avanti, non credo sia questa la strada giusta per realizzare un timer fotografico. Provo a spiegare perché: anzitutto il circuito è eccessivamente e inutilmente complicato rispetto a quello che deve fare . La tua lunga spiegazione è, per certi aspetti, lacunosa: ad esempio non si riesce a capire come dovrebbero essere pilotati i display a sette segmenti senza far uso di integrati decodificatori ma , anche volendo, i CD4017, che sono contatori decimali, non sono interfacciabili con le normali decodifiche e non vedo come si possa fare se non complicando a dismisura il circuito.
Altra cosa che non comprendo è il meccanismo attraverso il quale vorresti impostare il tempo: nello schema si vedono quattro interruttori ma sicuramente non bastano. Immagino si dovranno commutare gli ingressi delle AND ma le combinazioni necessarie sono tante e non puoi realizzarle con dei contraves. Ti occorreranno forse dei commutatori rotativi a dieci posizioni
Ti consiglio quindi di cambiare strada e di realizzare un circuito più semplice e razionale che faccia uso di integrati più adatti a questo scopo come ad esempio dei contatori binari presettabili e di interfacciare i display con decodifiche del tipo CD4511.
La soluzione più semplice sarebbe sicuramente quella di utilizzare un PIC o qualcosa di simile ma se non sei esperto e non sei attrezzato per questi componenti è meglio non pensarci.
Non ho cercato in rete ma sono sicuro che vi siano molti circuiti adatti allo scopo da cui prendere spunto.
Un'ultima cosa: la precisione necessaria per un bromografo è veramente bassa e sicuramente non serve preoccuparsi del tempo di accensione delle lampade. Sono sicuro che sarebbe più che sufficiente anche un timer analogico con manopola graduata. Siccome occorrono dei tempi lunghi, si può fare un oscillatore con periodo variabile da uno a dieci secondi con un potenziometro e far seguire in cascata due divisori per dieci in modo da poter scegliere tre diverse scale con un selettore a tre posizioni: 1-10, 10-100, 100-1000
-

BrunoValente
39,6k 7 11 13 - G.Master EY

- Messaggi: 7796
- Iscritto il: 8 mag 2007, 14:48
1
voti
Ti chiedo scusa ma solo ora ho avuto tempo di controllare il tuo circuito con un po' di calma e mi sono accorto di aver detto alcune inesattezze.
Anzitutto le scritte dello schema non sono ben visibili e per questo inizialmente avevo inteso che gli integrati fossero tutti CD4017. Ho visto ora che IC4-5-6 sono dei CD4026 e quindi il problema di interfacciare i display non c'è.
Continua però a non essermi chiaro il circuito con le AND che da quanto capisco prendono i segnali dalle uscite per i sette segmenti e non capisco che senso abbia, dovresti spiegarmelo meglio.
Mi pare di capire che molti ingressi non sono collegati a nulla e questo è un errore: gli ingressi degli integrati cmos a causa dell'alta impedenza non possono essere lasciati appesi bensì devono essere sempre collegati al negativo o al positivo direttamente o con una resistenza di qualsiasi valore anche molto alto (qualche centinaio di kohm). Questo vale anche per gli ingressi dove il segnale entra con un diodo in serie: quando il livello del segnale è tale per cui il diodo non conduce l'ingresso a cui è collegato di fatto si ritrova ad essere appeso quindi anche qui va collegata una resistenza verso massa o verso il positivo e questo dipende dal verso del diodo. Un ingresso scollegato non è a livello logico basso ma, a causa dell'alta impedenza, si polarizza ad un potenziale imprevedibile che può assumere qualsiasi valore e può captare disturbi e a volte può anche far oscillare il circuito a frequenze elevatissime e addirittura provocare la rottura dell'integrato.
Anzitutto le scritte dello schema non sono ben visibili e per questo inizialmente avevo inteso che gli integrati fossero tutti CD4017. Ho visto ora che IC4-5-6 sono dei CD4026 e quindi il problema di interfacciare i display non c'è.
Continua però a non essermi chiaro il circuito con le AND che da quanto capisco prendono i segnali dalle uscite per i sette segmenti e non capisco che senso abbia, dovresti spiegarmelo meglio.
Mi pare di capire che molti ingressi non sono collegati a nulla e questo è un errore: gli ingressi degli integrati cmos a causa dell'alta impedenza non possono essere lasciati appesi bensì devono essere sempre collegati al negativo o al positivo direttamente o con una resistenza di qualsiasi valore anche molto alto (qualche centinaio di kohm). Questo vale anche per gli ingressi dove il segnale entra con un diodo in serie: quando il livello del segnale è tale per cui il diodo non conduce l'ingresso a cui è collegato di fatto si ritrova ad essere appeso quindi anche qui va collegata una resistenza verso massa o verso il positivo e questo dipende dal verso del diodo. Un ingresso scollegato non è a livello logico basso ma, a causa dell'alta impedenza, si polarizza ad un potenziale imprevedibile che può assumere qualsiasi valore e può captare disturbi e a volte può anche far oscillare il circuito a frequenze elevatissime e addirittura provocare la rottura dell'integrato.
-

BrunoValente
39,6k 7 11 13 - G.Master EY

- Messaggi: 7796
- Iscritto il: 8 mag 2007, 14:48
0
voti
Ciao,
il circuito che ho progettato è sicuramente più complesso che realizzarlo con un PIC. La mia realizzazione è a scopo didattico e nel frattempo la utilizzo per il bromografo che sto costruendo. Ciò non toglie che possa essere utilizzata per altre applicazioni avendo una vasta gamma di tempi settabili. Lo schema che ho postato non risulta eccessivamente visibile perché non volevo postare uno schema di dimensioni enormi. Avevo comunque specificato che integrati avevo in mente di usare
Le AND prendono le uscite di IC6. Essendo la composizione del numero 4 composta dai segmenti f-g-b-c ed essendo IC6 l'interfaccia dei minuti, l'unione dei 4 segnali attraverso le porte AND indica il 4° minuto di conteggio. Si può eseguire anche per il 6° minuto ecc. Io ne ho impostati 4: al I° minuto, al II° minuto, al IV° minuto, al VII° minuto; attraverso un commutatore seleziono il tempo desiderato. L'uscita dal commutatore attiverà, attraverso il transistor, il relè (R1) che taglierà l'alimentazione del NE555 e contemporaneamente abiliterà il relè (R2) che taglierà l'alimentazione dei neon.
In pratica non si lasciano pin non connessi ma si mette una resistenza da 100kOhm tra pin e massa. Questa è una nuova nozione per me. Grazie adotterò questo sistema.
il circuito che ho progettato è sicuramente più complesso che realizzarlo con un PIC. La mia realizzazione è a scopo didattico e nel frattempo la utilizzo per il bromografo che sto costruendo. Ciò non toglie che possa essere utilizzata per altre applicazioni avendo una vasta gamma di tempi settabili. Lo schema che ho postato non risulta eccessivamente visibile perché non volevo postare uno schema di dimensioni enormi. Avevo comunque specificato che integrati avevo in mente di usare
tenbears ha scritto:Attraverso il pin3 dell’IC1 (NE555) in configurazione astabile (Ton = 500ms Toff = 500ms f = 1 Hz) si abilita il clock (pin14) dell’IC2 (CD4017B) che inizierà il conteggio fino a 10; contemporaneamente sempre attraverso il pin3 dell’IC1 partirà il conteggio (pin1) su IC4 (CD4026B).
Al decimo conteggio si abilita il clock (pin14) dell’IC3 (CD4017B) e contemporaneamente il clock in IC5 (CD4026B).
Al sessantesimo conteggio, dal pin5 dell’IC3 parte un impulso che resetta (pin15) IC2 e autoresetta (pin 15) IC3; contemporaneamente si resetta anche (pin15) IC4 e (pin15) di IC5; inoltre sempre attraverso l’impulso (pin5) di IC3 inizia il conteggio (pin1) su IC6 (CD4026B).
Ogni 60 conteggi verrà inviato un impulso di clock (pin1) su IC6. Dopo 600 conteggi (10 minuti) si autoresetterà anche IC6.
A questo punto saranno resettati IC2, IC3, IC4, IC5, IC6.
bruno valente ha scritto:Continua però a non essermi chiaro il circuito con le AND che da quanto capisco prendono i segnali dalle uscite per i sette segmenti e non capisco che senso abbia, dovresti spiegarmelo meglio.
Le AND prendono le uscite di IC6. Essendo la composizione del numero 4 composta dai segmenti f-g-b-c ed essendo IC6 l'interfaccia dei minuti, l'unione dei 4 segnali attraverso le porte AND indica il 4° minuto di conteggio. Si può eseguire anche per il 6° minuto ecc. Io ne ho impostati 4: al I° minuto, al II° minuto, al IV° minuto, al VII° minuto; attraverso un commutatore seleziono il tempo desiderato. L'uscita dal commutatore attiverà, attraverso il transistor, il relè (R1) che taglierà l'alimentazione del NE555 e contemporaneamente abiliterà il relè (R2) che taglierà l'alimentazione dei neon.
bruno valente ha scritto:Mi pare di capire che molti ingressi non sono collegati a nulla e questo è un errore: gli ingressi degli integrati cmos a causa dell'alta impedenza non possono essere lasciati appesi bensì devono essere sempre collegati al negativo o al positivo direttamente o con una resistenza di qualsiasi valore anche molto alto (qualche centinaio di kohm). Questo vale anche per gli ingressi dove il segnale entra con un diodo in serie: quando il livello del segnale è tale per cui il diodo non conduce l'ingresso a cui è collegato di fatto si ritrova ad essere appeso quindi anche qui va collegata una resistenza verso massa o verso il positivo e questo dipende dal verso del diodo. Un ingresso scollegato non è a livello logico basso ma, a causa dell'alta impedenza, si polarizza ad un potenziale imprevedibile che può assumere qualsiasi valore e può captare disturbi e a volte può anche far oscillare il circuito a frequenze elevatissime e addirittura provocare la rottura dell'integrato.
In pratica non si lasciano pin non connessi ma si mette una resistenza da 100kOhm tra pin e massa. Questa è una nuova nozione per me. Grazie adotterò questo sistema.
0
voti
Quindi, correggimi se sbaglio, con il tuo circuito hai solo quattro possibili tempi da scegliere e se te ne occorrono di più sei costretto ad aggiungere interruttori e porte logiche, è così?
-

BrunoValente
39,6k 7 11 13 - G.Master EY

- Messaggi: 7796
- Iscritto il: 8 mag 2007, 14:48
0
voti
corretto, per questo proponevo un commutatore rotativo con il quale selezionare più ingressi provenienti dalle porte logiche e quindi più possibilità di tempi. Ampliando il circuito logico si avrano maggiori combinazioni di tempi. A me non serve un grande range di tempi quindi ne ho utilizzati 4.
0
voti
Ora è chiaro, non capivo il funzionamento perché la tua scelta è piuttosto insolita: di solito quando si costruisce un timer digitale con display a tre cifre si vuole avere la possibilità di impostare qualsiasi tempo compreso in tutto il campo visualizzato. Del resto se ci si accontenta di soli quattro tempi non capisco a cosa serve un display a tre cifre.
Però ancora non hai risposto alla prima domanda: in cosa possiamo aiutarti?
Però ancora non hai risposto alla prima domanda: in cosa possiamo aiutarti?
-

BrunoValente
39,6k 7 11 13 - G.Master EY

- Messaggi: 7796
- Iscritto il: 8 mag 2007, 14:48
0
voti
bhè le tre cifre possono essere utili se voglio come tempo di un minuto e 35 secondi (1:35) che mi occupano appunto i tre display. Il circuito arresta il conteggio e l'alimentazione delle lampade, però lascia il tempo visualizzato dai 3 display.
Il vostro aiuto era in merito al progetto. Essendo a scopo didattico, capisco che sia esageratamente pieno di componenti che potrbbero essere sostituiti da PIC, ma la mia idea è quella di avvicinarmi un passo alla volta all'elettronica. La vostra opnione è per me fattore di crescita.
Ad esempio il fatto di non lasciare pin non connessi ma di metterli a massa attraverso un resistore, come mi hai fatto notare tu è stata una nozione in più per me.
Comunque ho testato il circuito su breadboard e funziona (piccola soddisfazione... ma per me grande).
Il vostro aiuto era in merito al progetto. Essendo a scopo didattico, capisco che sia esageratamente pieno di componenti che potrbbero essere sostituiti da PIC, ma la mia idea è quella di avvicinarmi un passo alla volta all'elettronica. La vostra opnione è per me fattore di crescita.
Ad esempio il fatto di non lasciare pin non connessi ma di metterli a massa attraverso un resistore, come mi hai fatto notare tu è stata una nozione in più per me.
Comunque ho testato il circuito su breadboard e funziona (piccola soddisfazione... ma per me grande).
8 messaggi
• Pagina 1 di 1
Chi c’è in linea
Visitano il forum: Nessuno e 34 ospiti

Elettrotecnica e non solo (admin)
Un gatto tra gli elettroni (IsidoroKZ)
Esperienza e simulazioni (g.schgor)
Moleskine di un idraulico (RenzoDF)
Il Blog di ElectroYou (webmaster)
Idee microcontrollate (TardoFreak)
PICcoli grandi PICMicro (Paolino)
Il blog elettrico di carloc (carloc)
DirtEYblooog (dirtydeeds)
Di tutto... un po' (jordan20)
AK47 (lillo)
Esperienze elettroniche (marco438)
Telecomunicazioni musicali (clavicordo)
Automazione ed Elettronica (gustavo)
Direttive per la sicurezza (ErnestoCappelletti)
EYnfo dall'Alaska (mir)
Apriamo il quadro! (attilio)
H7-25 (asdf)
Passione Elettrica (massimob)
Elettroni a spasso (guidob)
Bloguerra (guerra)
