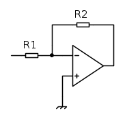
in questo caso, il guadagno di tensione è G = 0?
e qui
il guadagno in anello chiuso G ->
?
Moderatori:
carloc,
g.schgor,
BrunoValente,
IsidoroKZ
?
andres90 ha scritto:grazie,mrc...
andres90 ha scritto:1) concretamente, che significa avere un guadagno meno infinito?
andres90 ha scritto:2) In un caso come questo........diciamo che nel resistore da 10 kohm non scorre corrente perché non è collegato ad un generatore?
significa che l'uscita raggiunge i valori di alimentazione dell'amplificatore (poi l'infinito ovviamente sta ad indicare un valore molto alto ma non veramente infinito ovviamente, anche perche se ci pensi le resistenze che idealmente hai preso come 0 non sono mai 0 nella realtà ma qualcosa in più, e inoltre il guadagno dipende anche dalla frequenza del segnale, sempre in analisi reale).
significa che l'uscita oltre a raggiungere i valori di alimentazione,la sua fase viene invertita di 180 gradi (quindi un segnale positivo in ingresso verra amplificato in uscita fino al valore negativo della tensione di alimentazione e viceversa)
Visitano il forum: Nessuno e 41 ospiti