Non so proprio come aggirare l problema.
Nemmeno con i relé monostabili normali risolvo il problema, perché comunque non possono invertire la fase, e ho il sospetto che il motore in quel caso girerebbe nello stesso senso di marcia.
Quindi i FC devono essere sulle fasi prima del controllo, ma sul tipo di controllo brancolo nel buio.
Per i curiosi qualche foto del letto, che senza i FC funziona benissimo, sigh!
Nella scatola tra i due paranchi ci sono i condensatori in parallelo;il controllo (con arresto di sicurezza) non ci stava nella foto, é appena sotto il comodino di sinistra.
Due paranchi in parallelo?
43 messaggi
• Pagina 3 di 5 • 1, 2, 3, 4, 5
0
voti
Rieccomi con i disegnini da incompetente...ma tant'é.
Esiste un relé cosi'?
Se esiste non vorrei che fosse sequenziale(si dice cosi'?), l'idea che salga da solo fino al FC mi fa un po' paura!
Preferirei affidarmi sia ai FC che al mio dito, non si sa mai!
Vorrei quindi che ci fosse un punto 0 tra 1 e 2...
Senno' non mi restano che due soulzioni: 8 relé monostabili 230v 10A oppure un groviglio di 12 fili per i due controlli originali!
Qualche idea?
Grazie fin d'ora!
Esiste un relé cosi'?
Se esiste non vorrei che fosse sequenziale(si dice cosi'?), l'idea che salga da solo fino al FC mi fa un po' paura!
Preferirei affidarmi sia ai FC che al mio dito, non si sa mai!
Vorrei quindi che ci fosse un punto 0 tra 1 e 2...
Senno' non mi restano che due soulzioni: 8 relé monostabili 230v 10A oppure un groviglio di 12 fili per i due controlli originali!
Qualche idea?
Grazie fin d'ora!
0
voti
SerTom ha scritto:Dallo schema che hai inserito tempo fa il motore non è un trifase ma un classico monofase con 2 sensi di rotazione; potrebbe essere chiamato bi-fase ma non è del tutto corretto.
Per i collegamenti, magari qualche foto potrebbe chiarire meglio di tante parole.
Non scrivi dove vivi ma i relè che intendevo dovrebbero essere realtivamente comuni in tutto il mondo e reperibili nei megozi di materiale elettrico; magari con forme leggermente diverse da quella che indico sotto, ad esempio in versione da guida DIN più adatti ad essere inseriti nei quadri elettrici.
Comunque, giusto per rendere l'idea, questo potrebbe andar bene: http://it.rs-online.com/web/p/rele-monostabili/4881904/
ByeSer.Tom
Salve SerTom!
Vivo a Parigi, e qui ci si puo' scordare la piccola ferramenta o il piccolo negozio di materiale elettrico dietro l'angolo;ce ne sono pochissimi e ti scannano!
Riguardo agli schemi si, é come se fosse un bi-fase. Il condensatore é come se fossero due condensatori in uno, e va collegato diversamente da quello che pensavo, dei due rossi uno va diretto al rotore e l'altro ci va in ponte con la fase, e al centro il neutro. Stessa cosa per i due neri, solo che se per la salita il rosso in fase va al rotore a sx del neutro, per la discesa il nero in fase va a dx del neutro.
0
voti
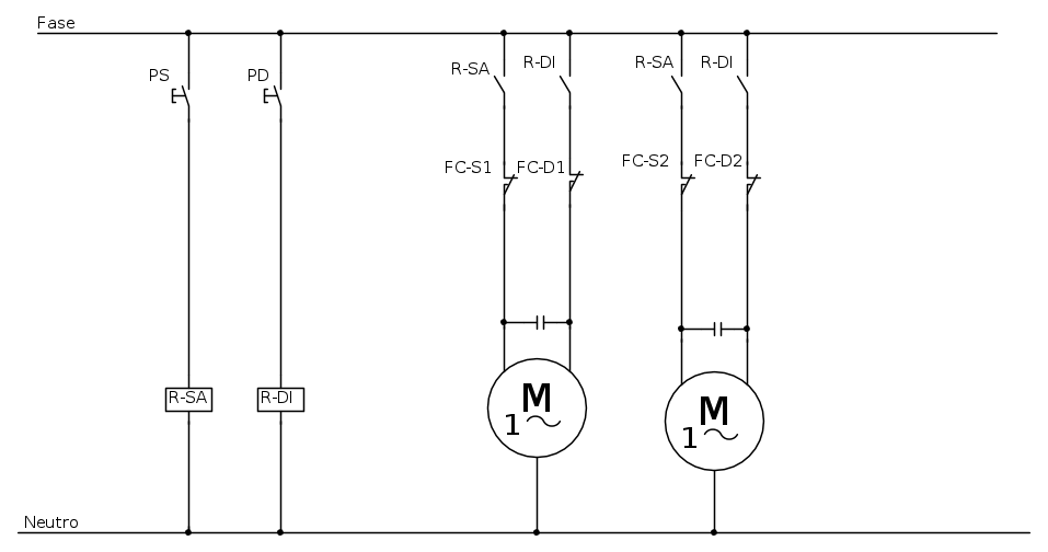
Lo schema che hai fatto mi sembra inutilmente complesso e poco chiaro.
Allego una mia proposta che potrebbe risolverti il problema.
Sconsiglio di usare i relè in asservimento ai fine corsa perché uno dei due resterebbe sempre inutilmente in tensione con consumo di energia e possibile ronzio, l'uso di 4 fine corsa 2 di salita e 2 di discesa ti consente di ottenere l'allineamento dei 2 paranchi ad ogni manovra.
Non ho messo la leggenda delle sigle utilizzate in quanto il tutto mi sembra comprensibile, se qualcosa non ti è chiaro chiedi
Allego una mia proposta che potrebbe risolverti il problema.
Sconsiglio di usare i relè in asservimento ai fine corsa perché uno dei due resterebbe sempre inutilmente in tensione con consumo di energia e possibile ronzio, l'uso di 4 fine corsa 2 di salita e 2 di discesa ti consente di ottenere l'allineamento dei 2 paranchi ad ogni manovra.
Non ho messo la leggenda delle sigle utilizzate in quanto il tutto mi sembra comprensibile, se qualcosa non ti è chiaro chiedi
0
voti
Grazie Giannid19!
Purtroppo non sono proprio in grado di fare un disegno come si deve!
In effetti pensavo di usare i 4 FC già presenti sui paranchi, anche per non avere fili che corrono per tutto il letto.
Ad ogni modo dal disegno che hai fatto capisco che non sono riuscito a spiegarmi, ovviamente!
I condensatori non hanno due fili l'uno ma quattro, due neri(per la discesa, -) e due rossi (per la salita, +), e per ciascuno dei sensi di rotazione la connessione cambia. Per la salita uno dei due rossi del condensatore va diretto al rotore A SINISTRA DEL NEUTRO mentre l'altro rosso va in ponte sulla fase e quindi al rotore A DESTRA DEL NEUTRO). Per la discesa invece la situazione deve essere invertita, uno dei neri va diretto al rotore A DESTRA DEL NEUTRO mentre l'altro va in ponte con la fase e quindi A SINISTRA DEL NEUTRO). A invertire la posizione delle fasi é il controllo, un interruttore a sei poli che, a seconda che venga premuto in basso o in alto, connette rispettivamente i due neri o i due rossi al rotore. A dimostrazione di cio', se tolgo uno dei due fili che vanno dal controllo al rotore, questo non gira ne in una direzione ne' nell'altra, mentre se sul controllo tolgo i due neri il rotore mi fa la salita ma non la discesa.
Allego una foto del condensatore
Purtroppo non sono proprio in grado di fare un disegno come si deve!
In effetti pensavo di usare i 4 FC già presenti sui paranchi, anche per non avere fili che corrono per tutto il letto.
Ad ogni modo dal disegno che hai fatto capisco che non sono riuscito a spiegarmi, ovviamente!
I condensatori non hanno due fili l'uno ma quattro, due neri(per la discesa, -) e due rossi (per la salita, +), e per ciascuno dei sensi di rotazione la connessione cambia. Per la salita uno dei due rossi del condensatore va diretto al rotore A SINISTRA DEL NEUTRO mentre l'altro rosso va in ponte sulla fase e quindi al rotore A DESTRA DEL NEUTRO). Per la discesa invece la situazione deve essere invertita, uno dei neri va diretto al rotore A DESTRA DEL NEUTRO mentre l'altro va in ponte con la fase e quindi A SINISTRA DEL NEUTRO). A invertire la posizione delle fasi é il controllo, un interruttore a sei poli che, a seconda che venga premuto in basso o in alto, connette rispettivamente i due neri o i due rossi al rotore. A dimostrazione di cio', se tolgo uno dei due fili che vanno dal controllo al rotore, questo non gira ne in una direzione ne' nell'altra, mentre se sul controllo tolgo i due neri il rotore mi fa la salita ma non la discesa.
Allego una foto del condensatore
0
voti
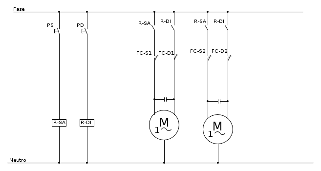
Ho fatto uno schema del sistema ricalcando un altro schema, omettendo i FC che pero' sono presenti, sulle fasi prima del controllo.
I motori pero' saranno due, e vorrei riuscire a comandarli entrambi con un unico pulsante, oppure con un pulsante per senso di marcia.Ma cosa usare???????????
Come dicevo, mettendo in parallelo i due condensatori il sistema funziona, ma dovrei escludere i FC cosa che non faro', primo perché essendo i motori asincroni l'unico modo per allinearli come mi spiegavate sono i FC, secondo per motivi di sicurezza.
I motori pero' saranno due, e vorrei riuscire a comandarli entrambi con un unico pulsante, oppure con un pulsante per senso di marcia.Ma cosa usare???????????
Come dicevo, mettendo in parallelo i due condensatori il sistema funziona, ma dovrei escludere i FC cosa che non faro', primo perché essendo i motori asincroni l'unico modo per allinearli come mi spiegavate sono i FC, secondo per motivi di sicurezza.
0
voti
Confesso che è la prima volta che vedo un condensatore per motori a doppia capacità e paranchi di quel tipo con quella circuitazione, ne ho smontati alcuni e ho sempre trovato collegamenti come riportato nello schema che ho postato.
In ogni modo se tu provi a collegarlo come da schema allegato nel post [24] dovrebbe funzionare regolarmente, non ha molta importanza se il condensatore non è della corretta capacità il tempo di marcia è sicuramente molto breve e manovre ora sono sicuramente irrisorie comunque tali da non provocare surriscaldamenti anomali.
Se così funziona semplifichi di molto lo schema.
PS_ Da dove viene lo schema postato in PDF? puoi postare un foto del condensatore dove si vedono i fili?
In ogni modo se tu provi a collegarlo come da schema allegato nel post [24] dovrebbe funzionare regolarmente, non ha molta importanza se il condensatore non è della corretta capacità il tempo di marcia è sicuramente molto breve e manovre ora sono sicuramente irrisorie comunque tali da non provocare surriscaldamenti anomali.
Se così funziona semplifichi di molto lo schema.
PS_ Da dove viene lo schema postato in PDF? puoi postare un foto del condensatore dove si vedono i fili?
0
voti
Lo schema l'ho scannerizzato dal libretto del paranco.
Riguardo al condensatore, appena riesco smonto il pannello apro la scatola e faccio una foto del condensatore, ma siccome arrivo sempre a casa dopo le 20 e la cosa é rumorosa per i pensionati dall'altra parte del muro, cerco una foto su internet e appena posso ti posto la foto dei miei.
Grazie mille, comunque
Riguardo al condensatore, appena riesco smonto il pannello apro la scatola e faccio una foto del condensatore, ma siccome arrivo sempre a casa dopo le 20 e la cosa é rumorosa per i pensionati dall'altra parte del muro, cerco una foto su internet e appena posso ti posto la foto dei miei.
Grazie mille, comunque
0
voti
Ho trovato la foto di un condensatore che ha quasi le stesse caratteristiche del mio. A quanto pare é per una pompa
- Allegati
-
- cbb60-sh-motor-run-capacitor-for-pump
- cbb60-sh-motor-run-capacitor-for-pump_360x360.jpg (16.92 KiB) Osservato 6812 volte
0
voti
Se cerchi una centralina per cancelli automatici a due ante avrai tutto già bello che pronto e potrai collegarci anche un po' di sicurezze (qualche costa sensibile, una frizione elettronica) così magari non finisci per cercare di fare un letto automatico e realizzare invece uno spaccaossa 
43 messaggi
• Pagina 3 di 5 • 1, 2, 3, 4, 5
Torna a Costruzione, riparazione, riutilizzo
Chi c’è in linea
Visitano il forum: Nessuno e 201 ospiti

Elettrotecnica e non solo (admin)
Un gatto tra gli elettroni (IsidoroKZ)
Esperienza e simulazioni (g.schgor)
Moleskine di un idraulico (RenzoDF)
Il Blog di ElectroYou (webmaster)
Idee microcontrollate (TardoFreak)
PICcoli grandi PICMicro (Paolino)
Il blog elettrico di carloc (carloc)
DirtEYblooog (dirtydeeds)
Di tutto... un po' (jordan20)
AK47 (lillo)
Esperienze elettroniche (marco438)
Telecomunicazioni musicali (clavicordo)
Automazione ed Elettronica (gustavo)
Direttive per la sicurezza (ErnestoCappelletti)
EYnfo dall'Alaska (mir)
Apriamo il quadro! (attilio)
H7-25 (asdf)
Passione Elettrica (massimob)
Elettroni a spasso (guidob)
Bloguerra (guerra)
Ser.Tom


