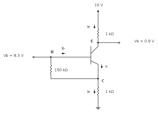
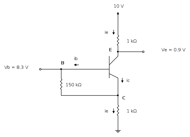
una volta che ho determinato la ie = 1 mA, ho ritenuto che la Vc fosse uguale a 7,6 V: questo perché il mio testo (Sedra-Smith), in sede di presentazione degli esercizi, scrive che nella risoluzione possiamo supporre che il BJT sia in zona attiva diretta e quindi porre il potenziale della giunzione che si sta analizzando pari a 0,7 V. In questo caso, essendo Vbc = Vb - Vc, ho ricavato il valore di Vc.
Ad onor del vero, però, questa strategia di lavoro viene riportata in esempi svolti in cui non c'è retroazione, a differenza del caso che ho postato: infatti, nello svolgimento di questo esercizio, la Vc calcolata dal testo è:
![\[V_c = 1 k\Omega *i_e = 1 V\] \[V_c = 1 k\Omega *i_e = 1 V\]](/forum/latexrender/pictures/534ac6ed23838ea133959b1c7d9170d7.png)
Mi confermate, allora, che la differenza tra i due ragionamenti da fare nella risoluzione è proprio dovuta alla retroazione? E che è la stessa ragione per cui, senza retroazione, avremmo avuto la ic uscente dal nodo C e non la ie?
Grazie per la disponibilità


Elettrotecnica e non solo (admin)
Un gatto tra gli elettroni (IsidoroKZ)
Esperienza e simulazioni (g.schgor)
Moleskine di un idraulico (RenzoDF)
Il Blog di ElectroYou (webmaster)
Idee microcontrollate (TardoFreak)
PICcoli grandi PICMicro (Paolino)
Il blog elettrico di carloc (carloc)
DirtEYblooog (dirtydeeds)
Di tutto... un po' (jordan20)
AK47 (lillo)
Esperienze elettroniche (marco438)
Telecomunicazioni musicali (clavicordo)
Automazione ed Elettronica (gustavo)
Direttive per la sicurezza (ErnestoCappelletti)
EYnfo dall'Alaska (mir)
Apriamo il quadro! (attilio)
H7-25 (asdf)
Passione Elettrica (massimob)
Elettroni a spasso (guidob)
Bloguerra (guerra)






