Cos'è ElectroYou | Login Iscriviti

ElectroYou - la comunità dei professionisti del mondo elettrico

Dimmer luci 500W

hi-fi, luci, suoni, effetti speciali, palcoscenici...

Moderatore: Foto UtenteIsidoroKZ

0
voti

[11] Re: Dimmer luci 500W

Messaggioda Foto Utentesidro007 » 21 apr 2014, 20:02

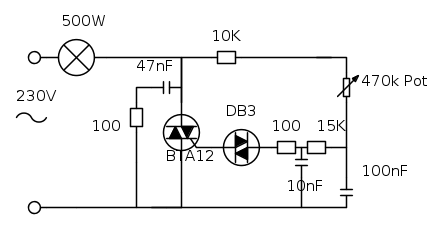
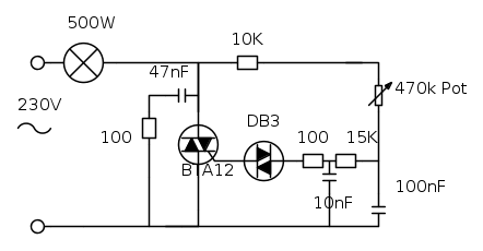
EcoTan ha scritto:-mettere 100 nF al posto di 150 nF
-aggiungere la seconda cella RC con 15 kohm e 10 nF
-il condensatore da 47 nF dello snubber dovrebbe essere da 400VL.
Il triac, se non si è già rotto con quel faretto allora significa che dovrebbe andare bene.


Così?


Il triac non solo non si è rotto, ma non scalda nemmeno...
Il condensatore da 47nF è 630V...
Avatar utente
Foto Utentesidro007
55 6
Frequentatore
Frequentatore
 
Messaggi: 141
Iscritto il: 22 mag 2011, 17:40

0
voti

[12] Re: Dimmer luci 500W

Messaggioda Foto Utentesidro007 » 21 apr 2014, 20:51

Ho realizzato le modifiche, il risultato è magnifico! :ok:
Ora il potenziometro lavora su tutta la corsa e la luce non sfarfalla più.
Farò qualche test a metà corsa per vedere la tenuta del triac ma non credo ci siano problemi.
Grazie dell'aiuto! =D> O_/
Avatar utente
Foto Utentesidro007
55 6
Frequentatore
Frequentatore
 
Messaggi: 141
Iscritto il: 22 mag 2011, 17:40

Precedente

Torna a Elettronica e spettacolo

Chi c’è in linea

Visitano il forum: Nessuno e 29 ospiti