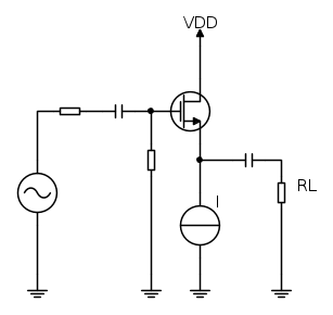
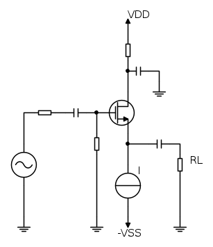
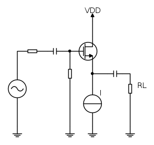
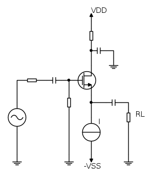
Non riesco a capire perché quando si fa lo studio in AC di un MOSFET Common Drain si deve eliminare il resistore che connette il Drain a massa, collegando Drain e massa direttamente.
Anche perché nel caso di un MOSFET Common Source con resistore di Source tale resistore viene mantenuto. Nel caso di un MOSFET Common Gate, invece, capisco che il resistore si può eliminare in quanto la corrente totale (DC + AC) sulla Gate è nulla.
Potete aiutarmi?
Grazie

Elettrotecnica e non solo (admin)
Un gatto tra gli elettroni (IsidoroKZ)
Esperienza e simulazioni (g.schgor)
Moleskine di un idraulico (RenzoDF)
Il Blog di ElectroYou (webmaster)
Idee microcontrollate (TardoFreak)
PICcoli grandi PICMicro (Paolino)
Il blog elettrico di carloc (carloc)
DirtEYblooog (dirtydeeds)
Di tutto... un po' (jordan20)
AK47 (lillo)
Esperienze elettroniche (marco438)
Telecomunicazioni musicali (clavicordo)
Automazione ed Elettronica (gustavo)
Direttive per la sicurezza (ErnestoCappelletti)
EYnfo dall'Alaska (mir)
Apriamo il quadro! (attilio)
H7-25 (asdf)
Passione Elettrica (massimob)
Elettroni a spasso (guidob)
Bloguerra (guerra)





e nell'altro no. Comunque non è questione di imparare a memoria è solo un astrazione del concetto; per il segnale, il drain,