Salve, sto verificando di far condurre il triac... vi spiego il problema, quando il bc547 non è interdetto la tensione sul gate del triac si ha 6,8v e trovo sul tester 216v alternate ai capi m1 e m2 del triac, a questo punto sta a posto.... ma quando il bc547 è interdetto sul gate si ha 0v e sul triac trovo la tensione alternata di 168 volt ma non scende a zero e la lampadina rimane sempre accesa..., devo fare una sorta di interruttore che quando sul gate del trac giunge una tensione di 6,8 volt fa accendere la lampadina e quando la tensione è zero la spenga.
Ho provato a cambiare diversi valori di resistenza tra il connettore del bc547 e il gate del triac... ma la tensione del triac non scende mai sullo zero quando il transistor è interdetto... dove sbaglio?
Conduzione triac
Moderatori:
carloc,
g.schgor,
BrunoValente,
IsidoroKZ
12 messaggi
• Pagina 1 di 2 • 1, 2
0
voti
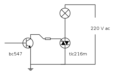
Scusami avevo sbagliato il disegno... lo schema corretto è questo
0
voti
...se il circuito che stai usando per pilotare il Gate è semplicemente quello che hai postato, non funziona semplicemente perché è sbagliato.
EDIT: visto ora il tuo nuovo circuito...sbagliato anche quello, manca almeno una resistenza sull'emettitore del transistor. E anche le alimentazioni...che ne diresti di postarlo tutto per bene?
Il TRIAC è un dispositivo che lavora su tutti e quattro i quadranti. Per accendersi necessita di un'opportuna corrente di gate che deve essere presente con la giusta polarità quando la ddp fra i due terminali principali supera una determinata soglia. Per spegnerlo la corrente di gate deve essere portata sotto una soglia detta corrente di mantenimento (
= holding current), il triac si spegnerà al successivo passaggio per zero dell'alternata principale.
Il tuo scopo è un dimmer o un semplice interruttore?
EDIT: visto ora il tuo nuovo circuito...sbagliato anche quello, manca almeno una resistenza sull'emettitore del transistor. E anche le alimentazioni...che ne diresti di postarlo tutto per bene?
Il TRIAC è un dispositivo che lavora su tutti e quattro i quadranti. Per accendersi necessita di un'opportuna corrente di gate che deve essere presente con la giusta polarità quando la ddp fra i due terminali principali supera una determinata soglia. Per spegnerlo la corrente di gate deve essere portata sotto una soglia detta corrente di mantenimento (
= holding current), il triac si spegnerà al successivo passaggio per zero dell'alternata principale.Il tuo scopo è un dimmer o un semplice interruttore?
_______________________________________________________
Gli oscillatori non oscillano mai, gli amplificatori invece sempre
Io HO i poteri della supermucca, e ne vado fiero!
Gli oscillatori non oscillano mai, gli amplificatori invece sempre
Io HO i poteri della supermucca, e ne vado fiero!
2
voti
Piu' che altro visto che stai utilizzando un segnale pilota sul gate non isolato dalla rete elettrica,direi di separare lo stadio "buffer" composto dal BJT utilizzando un optoisolatore.
⋮ƎlectroYou
-

stefanob70
14,1k 5 11 13 - Master EY

- Messaggi: 3190
- Iscritto il: 14 lug 2012, 13:14
- Località: Roma
1
voti
stefanob70 ha scritto:Piu' che altro visto che stai utilizzando un segnale pilota sul gate non isolato dalla rete elettrica,direi di separare lo stadio "buffer" composto dal BJT utilizzando un optoisolatore.
infatti...era quello che volevo vedere con il circuito completo (e corretto) che gli ho chiesto.
_______________________________________________________
Gli oscillatori non oscillano mai, gli amplificatori invece sempre
Io HO i poteri della supermucca, e ne vado fiero!
Gli oscillatori non oscillano mai, gli amplificatori invece sempre
Io HO i poteri della supermucca, e ne vado fiero!
0
voti
Lo scopo è di utilizzare un interruttore crepuscolare senza il trasformatore, a caduta capacitiva. La tensione di portata dal collettore del transistor è a 12v, l'emettitore è su massa neutrale... la base è pilotata da fotoresistenza e trimmer... al buio trovo in uscita dall'emettitore del transistor 6,8v mentre con la luce trovo 0 volt... da qui non ci sono problemi, devo far pilotare il gate l'accensione della lampadina con il triac. Al buio l'uscita del triac sta a posto, ma con la luce, la lampadina resta ugualmente accesa ma con tensione minore. Non capisco dove sta il problema? Ho anche inserito una resistenza a massa da emettitore, cambia solo che con la luce la tensione del triac resta la stessa
0
voti
max1971 ha scritto:... La tensione di portata dal collettore del transistor è a 12 V, l'emettitore è su massa neutrale... la base è pilotata da fotoresistenza e trimmer...
....ho chiesto un disegno, non una descrizione.
Senza la resistenza sull'emettitore il gate del TRIAC sarebbe in corto con MT2. quindi non si accenderebbe mai. SE posti lo schema, ci ragoniamo su, altrimenti non c'è un gran chè da fare.
_______________________________________________________
Gli oscillatori non oscillano mai, gli amplificatori invece sempre
Io HO i poteri della supermucca, e ne vado fiero!
Gli oscillatori non oscillano mai, gli amplificatori invece sempre
Io HO i poteri della supermucca, e ne vado fiero!
0
voti
max1971 ha scritto:Ho anche inserito una resistenza a massa da emettitore, cambia solo che con la luce la tensione del triac resta la stessa
Scusa, ho risposto della resistenza sull'emettitore
obiuan ha scritto:
Senza la resistenza sull'emettitore il gate del TRIAC sarebbe in corto con MT2. quindi non si accenderebbe mai. SE posti lo schema, ci ragoniamo su, altrimenti non c'è un gran chè da fare.
Al contrario, si accende e resta acceso, non si spegne
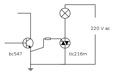
in ogni caso posto il disegno
0
voti
Una volta che passa in conduzione il Triodo per diseccitarlo dovresti ridurre a Zero volt la tensione presente tra Anodo e Katodo,oppure inverti le polarita' tra anodo e katodo.
Anzi perdonami con il Triac diventano Anodo 1 e Anodo 2 il precedente si riferisce all'SCR.
Anzi perdonami con il Triac diventano Anodo 1 e Anodo 2 il precedente si riferisce all'SCR.
⋮ƎlectroYou
-

stefanob70
14,1k 5 11 13 - Master EY

- Messaggi: 3190
- Iscritto il: 14 lug 2012, 13:14
- Località: Roma
0
voti
[10] Re: conduzione triac
Ciao
max1971, se non metti i valori nello schema però
è come aria fritta. Un solo transistor con la fotoresistenza secca fra B ed E potrebbe dare questo tipo di comportamento, tu stesso dici che la tensione va a 168 V, della serie eppur si muove ma non abbastanza. Collegati giusti i piedini del TIC
Meglio mettere un opto come consigliatoti da
stefanob70, un MOCxxxx con out bidirezionale ad esempio, per spingere corrente nel gate da entrambe le semionde di rete. L'isolamento del circuito di controllo è molto utile se ad esempio piloti un domani con un micro, se come mi sembra di capire vuoi utilizzare la "caduta capacitiva" o meglio la reattanza di un condensatore per scendere dalla 220 ai 12 che ti servono ovviamente l'opto perde la funzione di isolamento galvanico ma considera che pur ottieni un certo guadagno di anello, che a naso, sembra tutto il tuo problema. 
Meglio mettere un opto come consigliatoti da
12 messaggi
• Pagina 1 di 2 • 1, 2
Chi c’è in linea
Visitano il forum: Nessuno e 122 ospiti

Elettrotecnica e non solo (admin)
Un gatto tra gli elettroni (IsidoroKZ)
Esperienza e simulazioni (g.schgor)
Moleskine di un idraulico (RenzoDF)
Il Blog di ElectroYou (webmaster)
Idee microcontrollate (TardoFreak)
PICcoli grandi PICMicro (Paolino)
Il blog elettrico di carloc (carloc)
DirtEYblooog (dirtydeeds)
Di tutto... un po' (jordan20)
AK47 (lillo)
Esperienze elettroniche (marco438)
Telecomunicazioni musicali (clavicordo)
Automazione ed Elettronica (gustavo)
Direttive per la sicurezza (ErnestoCappelletti)
EYnfo dall'Alaska (mir)
Apriamo il quadro! (attilio)
H7-25 (asdf)
Passione Elettrica (massimob)
Elettroni a spasso (guidob)
Bloguerra (guerra)






