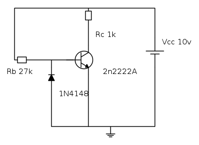
Chiedo cortesemente aiuto per il seguente esercizio dove il BJT deve lavorare prima in commutazione e poi in zona attiva.
1) è corretto inserire il diodo tra base e massa per evitare in interdizione una tensione veb >5 v come da data sheet
2) per far lavorare il BJT in zona attiva viene richiesto di dimensionare il circuito adoperando HFE tipico=150 ma sul data sheet sono presenti hfemin=100 HFEMAX=300 a 150 mA .come ricavo il valore tipico? grazie antonio.
BJT come interruttore
Moderatori:
carloc,
g.schgor,
BrunoValente,
IsidoroKZ
4 messaggi
• Pagina 1 di 1
1
voti
1) Nel circuito non esiste una tensione inversa
(quindi il diodo è inutile)
2)Se il transistor deve funzionare come interruttore
occorrono correnti di base che lo saturino oppure lo interdicano
(quindi è più importante stabilire la tensione di saturazione
in dipendenza del carico). Vedi qui
(quindi il diodo è inutile)
2)Se il transistor deve funzionare come interruttore
occorrono correnti di base che lo saturino oppure lo interdicano
(quindi è più importante stabilire la tensione di saturazione
in dipendenza del carico). Vedi qui
0
voti
grazie per la risposta sig
g.schgor , e per quanto riguarda il valore di hfe tipico come lo ricavo qualora non viene fornito dal data sheet ?
ed in caso di interdizione del BJT mediante tensione negativa allora è corretto collegare il diodo.
Inoltre in alcuni schemi anche presente un resistore tra base e massa,per migliorare i tempi di commutazione,come si calcola correttamente?
grazie e buona serata.
ed in caso di interdizione del BJT mediante tensione negativa allora è corretto collegare il diodo.
Inoltre in alcuni schemi anche presente un resistore tra base e massa,per migliorare i tempi di commutazione,come si calcola correttamente?
grazie e buona serata.
-

antoniosim
15 1 5 - New entry

- Messaggi: 72
- Iscritto il: 9 set 2009, 20:21
1
voti
1) se non hai il valore hfe lo puoi ricavare sperimentalmente
(oppure ricorrere ad una simulazione). Ma se il transistor
è usato come interruttore, serve a poco.
2)sì
3)la resistenza verso massa è necessaria quando il segnale
non va a zero (ma rimane floating, come ad es. nel caso
dell'apertura di un contatto)
(oppure ricorrere ad una simulazione). Ma se il transistor
è usato come interruttore, serve a poco.
2)sì
3)la resistenza verso massa è necessaria quando il segnale
non va a zero (ma rimane floating, come ad es. nel caso
dell'apertura di un contatto)
4 messaggi
• Pagina 1 di 1
Chi c’è in linea
Visitano il forum: Nessuno e 54 ospiti

Elettrotecnica e non solo (admin)
Un gatto tra gli elettroni (IsidoroKZ)
Esperienza e simulazioni (g.schgor)
Moleskine di un idraulico (RenzoDF)
Il Blog di ElectroYou (webmaster)
Idee microcontrollate (TardoFreak)
PICcoli grandi PICMicro (Paolino)
Il blog elettrico di carloc (carloc)
DirtEYblooog (dirtydeeds)
Di tutto... un po' (jordan20)
AK47 (lillo)
Esperienze elettroniche (marco438)
Telecomunicazioni musicali (clavicordo)
Automazione ed Elettronica (gustavo)
Direttive per la sicurezza (ErnestoCappelletti)
EYnfo dall'Alaska (mir)
Apriamo il quadro! (attilio)
H7-25 (asdf)
Passione Elettrica (massimob)
Elettroni a spasso (guidob)
Bloguerra (guerra)

