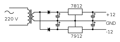
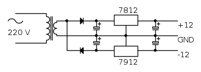
in questi giorni sto provando a costruire un semplice alimentatore per un circuito di piccola potenza. Tale circuito comprende, tra gli elementi più "dispendiosi", una serie di LED, e la corrente assorbita in totale è di circa 100mA quando tutti i LED sono accesi, mentre negli altri casi l'assorbimento di corrente scende fino a circa 30 mA. L'alimentazione è duale e prevede una tensione positiva da +12V, massa e una tensione negativa da -12V, per cui per fare una cosa semplice ho pensato di utilizzare un trasformatore (220V-20V) seguito da un diodo-condensatore, e come stadio finale di regolazione un LM7812. Dualmente per la tensione negativa. Per completezza posto lo schema su FidoCad (i condensatori sono da 1000uF):
Il problema sopraggiunge quando comincio ad eccedere troppo la corrente: persino prima di arrivare a carico completo (tutti i LED accesi), la tensione a valle (e a monte) del regolatore integrato mi crolla, arrivando a 8V al posto dei soliti 12V. Misurando la resistenza del secondario, il tester segna 26ohm. Ora io non me ne intendo molto di parametri di targa, però questo valore mi sembra quantomento eccessivo... La mia supposizione è che durante gli intervalli di conduzione la corrente sul diodo, attraversando ovviamente gli avvolgimenti di secondario, produca una caduta talmente elevata da rendere la tensione disponibile a monte del primo diodo (cioè a valle del trasformatore stesso) addirittura la metà dei 27V (di picco) che vengono misurati a vuoto, scendendo anche sotto i 14V minimi ammessi in ingresso dal regolatore. Può essere che sia dovuto solo a questo? Questo problema si verifica solo con la tensione positiva, in quanto è a questa che sono collegati i carichi che consumano di più (LED), mentre al terminale -12V non c'è apprezzabile assorbimento di corrente e quindi si mantiene praticamente costante a -12V. Grazie in anticipo!


Elettrotecnica e non solo (admin)
Un gatto tra gli elettroni (IsidoroKZ)
Esperienza e simulazioni (g.schgor)
Moleskine di un idraulico (RenzoDF)
Il Blog di ElectroYou (webmaster)
Idee microcontrollate (TardoFreak)
PICcoli grandi PICMicro (Paolino)
Il blog elettrico di carloc (carloc)
DirtEYblooog (dirtydeeds)
Di tutto... un po' (jordan20)
AK47 (lillo)
Esperienze elettroniche (marco438)
Telecomunicazioni musicali (clavicordo)
Automazione ed Elettronica (gustavo)
Direttive per la sicurezza (ErnestoCappelletti)
EYnfo dall'Alaska (mir)
Apriamo il quadro! (attilio)
H7-25 (asdf)
Passione Elettrica (massimob)
Elettroni a spasso (guidob)
Bloguerra (guerra)






