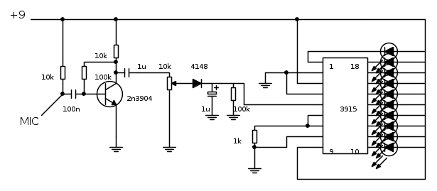
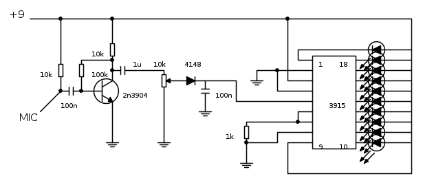
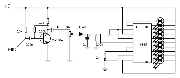
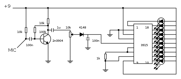
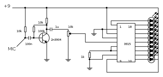
elettrokimbo ha scritto:l circuito di preamp a transistor postatomi precedentemente
Puoi indicare anche lo schema del preamp che hai realizzato?
Moderatore:
IsidoroKZ








Torna a Elettronica e spettacolo
Visitano il forum: Nessuno e 6 ospiti