Salve a tutti,
premesso che altre volte mi avete dato un enorme aiuto,spero che anche volta qualche anima pia possa aiutarmi.
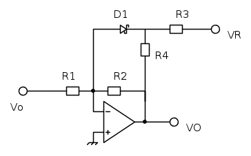
Volevo sapere se dato questo circuito
è possibile riscriverlo in forma più "familiare" in maniera tale da poter applicare facilmente leggi di Kirchhoff e altro, in maniera tale che possa visualizzare facilmente le maglie e avere una visione più d'insieme?
La mia richiesta è molto simile a quanto scritto in questo thread
http://www.electroyou.it/forum/viewtopic.php?f=1&t=38175
Grazie mille in anticipo
Riscrittura circuito
Moderatori:
carloc,
g.schgor,
BrunoValente,
IsidoroKZ
9 messaggi
• Pagina 1 di 1
6
voti
Non c'e' nessun bisogno di riscriverlo in maniera "familiare", ne' di applicare complicate leggi o visualizzare speciali maglie. Il circuito è di per sé autoevidente. Occorre solo ragionarci un po' su.
A occhio si vede che il circuito esibirà due differenti comportamenti, a seconda che il diodo sia un circuito aperto o un circuito chiuso. Per la precisione esibisce due differenti guadagni.
Per i soliti principi noti degli op-amp, possiamo considerare i due ingressi allo stesso potenziale. Dato che l'ingresso non invertente è collegato a massa, allora possiamo considerare anche l'ingresso invertente come se fosse connesso a massa (principio della massa virtuale).
Detto ciò, ragioniamo nel seguente modo: chiamiamo
il potenziale del nodo al quale si connettono R3,R4 e D1. Chiamiamo
la tensione ai capi del diodo quando inizia a condurre, orientata dal catodo verso l'anodo (l'anodo è il punto a potenziale più alto): il diodo per poter condurre dovrà avere il catodo a un potenziale negativo rispetto a massa, dato che l'anodo è da considerarsi collegato a massa.
Il diodo inizia a condurre quando la tensione
diviene inferiore alla tensione di soglia del diodo,
.
Applicando la sovrapposizione degli effetti, possiamo scrivere che la tensione
è data da:
(si noti il segno -)
Riordinando i termini ed esplicitando
otteniamo la tensione di uscita
alla quale inizia la limitazione del guadagno:

La tensione d'ingresso corrispondente è:

Prima della limitazione (cioè prima che il diodo inizi a condurre) il guadagno vale
.
Quando il diodo entra in conduzione il guadagno diviene:

perché la resistenza R4 si viene a ritrovare in parallelo a R2.
La c.d.t. ai capi di un diodo
è generalmente 0.6-0.7 V per i diodi al silicio per piccolo segnale, ma nel nostro caso, essendo utilizzato un diodo schottky, si può assumere per
valori tra 0.2 e 0.3 V, dipendentemente dal tipo di diodo. Alcuni diodi hanno una caduta di tensione di soli 0.15 V.
Se il diodo è da considerarsi ideale basta allora porre, in tutte le espressioni precedenti,
A occhio si vede che il circuito esibirà due differenti comportamenti, a seconda che il diodo sia un circuito aperto o un circuito chiuso. Per la precisione esibisce due differenti guadagni.
Per i soliti principi noti degli op-amp, possiamo considerare i due ingressi allo stesso potenziale. Dato che l'ingresso non invertente è collegato a massa, allora possiamo considerare anche l'ingresso invertente come se fosse connesso a massa (principio della massa virtuale).
Detto ciò, ragioniamo nel seguente modo: chiamiamo
il potenziale del nodo al quale si connettono R3,R4 e D1. Chiamiamo
la tensione ai capi del diodo quando inizia a condurre, orientata dal catodo verso l'anodo (l'anodo è il punto a potenziale più alto): il diodo per poter condurre dovrà avere il catodo a un potenziale negativo rispetto a massa, dato che l'anodo è da considerarsi collegato a massa.Il diodo inizia a condurre quando la tensione
diviene inferiore alla tensione di soglia del diodo,
.Applicando la sovrapposizione degli effetti, possiamo scrivere che la tensione
è data da:
(si noti il segno -)Riordinando i termini ed esplicitando
otteniamo la tensione di uscita
alla quale inizia la limitazione del guadagno:
La tensione d'ingresso corrispondente è:

Prima della limitazione (cioè prima che il diodo inizi a condurre) il guadagno vale
.Quando il diodo entra in conduzione il guadagno diviene:

perché la resistenza R4 si viene a ritrovare in parallelo a R2.
La c.d.t. ai capi di un diodo
è generalmente 0.6-0.7 V per i diodi al silicio per piccolo segnale, ma nel nostro caso, essendo utilizzato un diodo schottky, si può assumere per
valori tra 0.2 e 0.3 V, dipendentemente dal tipo di diodo. Alcuni diodi hanno una caduta di tensione di soli 0.15 V.Se il diodo è da considerarsi ideale basta allora porre, in tutte le espressioni precedenti,

Se funziona quasi bene, è tutto sbagliato. A.Savatteri/M.Mazza
0
voti
Ti ringrazio per la risposta ,è che il mio professore ha utilizzato LKT e LKC e non riuscivo a capire le maglie.Domani guardo meglio il tuo post e se ho problemi ti chiedo.grazie mille per l'aiuto sei stato molto gentile
0
voti
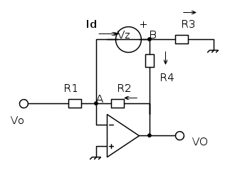
Allora ,per chiarirci, l'esercizio richiedeva di determinare la transcaratteristica, e il diodo in questione è di tipo Zener ,e abbiamo usato il "modello del diodo ideale" , considero , per questo esempio , il caso in cui 
Quindi il circuito diventa
NB le freccie indicano il verso delle correnti

poiché ho una massa virtuale e OA è ideale ,applicando LKT alla maglia rossa scopro che
,
successivamente applico LKC al nodo A e B e scopro che
Successivamente applico LKT alla maglia blu e quindi
succesivamente
e infine considerando la maglia gialla
sostituendo i valori trovati si ha
Questa [ la metodologia che usa il mio professore , a volte e` facile ma altre volte , non riesco a capire proprio come sono fatte le maglie, perche` hanno , una " visuale" diversa da come ero abituato in elettrotecnica.

Quindi il circuito diventa
NB le freccie indicano il verso delle correnti

poiché ho una massa virtuale e OA è ideale ,applicando LKT alla maglia rossa scopro che
,successivamente applico LKC al nodo A e B e scopro che

Successivamente applico LKT alla maglia blu e quindi

succesivamente

e infine considerando la maglia gialla

sostituendo i valori trovati si ha

Questa [ la metodologia che usa il mio professore , a volte e` facile ma altre volte , non riesco a capire proprio come sono fatte le maglie, perche` hanno , una " visuale" diversa da come ero abituato in elettrotecnica.
0
voti
Dega93 ha scritto:Allora ,per chiarirci, l'esercizio richiedeva di determinare la transcaratteristica, e il diodo in questione è di tipo Zener
Hai usato però il simbolo del diodo schottky sgrunt.... a saperlo, è ovvio che allora il comportamento del circuito cambia...

Ora vado a cenare, dopo mi rivedo tutto...

Se funziona quasi bene, è tutto sbagliato. A.Savatteri/M.Mazza
0
voti
Mi sono riletto il tuo post, dove scrivi quello che vorresti fare usando "maglie" e leggi di Kirchhoff ma in tutta sincerità non capisco il metodo, sempre che questa sia la metodologia che utilizza il tuo prof...
Vediamo intanto di fare un po' di chiarezza: le due maglie "rossa" e "gialla" che tu indichi, non sono maglie.
Proprio perché tu giustamente assumi che il punto A sia virtualmente a massa, ne discende che il nodo A (e di conseguenza gli estremi di R1 e R2) è come se fosse collegato a massa. Quindi ai capi di R1 vi è semplicemente la tensione Vi, e ai capi di R2 la tensione Vo. Niente di più, niente di meno.
A questo punto andiamo a vedere cosa succede nel ramo di reazione, composto dall'ambaradan di diodo zener, resistenze e tensione
.
Sempre tenendo bene a mente che il nodo A è come se fosse connesso a massa, basta analizzare il circuito ragionandoci su.
C'è un diodo zener? Benissimo, vorrà dire che quella parte di circuito si comporterà in maniera differente a seconda che il diodo sia in conduzione diretta o inversa.
Il ragionamento è lo stesso di quando avevo analizzato il tuo circuito pensando di considerare un diodo ideale normale. La differenza è che questa volta, essendoci uno zener, si avranno due breakpoint nella caratteristica di trasferimento.
Il diodo zener entrerà in conduzione diretta quando il nodo B scenderà a un potenziale negativo rispetto a massa (perché il suo anodo è a massa).
La tensione
alla quale inizia a condurre l'abbiamo già calcolata nel mio post precedente.
Se consideriamo il diodo ideale, allora possiamo porre
nelle espressioni del precedente post.
Il guadagno cambia quando la tensione di uscita raggiunge il valore:

Corrispondente a una tensione di ingresso pari a:
(si noti il segno +)
Fin qui tutto come nel caso di un diodo normale. Essendoci però uno zener, dobbiamo tenere conto che esso entra in conduzione anche in polarizzazione inversa, quando la tensione inversa ai suoi capi supera la tensione di zener. Cioè quando la tensione al nodo A assume un potenziale positivo superiore a
.
Il diodo zener entra in conduzione inversa quando

Cioè quando la tensione di uscita raggiunge il valore:

corrispondente a una tensione d'ingresso:

Il segno - nell'ultima espressione indica chiaramente che il clipping avviene per una tensione d'ingresso negativa, dato che l'op-amp è in configurazione invertente.
Ecco uno schizzo della caratteristica di trasferimento:

In conclusione, credo che quando si incontrano schemi simili, la cosa fondamentale sia ragionare sul circuito, prima di iniziare a scrivere furiosamente formule su formule. Io di formule ne ho scritte praticamente 3 in croce
Ciò si impara con l'esperienza, e con una buona guida che indichi la strada da seguire.
Il tuo approccio può anche essere valido ma ripeto, lo trovo un po' contorto e sopratutto non mette bene in chiaro subito come si comporterà il circuito, cosa importantissima invece quando ci si ritrova ad analizzare schemi complessi e occorre una veloce sintesi del possibile funzionamento, senza nemmeno scrivere nessuna formula.
E' compito del prof mettere in condizione gli allievi di sviluppare tale sensibilità di saper °leggere° uno schema elettrico. Altrimenti, pur con tutte le formule del mondo, si rischia di non riuscire a capire cosa accade realmente nel circuito.
Vediamo intanto di fare un po' di chiarezza: le due maglie "rossa" e "gialla" che tu indichi, non sono maglie.
Proprio perché tu giustamente assumi che il punto A sia virtualmente a massa, ne discende che il nodo A (e di conseguenza gli estremi di R1 e R2) è come se fosse collegato a massa. Quindi ai capi di R1 vi è semplicemente la tensione Vi, e ai capi di R2 la tensione Vo. Niente di più, niente di meno.
A questo punto andiamo a vedere cosa succede nel ramo di reazione, composto dall'ambaradan di diodo zener, resistenze e tensione
.Sempre tenendo bene a mente che il nodo A è come se fosse connesso a massa, basta analizzare il circuito ragionandoci su.
C'è un diodo zener? Benissimo, vorrà dire che quella parte di circuito si comporterà in maniera differente a seconda che il diodo sia in conduzione diretta o inversa.
Il ragionamento è lo stesso di quando avevo analizzato il tuo circuito pensando di considerare un diodo ideale normale. La differenza è che questa volta, essendoci uno zener, si avranno due breakpoint nella caratteristica di trasferimento.
Il diodo zener entrerà in conduzione diretta quando il nodo B scenderà a un potenziale negativo rispetto a massa (perché il suo anodo è a massa).
La tensione
alla quale inizia a condurre l'abbiamo già calcolata nel mio post precedente.Se consideriamo il diodo ideale, allora possiamo porre
nelle espressioni del precedente post. Il guadagno cambia quando la tensione di uscita raggiunge il valore:

Corrispondente a una tensione di ingresso pari a:
(si noti il segno +)Fin qui tutto come nel caso di un diodo normale. Essendoci però uno zener, dobbiamo tenere conto che esso entra in conduzione anche in polarizzazione inversa, quando la tensione inversa ai suoi capi supera la tensione di zener. Cioè quando la tensione al nodo A assume un potenziale positivo superiore a
.Il diodo zener entra in conduzione inversa quando

Cioè quando la tensione di uscita raggiunge il valore:

corrispondente a una tensione d'ingresso:

Il segno - nell'ultima espressione indica chiaramente che il clipping avviene per una tensione d'ingresso negativa, dato che l'op-amp è in configurazione invertente.
Ecco uno schizzo della caratteristica di trasferimento:

In conclusione, credo che quando si incontrano schemi simili, la cosa fondamentale sia ragionare sul circuito, prima di iniziare a scrivere furiosamente formule su formule. Io di formule ne ho scritte praticamente 3 in croce
Ciò si impara con l'esperienza, e con una buona guida che indichi la strada da seguire.
Il tuo approccio può anche essere valido ma ripeto, lo trovo un po' contorto e sopratutto non mette bene in chiaro subito come si comporterà il circuito, cosa importantissima invece quando ci si ritrova ad analizzare schemi complessi e occorre una veloce sintesi del possibile funzionamento, senza nemmeno scrivere nessuna formula.
E' compito del prof mettere in condizione gli allievi di sviluppare tale sensibilità di saper °leggere° uno schema elettrico. Altrimenti, pur con tutte le formule del mondo, si rischia di non riuscire a capire cosa accade realmente nel circuito.
Se funziona quasi bene, è tutto sbagliato. A.Savatteri/M.Mazza
0
voti
Ti ringrazio per la risposta,io ti ho riportato i miei appunti ,così come li ho presi,questo è in generale il metodo del mio professore (scrivere moltissime LKT e LKC), a volte è chiaro ma altre volte no, concordo con te sul fatto che bisogna imparare a "leggere" un circuito,cosa che si acquisce con il tempo e l'esperienza .Purtroppo ho problemi con la connessione a casa ,sono col cellulare, e quindi nei prossimi giorni guarderò meglio la tua risposta , però volevo ringraziarti per la tua disponibilità.
Offtopic: volevo anche ringraziarti anche per l'articolo sui BJT che hai scritto
Offtopic: volevo anche ringraziarti anche per l'articolo sui BJT che hai scritto
9 messaggi
• Pagina 1 di 1
Chi c’è in linea
Visitano il forum: Nessuno e 200 ospiti

Elettrotecnica e non solo (admin)
Un gatto tra gli elettroni (IsidoroKZ)
Esperienza e simulazioni (g.schgor)
Moleskine di un idraulico (RenzoDF)
Il Blog di ElectroYou (webmaster)
Idee microcontrollate (TardoFreak)
PICcoli grandi PICMicro (Paolino)
Il blog elettrico di carloc (carloc)
DirtEYblooog (dirtydeeds)
Di tutto... un po' (jordan20)
AK47 (lillo)
Esperienze elettroniche (marco438)
Telecomunicazioni musicali (clavicordo)
Automazione ed Elettronica (gustavo)
Direttive per la sicurezza (ErnestoCappelletti)
EYnfo dall'Alaska (mir)
Apriamo il quadro! (attilio)
H7-25 (asdf)
Passione Elettrica (massimob)
Elettroni a spasso (guidob)
Bloguerra (guerra)



