Ero convinto che tu avessi messo a punto il 3915, prima di inserire
il preamplificatore.
Ecco il datasheet
ed un esempio di applicazione.
Consiglio quindi di provare prima separatamente
(con un partitore potenziometrico) il funzionamento del 3915
VU meter a LED
Moderatore:
IsidoroKZ
0
voti
[62] Re: VU meter a LED
Si,allora prima di collegare l'amplificatore avevo testato il 3915 con un partitore potenziometrico e decisi di mettere quella resistenza da 1k tra pin 6,7 e massa (pin 8),come nel mio schema, proprio perché mi permetteva l'accensione di tutti i led.Il problema è sorto dopo il collegamento all'amplificatore.Come ti dicevo,dopo aver aggiunto il rilevatore di picco da te consigliato,mi si accendono consecutivamente tutti i primi 6 led indipendentemente dal suono in ingresso al mic.Sostanzialmente se urlo o se parlo piano adesso si accendono tutti i 6 led.Il mio desidierio sarebbe accenderli tutti e 10,ma chiaramente,in funzione del suono immesso nel mic.Grazie ancora,spero di risolvere assieme a voi questo circuito.
saluti
saluti
-

elettrokimbo
22 1 4 - Frequentatore

- Messaggi: 156
- Iscritto il: 7 dic 2011, 23:45
1
voti
[63] Re: VU meter a LED
elettrokimbo ha scritto:resistenza da 1k tra pin 6,7 e massa
Ma con quale criterio hai stabilito questa resistenza?
Ti ho inviato il datasheet proprio per risolvere questo punto:
la corrente nei LED è stabilita dalla Vref e questa dal partitore
R1/R2 (vedi anche l'esempio di applicazione)
0
voti
[64] Re: VU meter a LED
è proprio questo che non mi è chiaro.Come dimensionare nel mio caso.Il primo ed Il decimo led a che tensione dovrebbero accendersi?
grazie
grazie
-

elettrokimbo
22 1 4 - Frequentatore

- Messaggi: 156
- Iscritto il: 7 dic 2011, 23:45
1
voti
[65] Re: VU meter a LED
C'è tutto nel datasheet (link nel post[61])...
Nella tabella Threshold Voltage trovi i valori tipici (colonna Typ)
di tensione a cui ogni LED (colonna Output) si accende.
Nel 3915 la relazione è logaritmica (mentre nel 39\4 è lineare).
Da lì vedi che se usi un preamp alimentato a 9V, non accenderai mai
il LED 10....
Nella tabella Threshold Voltage trovi i valori tipici (colonna Typ)
di tensione a cui ogni LED (colonna Output) si accende.
Nel 3915 la relazione è logaritmica (mentre nel 39\4 è lineare).
Da lì vedi che se usi un preamp alimentato a 9V, non accenderai mai
il LED 10....
0
voti
[66] Re: VU meter a LED
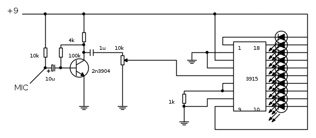
Allora..ho testato il solo 3915 con partitore potenziometrico,fissando i valori di resistenze 1,2k ed 8k,effettivamente mi ritrovo con i valori tipici Infatti il led 10 richiede 10 volt ,che non raggiungo.Adesso non mi è chiaro invece il range di ampiezza con il quale mi trovo a lavorare in uscita dal mio preamp.Quello è il problema,per il fissaggio delle resistenze.
Grazie e scusa ancora.
Grazie e scusa ancora.
-

elettrokimbo
22 1 4 - Frequentatore

- Messaggi: 156
- Iscritto il: 7 dic 2011, 23:45
1
voti
[67] Re: VU meter a LED
Per aumentare la tensione del segnale. la cosa migliore sarebbe
alimentare il tutto a 12V anzichè a 9V.
Comunque puoi provare a mettere una resistenza da 3.3k al collettore
(al posto di quella da 10K). Dovresti raggiungere un valore massimo di 8V
in uscita.
alimentare il tutto a 12V anzichè a 9V.
Comunque puoi provare a mettere una resistenza da 3.3k al collettore
(al posto di quella da 10K). Dovresti raggiungere un valore massimo di 8V
in uscita.
0
voti
[68] Re: VU meter a LED
Non ho modo di alimentarlo a 12.
Ho comunque sostituito la resistenza,come da te consigliato,ma non è cambiato nulla.
Ho sempre i primi sei led che si accendono consecutivamente.
Spero ci sia qualche altra soluzione.Ti ringrazio sempre per le risposte.
Ciao...io continuo a testare
Ho comunque sostituito la resistenza,come da te consigliato,ma non è cambiato nulla.
Ho sempre i primi sei led che si accendono consecutivamente.
Spero ci sia qualche altra soluzione.Ti ringrazio sempre per le risposte.
Ciao...io continuo a testare
-

elettrokimbo
22 1 4 - Frequentatore

- Messaggi: 156
- Iscritto il: 7 dic 2011, 23:45
0
voti
[69] Re: VU meter a LED
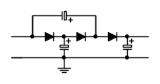
Puoi provare con un duplicatore di tensione.
Al posto del diodo e condensatore, metti questo:
Al posto del diodo e condensatore, metti questo:
0
voti
[70] Re: VU meter a LED
Per i valori dei condensatori cosa metto?
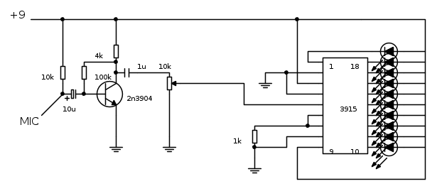
Inoltre volevo dirti che nel frattempo avevo fatto questa nuova configurazione e mi succede che tutti i led si accendono molto luminosamente e purtroppo contemporaneamente,ma indipendentemente dal suono in ing.O sussurro o urlo si illuminano sempre tutti.Ciò lo ottengo sostituendo il condensatore in base con un elettrolitico da 10u e la resistenza in collettore con una da 4k,ma trascurando il rilevatore.Ecco lo schema di cui ti parlo.Forse da questo punto di partenza è diverso.Grazie
Inoltre volevo dirti che nel frattempo avevo fatto questa nuova configurazione e mi succede che tutti i led si accendono molto luminosamente e purtroppo contemporaneamente,ma indipendentemente dal suono in ing.O sussurro o urlo si illuminano sempre tutti.Ciò lo ottengo sostituendo il condensatore in base con un elettrolitico da 10u e la resistenza in collettore con una da 4k,ma trascurando il rilevatore.Ecco lo schema di cui ti parlo.Forse da questo punto di partenza è diverso.Grazie
-

elettrokimbo
22 1 4 - Frequentatore

- Messaggi: 156
- Iscritto il: 7 dic 2011, 23:45
Torna a Elettronica e spettacolo
Chi c’è in linea
Visitano il forum: Nessuno e 8 ospiti

Elettrotecnica e non solo (admin)
Un gatto tra gli elettroni (IsidoroKZ)
Esperienza e simulazioni (g.schgor)
Moleskine di un idraulico (RenzoDF)
Il Blog di ElectroYou (webmaster)
Idee microcontrollate (TardoFreak)
PICcoli grandi PICMicro (Paolino)
Il blog elettrico di carloc (carloc)
DirtEYblooog (dirtydeeds)
Di tutto... un po' (jordan20)
AK47 (lillo)
Esperienze elettroniche (marco438)
Telecomunicazioni musicali (clavicordo)
Automazione ed Elettronica (gustavo)
Direttive per la sicurezza (ErnestoCappelletti)
EYnfo dall'Alaska (mir)
Apriamo il quadro! (attilio)
H7-25 (asdf)
Passione Elettrica (massimob)
Elettroni a spasso (guidob)
Bloguerra (guerra)


